Общая схема электрооборудования ВАЗ 21074 инжектор
Общая схема электрооборудования ВАЗ 21074 инжектор
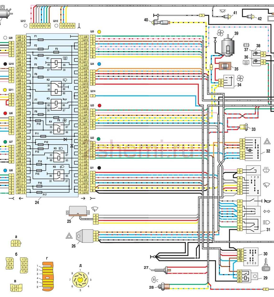
1 .Схема электрических соединений жгута проводов панели приборов в сборе LADA 21074
- — реле разгрузки замка зажигания;
- — реле-прерыватель указателей поворота;
- — реле стеклоочистителя;
- — выключатель сигнала торможения;
- — переключатель света фар и указателей поворота;
- — переключатель очистителя и омывателя ветрового стекла;
- — выключатель зажигания;
- — выключатель аварийной сигнализации;
- — комбинация приборов;
- — выключатель обогрева заднего стекла;
- — выключатель заднего противотуманного огня;
- — выключатель наружнего освещения;
- — переключатель электродвигателя отопителя;
- — дополнительный резистор электродвигателя отопителя;
- — электродвигатель отопителя;
- — контрольная лампа обогрева заднего стекла;
- — контрольная лампа уровня тормозной жидкости;
- — выключатель освещения приборов;
- — прикуриватель;
- — часы;
- — выключатель лампы света заднего хода;
- — датчик ручного тормоза;
- — реле заднего противотуманного огня;
- — колодка жгута панели приборов к жгуту системы зажигания;
- — плафон освещения вещевого ящика;
- — монтажный блок.
А1, А2 — точки заземления жгута проводов панели приборов. А3 — точки заземления электродвигателя отопителя.
2 .Схема электрических соединений ЭСУД LADA 21074 инжектор
1 — контроллер; 2 — диагностический датчик концентрации кислорода; 3 — колодка жгута системы зажигания к жгуту правого брызговика; 4 — колодка жгута уровня топлива к жгуту системы зажигания; 5 и 7 — колодки жгута электробензонасоса; 6 — управляющий датчик концентрации кислорода; 8 — электробензонасос; 9 — колодка диагностики; 10 — датчик скорости; 11 — регулятор холостого хода; 12 — датчик положения дроссельной заслонки; 13 — датчик температуры охлаждающей жидкости; 14 — датчик массового расхода воздуха; 15 — датчик положения коленчатого вала; 16 — электромаг¬нитный клапан продувки адсорбера; 17 — катушка зажигания; 18 — свечи зажигания; 19 — форсунки; 20 — колодка жгута системы зажигания к жгуту панели приборов; 21 — предохранитель цепи питания контроллера; 22 — реле зажигания; 23 — предохранитель реле зажигания; 24 — предохранитель цепи питания электробензонасоса; 25 — реле электробензонасоса; 26 — колодка жгута системы зажигания к жгуту форсунок; 27 — колодка жгута форсунок к жгуту системы зажигания; А — к клемме «плюс» аккумуляторной батареи; В1 — точка заземления жгута датчика уровня топлива; В2, ВЗ — точка заземления жгута системы зажигания; 21074-3724026 — жгут системы зажигания
3 .Схема электрических соединений жгута проводов правого брызговика в сборе LADA 21074.
- — монтажный блок;
- — колодка жгута правого брызговика к жгуту левого брызговика;
- — боковой указатель поворота правый;
- — фара правая;
- — дополнительное реле стартера;
- — насос омывателя ветрового стекла;
- — колодки жгута правого брызговика и провода соединительного стартера;
- — стартер;
- — батарея аккумуляторная;
- — генератор.
А1 — точка заземления жгута проводов правого брызговика. А2, А3 — точки заземления провода соединительного двигателя с аккумуляторной батареей и корпусом.
4. Схема электрических соединений жгута проводов левого брызговика в сборе LADA 21074.
- — монтажный блок;
- — колодка жгута левого брызговика к жгуту правого брызговика;
- — фара левая;
- — боковой указатель поворота левый;
- — датчик контрольной лампы давления масла;
- — датчик температуры охлаждающей жидкости;
- — датчик уровня тормозной жидкости;
- — электродвигатель стеклоочистителя;
- — звуковой сигнал;
- — электровентилятор двигателя.
А1, А2 — точки заземления жгута проводов левого брызговика.
5. Схема электрических соединений жгута проводов плоского заднего в сборе LADA 21074.
- — монтажный блок;
- — колодка жгута плоского заднего к жгуту системы зажигания;
- — включатель плафона правой передней двери;
- — включатель плафона правой задней двери;
- — включатель плафона левой передней двери;
- — включатель плафона левой задней двери;
- — плафон освещения салона правый;
- — плафон освещения салона левый;
- — электробензонасос с датчиком указателя уровня топлива;
- — элемент обогрева заднего стекла;
- — дополнительный сигнал торможения;
- — фонарь правый;
- — фонарь левый;
- — фонарь освещения номерного знака левый;
- — фонарь освещения номерного знака правый.
А1 — точка заземления элемента обогрева заднего стекла. А2 — точка заземления жгута массы освещения номерного знака. А3 — А8 — точки заземления жгута проводов плоского заднего в сборе.
Источник
В чем новизна
Контактная система зажигания Электрическая схема ВАЗ с классическим зажиганием Обозначение узлов с описанием, показанных на электросхеме: Фара головного освещения.
Нововведение оказало влияние на российский рынок автомобилей.
Посредством высоковольтных проводов ток высокого напряжения передаётся с контактов крышки распределителя на свечи.
Изменение угла опережения зажигания в зависимости от режима работы и оборотов двигателя. Управление составом смеси производится в автоматическом режиме с учетом температуры двигателя. Это было связано с тем, что контакты прерывателя постоянно пригорали и приходили в негодность уже после пяти — восьми тысяч пробега. При прокручивании стартера на катушку зажигания начинает поступать разряд.
Статья по теме: Правила прокладки силовых кабелей в земле
До года включительно на ВАЗ устанавливалось зажигание контактного типа. Регулировка оборотов двигателя на холостом ходу. Упрощение обслуживания системы зажигания.
Замена дополнительного предохранителя очистителя фар Предохранители очистителей фар защищают обмотку электродвигателей. Замененные провода следует аккуратно проложить по штатному маршруту. Если же по каким либо причинам аккумулятор оказался разряжен, необходимо подключить его к специальному устройству для зарядки аккумуляторов. Полезно почитать.
Разобраться во всем хитросплетении элементов электропроводки, найти выключатель сигнализатора прикрытия воздушной или реле очистителей ветрового стекла и фар поможет детальная схема проводки ВАЗ Указатели поворотов, расположенные на боковой стороне передних крыльев.
Новизна автомобильных электросистем ВАЗ с инжекторным двигателем Основное новшество — замена механических элементов системы зажигания и компонентов подготовки воздушно-топливной смеси более точными и эффективными электронными устройствами. Состояние предохранителя штыревого типа видно через окошечко сверху. Электронные устройства включены в общую электросхему автомобиля. Также причина может крыться в выходе из строя замка зажигания.
Вентилятор системы охлаждения не включается на инжекторном автомобиле. В чём причина.
https://youtube.com/watch?v=qWG8AyJ8aZ0
Схема электрическая ВАЗ-2107 карбюратор
Электрическая схема ВАЗ 2107, 21074 выпуска 1988-2001 годов с генератором 37.3701



- блок-фары
- боковые указатели поворота
- аккумуляторная батарея
- реле включения стартера
- электропневмоклапан карбюратора
- микровыключатель карбюратора
- генератор 37.3701
- моторедукторы очистителей фар *
- датчик включения электродвигателя вентилятора
- электродвигатель вентилятора системы охлаждения двигателя
- звуковые сигналы
- распределитель зажигания
- свечи зажигания
- стартер
- датчик указателя температуры охлаждающей жидкости
- подкапотная лампа
- датчик сигнализатора недостаточного давления масла
- датчик сигнализатора недостаточного уровня тормозной жидкости
- моторедуктор очистителя ветрового стекла
- блок управления электропневмоклапаном карбюратора
- катушка зажигания
- электродвигатель насоса омывателя фар *
- электродвигатель насоса омывателя ветрового стекла
- монтажный блок
- реле очистителя ветрового стекла
- реле аварийной сигнализации и указателей поворота
- выключатель сигнала торможения
- выключатель света заднего хода
- реле зажигания
- выключатель зажигания
- трехрычажный переключатель
- выключатель аварийной сигнализации
- штепсельная розетка для переносной лампы **
- переключатель вентилятора отопителя (печки)
- дополнительный резистор электродвигателя отопителя (печки)
- лампа сигнализатора включения обогрева заднего стекла
- лампа сигнализатора недостаточного уровня тормозной жидкости
- блок сигнализаторов
- электродвигатель вентилятора отопителя (печки)
- лампа освещения вещевого ящика
- выключатели плафонов на стойках передних дверей
- выключатели фонарей сигнализации открытых передних дверей ***
- фонари сигнализации открытых передних дверей ***
- соединительная колодка
- прикуриватель
- часы
- выключатель освещения приборов
- диод для проверки исправности лампы сигнализатора недостаточного уровня тормозной жидкости
- указатель уровня топлива
- лампа сигнализатора резерва топлива
- спидометр
- лампа сигнализатора включения указателей поворота
- лампа сигнализатора прикрытия воздушной заслонки карбюратора
- лампа сигнализатора заряда аккумуляторной батареи
- выключатель сигнализатора прикрытия воздушной заслонки карбюратора
- комбинация приборов
- эконометр
- выключатели плафона на стойках задних дверей
- указатель температуры охлаждающей жидкости
- тахометр
- лампа сигнализатора включения стояночного тормоза («ручника»)
- лампа сигнализатора недостаточного давления масла
- лампа сигнализатора включения дальнего света фар
- лампа сигнализатора включения наружного освещения
- вольтметр
- выключатель сигнализатора включения стояночного тормоза («ручника»)
- выключатель наружного освещения
- выключатель обогрева заднего стекла с лампой подсветки
- выключатель заднего противотуманного света с сигнализатором включения *
- предохранитель цепи противотуманного света
- плафон ****
- задние фонари
- датчик указателя уровня и резерва топлива
- колодки для подключения к элементу обогрева заднего стекла *
- фонари освещения номерного знака 2107
Электросхема ВАЗ-2107 карбюратор — полный вид:
Обзор модели ВАЗ-21074 инжектор
Начало серийного выпуска автомобилей ВАЗ-21074 датировано 1982 годом, когда с конвейера Волжского автозавода сошли первые экземпляры этой модели. На тот момент машина была оборудована карбюраторной системой питания: инжектор на ВАЗ-21074 появился лишь в 2006 году. Преимущества инжекторного способа подачи топлива уже ни для кого не являются откровением, и после того, как эта система была реализована на ВАЗ-21074:
- двигатель начал лучше заводиться в условиях отрицательных температур, не требуя длительного прогрева;
- на холостых оборотах мотор стал работать более плавно и тихо;
- уменьшился расход топлива.
Инжекторная версия ВАЗ-21074 пришла на смену карбюраторной в 2006 году
К недостаткам ВАЗ-21074 следует отнести:
- низкое расположение катализатора выхлопной трубы, что увеличивает риск повреждения этой недешёвой детали;
- труднодоступность некторых деталей и датчиков, которая явилась следствием того, что кузов старого типа не был рассчитан на инжекторную систему — в карбюраторной версии места под капотом гораздо больше;
- низкий уровень шумоизоляции, что снижает степень комфортабельности автомобиля.
Наличие компьютерного блока управления позволяет своевременно реагировать на возникновение неисправностей, т. к. сигнал о поломке сразу подаётся на панель приборов. Используемая в ВАЗ-21074 схема управления работой двигателя и его систем позволяет контролировать состав топливной смеси, включать и выключать топливный насос с помощью электроники, осуществлять непрерывный контроль всех узлов и механизмов.
Схема управления ВАЗ-21074 позволяет своевременно реагировать на неисправности систем и механизмов
В состав схемы управления входят:
- Колодка диагностики мотора;
- Тахометр;
- Лампа контроля неисправностей системы управления;
- Датчик дроссельной заслонки;
- Дроссельная заслонка;
- Вентилятор радиатора охлаждения;
- Реле вентилятора;
- Блок управления;
- Катушка зажигания;
- Датчик скорости;
- Сеча зажигания;
- Датчик температуры;
- Датчик коленвала;
- Реле бензонасоса;
- Топливный бак;
- Бензонасос;
- Клапан перепускной;
- Клапан предохранительный;
- Клапан гравитацинный;
- Топливный фильтр;
- Клапан продувки адсорбера;
- Труба приёмная;
- Кислородный датчик;
- Аккумулятор;
- Замок зажигания;
- Главное реле;
- Форсунка;
- Регулятор давления топлива;
- Регулятор холостого хода;
- Воздушный фильтр;
- Датчик расхода воздуха.
Табличку с идентификационными данными автомобиля ВАЗ-21074 можно найти на нижней полке коробки воздухоприёмника, которая расположена под капотом у лобового стекла, ближе к пассажирскому сидению. Рядом с табличкой (1) выбит VIN (2) — идентификационный номер машины.

Паспортные данные на табличке представляют собой:
- Номер для запчастей;
- Завод-изготовитель;
- Указание соответствия и номер одобрения типа ТС;
- Идентификационный номер;
- Модель силового агрегата;
- Максимально допустимое усилие на переднюю ось;
- Предельно допустимая нагрузка на заднюю ось;
- Версия исполнения и комплектация;
- Максимальный разрешённый вес транспортного средства;
- Максимальный разрешённый вес с прицепом.
Буквенно-цифровые символы на номере VIN означают:
- первые три цифры — код завода-производителя (в соответствии с международными стандартами);
- следующие 6 цифр — модель ВАЗ;
- латинская буква (или цифра) — год выпуска модели;
- последние 7 цифр — номер кузова.
Номер VIN можно увидеть также в багажнике на соединителе арки левого заднего колеса.
Номер VIN можно увидеть также в багажнике на соединителе арки левого заднего колеса
Лада 2107 Кориандр › Бортжурнал › Шейвинг подкапотки «Clean look»
Всем привет, появилось немного времени чтобы выложить наконец то запись о своей последней доработке еще в начале Августа. Началось все с того, что мне не нравился беспорядок и грязь под капотом, особенно после суровой зимы в Ярославле, к весне все начало ржаветь, почему именно после Ярославля? потому что зимой поливают дороги реагентами, и весь снег который попадал в подкапотку, таял и оставлял свои следы в виде ржавчины.
С начало думал просто вымыть подкапотку и не парится, но меня это не устраивало и я решил сделать что то необычное.Облазив много форумов, я заметил что многие делают Шейвинг подкапотки, пересмотрев много вариантов, с убиранием расширительного бачка, или просто с убиранием проводки, в плоть до полного шейвинга с завариванием все отверстий и переноса тормозных элементов в салон, было решено сделать самый оптимальный для меня, с отдельным цветом от кузова, а именно бежевого. Приступил к разборке подкапотки, срубил место под аккумулятор, зачистив всю ржавчину до металла приступил к сварке ненужных отверстий, далее приступил к шпаклеванию, чтобы убрать все следы сварки и неровностей, а после следовала сборка и прокидывание проводки в крыльях, вся проводка помещена в гофру и прикреплена к самому верху арки, аккумулятор в багажник на место запаски в специально сваренное для него место, закрытого типа с вентиляцией на улицу, чтобы в салон не попадали его пары, после всей сборки и покраски некоторых элементов, запустил двигатель, проверил всю работоспособность электроники, и как не странно все работало как и должно.Для повседневной езды с капотом, пришлось оставить черепаху с нуливиком т.к капот с квадратным нулевиком не зарывается из за того что он выше чем черепаха, да и из за поднятой балки.Теперь подкапотка выглядит намного свежее чем была.
Подвеска
- Ремонт втулки стабилизатора ВАЗ 21074
- Замена задних амортизаторов ВАЗ 21074 своими руками
- Как поменять задние пружины ВАЗ 21074
- Замена задних стоек ВАЗ 21074 своими руками
- Ремонт заднего ступичного подшипника VAZ 21074
- Поменять колесо ВАЗ 21074
- Как заменить опорный подшипник ВАЗ 21074 своими руками
- Заменить передние амортизаторы ВАЗ 21074
- Установка передних пружин ВАЗ 21074
- Как поменять передние стойки ВАЗ 21074
- Как заменить передний ступичный подшипник VAZ 21074
- Как поменять подшипник задней ступицы ВАЗ 21074
- Ремонт подшипника передней ступицы VAZ 21074
- Как заменить резинки стабилизатора ВАЗ 21074 своими руками
- Как заменить сайлентблоки задней балки ВАЗ 21074
- Как поменять сайлентблоки задних рычагов ВАЗ 21074
- Ремонт сайлентблоков передних рычагов VAZ 21074 своими руками
- Как поменять стойки стабилизатора ВАЗ 21074
- Как заменить шаровую опору VAZ 21074
- Заменить шпильку колеса VAZ 21074
- Как поменять шпильку на ступице VAZ 21074
Видео «Как решить проблему нестабильной работы двигателя на ВАЗ 2107?»
Как быть, если причиной нестабильной работы двигателя являются высоковольтные провода — узнайте из видео ниже (автор — канал Desla Ortosh).
Инжекторные силовые агрегаты на заднеприводной классике, ярким представителем которой является ВАЗ 2107-20, оказали серьезное влияние на отечественный парк легковых автомобилей. Но не все автовладельцы поначалу оценили преимущества системы впрыска
в сравнении с традиционным карбюратором, опасаясь в большей степени сложностей в работе электронных компонентов. Так ли это на самом деле, мы и попытаемся разобраться в рамках данной статьи.
Установка компрессора на ВАЗ 2107 карбюратор
Установка компрессора на семерку – это возможность увеличить эффективность нагнетания горячей смеси и соответственно повысить мощность двигателя. Наиболее популярным компрессором, который автолюбители и мастера ставят на Ваз 2107 – это ПК05D
о котором пойдет речь.Почему именно он? Просто его характеристики отвечают наиболее оптимальным, а именно: избыточное давление воздуха всего 0,5 бар и это достигается при 6200 оборотов за минуту. Кроме этой решающей характеристики ещё один факт в пользу данного компрессора – при его установке не нужно вмешиваться в конструкцию поршневой группы, а это значит, что установка предельно проста.
Установка компрессора на ВАЗ 2107 карбюратор своими руками
вполне возможна без вмешательства специализированных мастеров. Естественно, предварительно, вам стоит ознакомиться с некоторыми особенностями этой процедуры, а также знать последовательность и порядок действий. Если вы волнуетесь о преимуществах компрессора, то поверьте, он давно используется для этих целей в семерках и за это время претерпел несколько существенных доработок, который сделали его ещё лучше и естественно эффективней. Последним новшеством стало существенное понижение шумовых характеристик агрегата, поэтому нагнетатель работает практически бесшумно.
ПК05D
состоит из двух основных элементов, которые заслуживают вашего внимания и понятия. Первым являетсяцентробежное устройство , а вторым –мультипликатор высокооборотистый . Особенностью компрессора является отсутствие необходимости обслуживать его, а привод механизма проводится ремнём поликлинового типа от коленвала двигателя.
В конструкциях подобного рода мультипликатор делается на основе подшипников, которые после пробега около 50 тысяч километров следует заменять. То же самое касается ремня, потому что он также подвержен определенному износу, что само собой разумеется
Важно понимать, что для нормальной работы компрессора на ВАЗ 2107 карбюратор
, нужно обеспечитьподачу тосола (антифриза) или жемоторного масла . Выше мы уже говорили про отсутствие необходимости изменять конструкцию силового агрегата, однако заменить вал генератора, коленчастый шкив и водяную помпу все же нужно. Дело в том, что теперь в них будет использоваться поликлиновый ремень, а не обычный. Где взять такой ремешок? Эксперименты показали, что вполне годится от Шевроле Нивы. Мы делали замеры, и после установки компрессора прирост мощности автомобиля составил порядка 50 процентов.
Порядок действий при установке компрессора на ВАЗ 2107 карбюратор:
1. Снимаем стандартный ремень генератора и демонтируем его крепление 2. Снимаем воздушный фильтр 3. Устанавливаем вместо заводских шкивов шкивы от автомобиля Niva Chevrolet 4. Монтируем кронштейн крепление компрессора, а также сам компрессор и ремень генератора согласно представленной ниже схеме. (втулки из комплекта нужно надеть на шпильки между креплением и компрессором) 5. Ставим гофрированный патрубок на входное отверстие компрессора и устанавливаем фильтр. 6. Монтируем на выходное отверстие компрессора патрубки (они должны соединится специальной трубой диаметром 60мм и длиной 50мм.) 7. Соединяем трубу 60мм с клапаном, ставим муфту, а также подводящий фланец в карбюратор. 8. Синим шлангом соединяем штуцер компрессора и штуцер карбюратора 9. Шланг для вентиляции картерных газов отсоединяем, а все остальные соединения фиксируем хомутами. 10. Последний пункт – это регулировка натяжения ремня генератора.
Вот и все действия по установке нагнетателя, теперь вы получили свой прирост 50 процентов мощности. Согласитесь, что эта процедура не такая уж и сложная, как может показать изначально.
Схема ВАЗ-2107
Автомобиль ВАЗ-2107 выпускался с 1982 по 2014 год. Здесь приводятся цветные схемы проводки (на инжектор и карбюратор) с описанием всех элементов для различных модификаций. Информация предназначена для самостоятельного ремонта авто. Электрические схемы разделены для удобства просмотра через компьютер или телефон на несколько блоков, также имеются схемы в виде единой картинки с описанием каждого элемента — для распечатки на принтере.
В «семёрках», как и в большинстве современных машин, применена однопроводная схема подачи электричества к электрооборудованию. Другой вывод потребителя всегда соединяется с «массой» машины, к которой подключена отрицательная клемма аккумуляторной батареи. Такое решение позволяет не только упростить конструкцию бортовой сети, но и замедлить коррозию.
Схема проводки ВАЗ 2107 инжектор: цветная с описанием
Схема ВАЗ-2107
Автомобиль ВАЗ-2107 выпускался с 1982 по 2014 год. Здесь приводятся цветные схемы проводки (на инжектор и карбюратор) с описанием всех элементов для различных модификаций. Информация предназначена для самостоятельного ремонта авто. Электрические схемы разделены для удобства просмотра через компьютер или телефон на несколько блоков, также имеются схемы в виде единой картинки с описанием каждого элемента — для распечатки на принтере.
В «семёрках», как и в большинстве современных машин, применена однопроводная схема подачи электричества к электрооборудованию. Другой вывод потребителя всегда соединяется с «массой» машины, к которой подключена отрицательная клемма аккумуляторной батареи. Такое решение позволяет не только упростить конструкцию бортовой сети, но и замедлить коррозию.
Особенности конструкции бортовой сети ВАЗ 2107
Управление топливным насосом и электровентилятором системы охлаждения. Батарея 12 вольт. Лампа освещения прикуривателя.
Благодаря автоматической оптимизации состава смеси работа непрогретого двигателя не вызывает затруднений.
Когда замыкаются и его контакты, питание подаётся на обмотки втягивающего устройства.
В таком случае нужно проверять ее подключение к системе электропроводки ВАЗ Для исправления этих неисправностей следует заменить предохранитель или очистить контакты.
Посредством высоковольтных проводов ток высокого напряжения передаётся с контактов крышки распределителя на свечи.
Фонари освещения номерного знака.
Совет: электропроводка для инжекторных модификаций продается отдельно. Это может произойти, если новый предохранитель будет рассчитан на существенно больший ток.
ЭЛЕКТРОСХЕМА ВАЗ 2107 ПРЕД №11 ПОДСВЕТКА И ПИТАНИЕ СТОП СИГНАЛА
https://youtube.com/watch?v=sA4AXcvU1_4

Бензонасос ВАЗ 2107 инжектор
Инжекторная «семёрка» имеет ряд принципиальных отличий от карбюраторной версии автомобиля. Эта разница относится, прежде всего, к системе подачи топлива. В конструкции ВАЗ 2107 инжектор нет карбюратора, и бензонасос качает топливо прямо на форсунки: это напоминает питающую систему дизельных моторов.
Назначение и устройство
Электрический бензонасос, в отличие от механического, отвечает не только за доставку топлива из бака в камеру сгорания, но и за создание высокого давления в топливной системе. Впрыск топлива в инжекторных системах осуществляется с помощью форсунок, и бензин должен поступать на них под высоким давлением. С такой задачей может справиться только электрический насос, механический здесь не подходит.
Бензонасос ВАЗ 2107 инжектор устроен достаточно просто и благодаря этому имеет большой ресурс работы. По сути, это электродвигатель с расположенными на передней части вала лопастями, которые и нагнетают бензин в систему. Входной патрубок насоса оснащён фильтром грубой очистки топлива в виде сетки для задержания крупных частиц грязи. Конструкцию электронасоса дополняет датчик уровня топлива, передающий сигнал на панель приборов.

Принцип действия
Чтобы лучше понять принцип работы бензонасоса, нужно иметь представление об инжекторной системе в целом. Такая система состоит из:
- Воздухозаборника.
- Воздушного фильтра.
- Воздушного рукава.
- Дроссельной заслонки.
- Рампы с четырьмя форсунками.
- Топливного фильтра.
- Бензонасоса.
- Гравитационного клапана, благодаря которому топливо не выливается из перевёрнутой машины.
- Регулятора давления (перепускного клапана), который отвечает за поддержание давления в системе на требуемом уровне.
- Предохранительного клапана.
- Топливного бака.
- Адсорбера.
Бензонасос ВАЗ 2107 инжектор расположен в топливном баке
Топливный насос ВАЗ 2107 инжектор начинает работать после того, как водитель повернёт ключ зажигания. В этот момент включается электродвигатель насоса, и в системе начинает подниматься давление. Когда давление в топливной системе достигает 2,8–3,2 бар (280–320 кПа), включается двигатель. Пока мотор работает, бензонасос нагнетает в систему топливо, и давление держится на требуемом уровне. После того как двигатель будет заглушён, давление падает в течение нескольких минут.
Где находится
Бензонасос автомобиля ВАЗ 2107 инжектор находится внутри топливного бака. Если открыть крышку багажника, бак с насосом можно увидеть справа. Преимущество такого расположения — упрощение топливной системы, недостаток — затруднённый доступ к бензонасосу.
Какой бензонасос лучше
Если сравнивать электрический и механический бензонасос, следует сказать, что:
- сама по себе инжекторная система является более надёжной за счёт того, что в ней нет карбюратора, который требует дополнительного обслуживания;
- электронасос предпочтительнее механического насоса, т. к. он:
- обеспечивает прямую подачу топлива на форсунки;
- может располагаться внутри топливного бака (т. е. экономит подкапотное пространство);
- редко выходит из строя благодаря простоте конструкции.
За счёт расположения в топливном баке электробензонасос не перегревается и экономит подкапотное пространство
Схема электрооборудования ВАЗ 2104
Схема ВАЗ-2104, для автомобилей ранних годов выпуска. От стандартной схемы ее отличают генератор Г-222, 10-ти контактный включатель аварийной сигнализации, 5-ти контактное реле указателей поворотов и аварийной сигнализации, датчик верхней мертвой точки 1-го цилиндра, колодка диагностики, лампа-индикатор обогрева заднего стекла непосредственно в выключателе, отсутствие контрольной лампы воздушной заслонки карбюратора, двухпозиционный выключатель внешнего освещения и трехпозиционный подрулевой переключатель света.



1 — блок-фары; 2 — боковые указатели поворота; 3 — аккумуляторная батарея; 4 — реле контрольной лампы заряда аккумуляторной батареи; 5 — электропневмоклапан карбюратора; 6 — датчик верхней мертвой точки 1-го цилиндра; 7 — микровыключатель карбюратора; 8 — генератор Г-222; 9 — моторедукторы очистителей фар*; 10 — электродвигатель вентилятора системы охлаждения двигателя*; 11 — датчик включения электродвигателя вентилятора*; 12 — звуковые сигналы; 13 — распределитель зажигания; 14 — свечи зажигания; 15 — стартер; 16 — датчик указателя температуры охлаждающей жидкости; 17 — подкапотная лампа; 18 — датчик контрольной лампы давления масла; 19 — катушка зажигания; 20 — датчик уровня тормозной жидкости; 21 — моторедуктор очистителя ветрового стекла; 22 — блок управления электропневмоклапаном карбюратора; 23 — электродвигатель насоса омывателя фар*; 24 — электродвигатель насоса омывателя ветрового стекла; 25 — колодка диагностики; 26 — выключатель стоп-сигнала; 27 — реле-прерыватель очистителя ветрового стекла; 28 — реле-прерыватель аварийной сигнализации и указателей поворота; 29 — выключатель света заднего хода; 30 — штепсельная розетка для переносной лампы; 31 — прикуриватель; 32 — лампа освещения вещевого ящика; 33 — монтажный блок (вместо реле КЗ установлена перемычка); 34 — выключатели плафонов на стойках передних дверей; 35 — выключатели плафонов на стойках задних дверей; 36 — плафоны ВАЗ 2104; 37 — выключатель контрольной лампы стояночного тормоза; 38 — переключатель очистителя и омывателя заднего стекла*; 39 — выключатель аварийной сигнализации; 40 — трехрычажный переключатель; 41 — выключатель зажигания; 42 — выключатель освещения приборов; 43 — выключатель наружного освещения; 44 — выключатель заднего противотуманного света; 45 — контрольная лампа давления масла; 46 — комбинация приборов; 47 — контрольная лампа резерва топлива; 48 — указатель уровня топлива; 49 — плафон освещения задней части салона; 50 — контрольная лампа заряда аккумуляторной батареи; 51 — указатель температуры охлаждающей жидкости; 52 — реле-прерыватель контрольной лампы стояночного тормоза; 53 — блок контрольных ламп; 54 — контрольная лампа уровня тормозной жидкости; 55 — контрольная лампа заднего противотуманного света; 56 — контрольная лампа стояночного тормоза; 57 — вольтметр; 58 — спидометр; 59 — контрольная лампа наружного освещения; 60 — контрольная лампа указателей поворота; 61 — контрольная лампа дальнего света фар; 62 — переключатель вентилятора отопителя; 63 — выключатель обогрева заднего стекла с контрольной лампой включения*; 64 — электродвигатель вентилятора отопителя; 65 — дополнительный резистор электродвигателя отопителя; 66 — электродвигатель насоса омывателя заднего стекла; 67 — задние фонари; 68 — моторедуктор очистителя заднего стекла*; 69 — колодки для подключения к элементу обогрева заднего стекла; 70 — фонари освещения номерного знака; 71 — датчик указателя уровня и резерва топлива.
Электросхема — полный вид:

Интерактивные электросхемы
Если вы пользуетесь мобильным устройством, удобно установить интерактивную схему для Android. Ссылка: https://play.google.com/store/apps/details? >
Для ПК также есть отличная интерактивная программа. Ссылка: https://drive.google.com/file/d/0BzBrDqk4Ly-DYmRUWUotenRMQnM/view
Если вы не умеете читать схемы, посмотрите подробный видео-урок. Он поможет разобраться в том, как пользоваться электросхемами автомобилей.
https://youtube.com/watch?v=RUl65pclHjA
C появлением на отечественном авторынке новой модели ВАЗ 21074, оснащенной инжекторным двигателем, и у специалистов, и у автолюбителей возникла необходимость освоения эл. схемы этой машины, имеющей ряд принципиальных отличий от ее предшественников. Вот как выглядит подкапотное пространство ВАЗ 2107 с инжекторным двигателем:
Описание основных элементов и электропроводки, из которых состоит электросхема, есть в стандартной инструкции ВАЗ 2107. Можно отметить несколько отличительных особенностей этой модели от более ранних:
- Монтажный блок реле и предохранителей(поз. 1);
- Инжектор (поз. 3);
- Электронный датчик коленчатого вала (поз. 16).
- Воздушная заслонка с встроенным датчиком;
Основной причиной того, что электросхема пополнилась большим количеством дополнительного электрооборудования является использование в ВАЗ 21074 принципиально новой системы питания. Рассмотрим подробнее, чем эл. схема инжекторного двигателя отличается от карбюраторного:
- Инжектор подразумевает постоянное наличие давления в системе питания, которое создается электрическим топливным насосом.
- Воздушно-топливная смесь получается путем смешивания бензина и воздуха непосредственно в цилиндре.
- В инжекторном двигателе впрыск топлива осуществляется при помощи форсунок.
- Впрыск управляется электронной системой, в то время как в карбюраторном топливная смесь попадает в цилиндры благодаря создаваемому разрежению.
Ниже представлена схема системы питания инжекторного двигателя.
Электросхема в упрощенном виде состоит из следующих основных элементов:
1 — Диагностический разъем, предназначенный для подключения тестера или компьютера.
3 — Лампа контроля работоспособности двигателя.
4 — Датчик воздушной заслонки.
6 – мотор вентилятора охлаждения радиатора.
7 – Реле управления электродвигателем вентилятора.
8 — Блок управления двигателем.
9 – Электрическая катушка зажигания.
11 – Свечи зажигания.
13 – Эл. датчик коленчатого вала.
14 – Реле управления электрическим топливным насосом.
16 – Электрический топливный насос.
20 – Фильтр для очистки топлива.
25 – Замок зажигания.
29 – Датчик холостого хода.
Для более углубленного изучения электрооборудования автомобиля ВАЗ 2107 инжектор может быть также использована полная принципиальная эл. схема электропроводки.
Электросхема содержит следующие элементы, обозначенные номерами:
Отдельного внимания требует схема зарядки аккумуляторной батареи.
Пропадание зарядки грозит постепенной посадкой аккумулятора и аварийной остановкой двигателя. Поэтому сразу, как только вы заметите, что засветилась контрольная лампа зарядки. Необходимо незамедлительно принять меры по выявлению и устранению неисправности.
Если же по каким либо причинам аккумулятор оказался разряжен, необходимо подключить его к специальному устройству для зарядки аккумуляторов. Такой прибор окажется очень полезным для владельцев подержанных автомобилей, с длительно эксплуатируемым аккумулятором. Некоторые зарядные устройства, кроме зарядки, позволяют осуществлять пуск автомобиля.
Разобраться с устройством системы управления двигателем поможет следующая электрическая схема.
Следует отметить, что эл. схема инжекторного двигателя достаточно сложна, и самостоятельный поиск неисправностей в ней очень затруднен. Поэтому рекомендуется выполнение диагностики электрооборудования на специализированных СТО, с использованием специального тестера или компьютера с диагностической программой.
Но элементарные вещи, такие как замена сгоревших предохранителей или ламп, вышедших со строя электронных реле управления оборудованием — вполне по силам каждому автолюбителю. Поэтому владельцам автомобилей ВАЗ 2107, 21074 настоятельно рекомендуется к изучению принципиальна электросхема и основное электрооборудование, для получения возможности устранения незначительных неисправностей самостоятельно.





























