Особенности устройства
Катушка зажигания служит для получения искры, выходящей из электродов свечей зажигания. Если говорить коротко и просто, то это маленький трансформатор, который работает в импульсном режиме и преобразует 12 вольт от автомобиля в 20-30 тысяч вольт на выходе. Для передачи импульса используют высоковольтные провода, которые также иногда становятся причиной неисправности катушки.

Конструктивно катушка ВАЗ 2109 состоит из пары обмоток — вторичная и первичная.
- Первичная обмотка имеет меньше витков, но провода с большим сечением;
- Вторичная обмотка катушки с большим количеством витков, но меньшим сечением провода.
Обмотки
Признаки поломки
Зачастую искра на карбюраторе пропадает неожиданно, когда водитель не готов к подобному повороту событий. Но при наличии достаточно опыта и внимательному отношению к поведению своего автомобиля, можно обнаружить признаки неисправности до того, как пропала искра и двигатель не заводится.
Итак, почему пропадает искра, в чем причины и какие признаки могут указывать на выход из строя катушки зажигания?
Примерно за 500 километров до того, как ресурс катушки закончится, на холодном двигателе устройство нормально включается в работу только через пару минут прогрева. Мотор начинает запускаться с трудом, но некоторые думают, что проблема в системе холостого хода. Одновременно с этим движок начинает нестабильно вести себя на малых оборотах
Это явление происходит в течение 10-30 секунд, потому не всегда успеваешь на него обратить внимание.
Другой кратковременный признак — это активное троение двигателя при запуске холодного двигателя и удержании педали газа. Это будет происходить буквально 3-5 секунд, и после повторного нажатия на педаль все вернется в норму.
При ускорениях или смене передачи на КПП движок может выдавать рывки, вибрации, кратковременно ухудшается динамика. Минус в том, что такой симптом может появиться на несколько мгновений, но так же быстро исчезает.
Самый очевидный признак — это полный отказ двигателя от попыток запуститься
Искра пропадает, а потому шансы тронуться равно нулю.
Минус в том, что такой симптом может появиться на несколько мгновений, но так же быстро исчезает.
Самый очевидный признак — это полный отказ двигателя от попыток запуститься. Искра пропадает, а потому шансы тронуться равно нулю.
Искровые свечи зажигания
В системе зажигания ВАЗ-2109 используются свечи зажигания А17ДВР, А17ДВРМ где:
Нельзя недооценивать важность свечей в общей схеме работы системы зажигания автомобиля. Не зря многие водители по привычки, которая осталась еще с прошлых времен, возят с собой запасной комплект свечей. Может это и лишнее, так как современные свечи вполне надежны, но любую привычку побороть не так уж просто, даже такую
Может это и лишнее, так как современные свечи вполне надежны, но любую привычку побороть не так уж просто, даже такую
Не зря многие водители по привычки, которая осталась еще с прошлых времен, возят с собой запасной комплект свечей. Может это и лишнее, так как современные свечи вполне надежны, но любую привычку побороть не так уж просто, даже такую.
Во время работы свеча зажигания переносит огромные диапазоны нагрузок, которые выражены в большом температурном режиме эксплуатации, механических, электрических и химических воздействиях.
К примеру, в камере сгорания рабочий температурный режим может варьировать от 60 до 2800 градусов, давление до 10 Мпа, напряжение до 30 кВ, не говоря уже про постоянное химическое воздействие на свечу продуктами сгорания.
В процессе эксплуатации свечи на всех ее участках образуется нагар, который приводит к потере тока, так же зазор между контактами в свече зажигания на каждые 1000 км пробега может увеличиваться от 0,012 до 0,016 мм и более.
По свече зажигания можно просто диагностировать состояние двигателя, но как правило, обращаем мы внимание на свечи только тогда, когда в работе двигателя начинаются сбои или, когда пришло время планового ТО. Двигатель в нормальном состоянии если:. Двигатель в нормальном состоянии если:
Двигатель в нормальном состоянии если:
- Отсутствие мокроты на резьбе;
- Тонкий нагар копоти на темном ободке;
- Все электроды имеют светло-серый, светло-коричневый, белесого или светло-желтого цвета.
Признаки появления проблем с двигателем:
- На резьбе остатки масла или бензина;
- На ободке рыхлый нагар черного цвета с наличием пятен;
- Все электроды темно-коричневые с наличием пятен;
- Свеча мокрая с темным нагаром;
- Темный ободок с внешней части свечи (если свеча стоит не герметично).
Применение в системе зажигания ВАЗ 2109 только свечей зажигания марок А17ДВР, А17ДВРМ не является панацеей, конечно же существуют альтернативные варианты, но правильно подбирать свечи для своего авто нужно уметь правильно, а для этого Вам следует ознакомится с такими понятиями
- Что такое горячие и холодные свечи и на каких двигателях они применяются;
- Что такое калильное число;
- Что такое степень сжатия и ряд других показателей.
Поэтому если Вы не разбираетесь в этих вопросах, то перед тем, как заменить свечи зажигания, рекомендованные заводом изготовителем, на другие обратитесь за рекомендациями к специалистам.
Как выставляется порядок зажигания ваз-2109
Прокладывайте провода так, чтобы они не терлись друг о друга, части мотора, шланги.
Не допускайте резких перегибов и натяжки проводов. После подключения всех проводов зафиксируйте их в жгут специальными гребенчатыми держателями, входящими в комплект поставки. Порядок подключения в/в проводов на ВАЗ карбюратор (2108, 2109, 21099) Центральный провод с крышки трамблера всегда идет на катушку зажигания (бобину).
Вывод крышки трамблера, смотрящий вверх, соединяется со вторым цилиндром. Собственно, на корпусе модуля уже обозначено, какому цилиндру соответствуют выводы — но мы продублировали красным цветом на случай, если модуль совсем испачкается, а на фото вы не вдруг не разглядите.
> Очень часто при ремонте Ваз 2109 с распределителя зажигания или со снимают высоковольтные провода. Только вот беда, мало кто запоминает как они были подключены до этого. Чтобы избежать путаницы необходимо знать последовательность подключения Ваз 2109 сначала на распределитель зажигания, а потом на свечи каждого цилиндра.
Подключение проводов к распределителю зажигания Ваз 2109
Крышка распределителя зажигания одевается на него только в одном положении, одеть по другому её нельзя. Крышка распределителя имеет метку, эта метка обозначает гнездо высоковольтного провода первого цилиндра двигателя Ваз 2109. Последовательность работы цилиндров двигателя Ваз 2109 следующая: 1-3-4-2.
Бегунок распределителя зажигания вращается против часовой стрелки, если смотреть со стороны крышки. Поэтому нижнее гнездо соответствует высоковольтному проводу цилиндра №3. Следующее гнездо если идти против часовой стрелки соответствует цилиндру №4, и верхнее гнездо соответствует цилиндру №2.
Расположение цилиндров Ваз 2109
То есть самый ближний к ремню ГРМ цилиндр первый, самый ближний цилиндр к стартеру — четвертый. Если провода с распределителя зажигания будут перепутаны, то машина не будет заводится. Поэтому если Вы снимаете высоковольтные провода, то подключать назад их необходимо так как они и сидели до этого. А то бывают товарищи, поснимают провода, перепутают их и потом поднимают панику, что машина .
Сообщества › ВАЗ: Ремонт и Доработка › Блог › Инжекторная катушка на карбюраторных двигателях.
Решил здесь поделиться как модернизировать систему зажигания карбюраторных ВАЗ с не сильно большой переделкой, то есть фактически одну катушку заменить на другую. Заодно узнать ваше мнение.
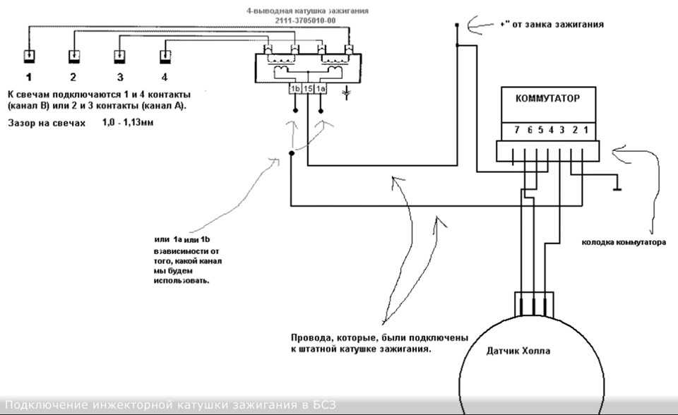
Так как мне захотелось немного модернизировать свою систему зажигания на ВАЗ 21083, а именно поменять старую катушку на что нибудь другое из за того, что по всем признакам и приговору СТОшника уже подходит время её менять. Перелопатив весь форум и интернет, видел как применяют по четыре катушки, две релюшки, кучу проводки и полнейшего разноса трамблера )) чтоб впихнуть невпихуемое, дошел даже до способа «божья искра», понял что это очень хлопотно и из за неправильной установки можно влететь есчо на более крупную сумму.Короче, нашел на мой взгляд самый простой способ как заменить надоедливую катушку 027.3705 за которой нужен «уход» и теперь я очень сильно сомневаюсь в качестве новых «российско — китайских» катушек такого типа:

на более современный вид более мощной инжекторной катушки 2111-3705010-03 с несильно большой доработкой самой проводки

Получается что в схеме практически ничего не надо менять, просто заменяется сама катушка зажигания.В цепи бесконтактной системы зажигания ВАЗ 2108 остаются все детали — коммутатор электронный 0529.3734, ВАЗовский трамблер во всей своей красе с одним бесконтактным датчиком холла.
Установка :При подключении катушки можно выбрать левую или правую сторону в этом случае другая сторона будет резервной, получается один провод от катушки подключается к корпусу «масса», другой идет на трамблер как от стандартной катушки зажигания.

Сам центральный высоковольтный провод который идет на трамблер надо будет переделать, потому что вывод на катушке инжекторный значит тот конец провода который идет на катушку нужно установить инжекторный наконечник.На свечах рекомендуемый зазор 1,0 — 1,13 мм.Схема подключения инжекторной катушки:
![]()
Для сравнения это схема подключения катушки старого образца:

Чтобы было понятней расскажу как подключить своими словами:
1. отключаете родную катушку зажигания, на неё идут два провода (запомните какой куда шол) и конец высоковольтного провода который идет потом на трамблер

2. Устанавливаете на конце вв провода который будет идти на инжекторную катушку инжекторный наконечник, дополнительно ставите есчо один провод тоже с инжекторным наконечником который будет идти на корпус «масса»
3. Далее прикручиваете катушку в удобном месте но чтобы провода дотягивались как до катушки так и до массы.
4. подключение проводки происходит через штекер предварительно купленного для этой катушки:— провод который шол на старой катушке к клеме с буквой «Б» подсоединяется по центру выхода из инжекторной катушке;— провод который шол на старой катушке к клеме с буквой «К» подсоединяете слева или справа в зависимости какую вы сторону катушки будете использовать

В конце проверяете зазор на свечах, рекомендую высоковольтные провода с сердцевиной из медной жилой минимальным «нулевым» сопротивлением. Такое изменение улучшит ездовые характеристики.
Можно конечно в трамблер установить параллельно два датчика холла чтобы отказаться от подключений ВВ проводов к крышке трамблера и иметь подключение аналогично инжекторной системы, но я счел это излишним.
Этот способ замены катушек зажигания старого образца на более мощные современные варианты можно применять и на других карбюраторных двигателях, к примеру у нас на форуме уже имеется пример применения такого типа на машине Лада Ока
И в конце видео работы от автора этой идеи модернизации:
Так как появились люди которые немного сомневаются добавлю цифры:— Катушка зажигания 027.3705Сопротивление первичной обмотки (0,45+0,05) ОмСопротивление вторичной обмотки (5+0,5) кОм— Катушки серии 3122.3705Сопротивление первичной обмотки 0,43±0,04 ОмСопротивление вторичной обмотки 4,08±0,40 Ом.— Катушки серии 8352.12Сопротивление первичной обмотки 0,42±0,05 Ом.Сопротивление вторичной обмотки 5,00±1,00 Ом.— Инжекторная катушка зажигания 2111-3705010-03Сопротивление первичной обмотки 0.5 Ом.Сопротивление вторичной обмотки 6.9 кОм
Особенности модуля зажигания
Теперь поговорим о более сложном вопросе — модуль зажигания и его конструктивные особенности.
Конструкция включает в себя несколько компонентов, каждый из которых имеет свои нюансы.
Компонент
Особенности
Катушек на ВАЗ 2109 всегда две. Этот механизм отвечает за генерацию тока
Ключи коммутаторы также работают вдвоем. Через них ток идет на свечи, плюс контроллер регулирует время включения тока, которое рассчитывается путем получения информации от датчика коленвала
Электронный блок управления
Отвечает за распределение информации в виде электронных импульсов
Для его изготовления используют высокопрочный пластик, что во многом обеспечивает долговечность, надежность работы устройства
Расположение
Любые работы, связанные с ремонтом, проверкой, профилактикой модуля зажигания будет невозможно выполнить, если не знать элементарные вещи — расположение устройства.
Отыскать МЗ (модуль зажигания) можно в подкапотном пространстве. Отыщите высоковольтники, которые идут к свечам зажигания. Один конец подключен к ним, а второй идет к модулю. МЗ имеет небольшие размеры и заключен в корпус из пластика.
Принцип работы
Изначально на карбюраторных автомобилях система работала за счет наличия катушки зажигания. В инжекторах все несколько иначе.
- Изначально в работу включается катушка зажигания, генерирующая ток высокого напряжения. Работает катушка по принципу магнитной индукции;
- Потом к работе подключается электронный блок управления МЗ, выполняющий функции контроля, передачи команд, обеспечивает поступление необходимого по характеристикам тока на свечи зажигания;
- Далее уже свечи активируют искру, происходит воспламенение и так далее.
Неисправности МЗ
Модуль зажигания зачастую демонстрирует самый основной признак поломки — отсутствие искры. Но это не единственный показатель неисправности. К ним также относят:
- Отсутствие динамики при ускорении автомобиля. Пытаясь резко набрать скорость, отчетливо ощущаются провалы в работе двигателя;
- Движок не выдает привычную мощность, в некоторых случаях мотор не способен вытянуть автомобиль в гору;
- Плавают обороты на холостом ходу;
- Одна из пар цилиндров двигателя отказываются работать. Тут, вероятнее всего, отсутствует ток, который должен идти от катушки зажигания.
Чтобы устранить возникшие проблемы с МЗ, первым делом нужно проверить свечи зажигания, а затем убедиться в работоспособности остальных элементов.
Проверка свечей
Чтобы проверить состояние свечей зажигания, которые могут стать причиной нарушенной работы модуля, вам необходимо:
- Выкрутить свечи со своих посадочных мест, предварительно сняв высоковольтные провода. Снимаются элементы специальным ключом.
- Осмотреть свечи на предмет наличия нагара, механических дефектов, нарушенного зазора.
- Дефектные свечи отправить на свалку, на их место установить новые.
Если замена или зачистка свечей не дали результат, тогда причина кроется в других элементах модуля зажигания.
Проверка МЗ
Чтобы проверить узел, выполните следующие действия:
Проверьте состояние колодки высоковольтников, идущих на МЗ. При наличии обрывов, нарушении изоляции искра не будет образовываться. Проверку выполняйте тестером;
Нормальный показатель напряжения на высоковольтных проводах — 12 Вольт с небольшим допустимым отклонением;
Если провода в норме, проверьте модуль. Есть несколько способов сделать эту работу;
Первый способ самый простой — замена старого модуля зажигания на новый, в работоспособности которого вы уверены. Но это не экономичный вариант, поскольку МЗ — не самое дешевое удовольствие. Покупать его для простой проверки не особо разумно;
Второй способ предусматривает необходимость пошевелить МЗ. При работе двигателя пошевелите модуль, постучите по нему. Если при этом мотор начнет работать иначе, тогда попросту отсутствует контакт. Проблема не серьезная, поскольку модуль можно разобрать и закрепить все контакты, после чего МЗ заработает как новеньких;
Третий способ наиболее точный, но и сложный. Вам потребуется тестер или омметр. Замерьте сопротивление на высоковольтных проводах
Особое внимание уделите данным по выводам модуля зажигания между 2 и 3 цилиндрами и между 1 и 2. Нормальным считается сопротивление около 5,4 кОм
Если есть отклонения, МЗ подлежит обязательной замене.
На практике модуль зажигания на ВАЗ 2109 редко полноценно выходит из строя. Чаще всего проблема заключается в нарушении целостности высоковольтных проводов или потерях контактов. Но если пришлось столкнуться с поломкой именно МЗ, ремонтировать его не стоит. Лучше сразу заменить.
Следите за состоянием проводов и зазором на свечах зажигания. Зазор выше нормы приводит к преждевременному износу МЗ.
Катушки зажигания ВАЗ 2109 Инжектор в Москве
Катушка зажигания ВАЗ-2108-2112 1.5л, 1111 Ока, 2114 1.
Катушка (модуль) зажигания для а/м ВАЗ 2111, 1118, 2170.
Свеча зажигания ВАЗ 2110 APS инжектор 1шт АУ17 дврм инд.
Свеча Зажигания Ваз 2108-099, 0,7 Мм Блистер, Комп. 4Шт.
Замок зажигания в сборе ВАЗ 2108-099,Ока 2109-3704005
Свеча зажигания FINWHALE ВАЗ 2108-2110 (инжектор) 1шт
Катушка зажигания lada 110/111/kalina/niva 1.5-1.7i 96.
Жгут высоковольтных проводов ГАЗ/УАЗ-ЗМЗ 405,406,409 ВА.
Катушка зажигания на свечу ВАЗ 2112 ,Калина инжектор МЗ.
Свеча зажигания ВАЗ 2108-10 инжектор 16клап 4шт АУ17 дв.
Свеча Зажигания Beru Ваз 2110 Инжектор Z-21 Z 21
Модуль зажигания ВАЗ 2108-10 АТЭ-2 42.3705
Катушка (модуль) зажигания для а/м ВАЗ 2111, 1118, 2170.
Свеча зажигания FINWHALE PRO (ВАЗ 2110 (инжектор 16 кла.
Катушка зажигания 156F
Свеча зажигания BOSCH, x4 ВАЗ 2108-010 инжектор 8 клапа.
Свеча Зажигания Champion, X1 Ваз 2108-15 Инжектор Oe048.
Свеча зажигания FINWHALE F508 (ВАЗ 2108-21099)(комплект.
Катушка зажигания ВАЗ 2108-09 АТЭ-2 27.3705
Катушка зажигания ваз 2108-099 стартвольт арт. SC 0108
Катушка (модуль) зажигания 2111 StartVolt
Свеча зажигания FINWHALE PRO(ВАЗ 2108-2109 1шт
Катушка зажигания (на свечу) для а/м ВАЗ 2112, 2115, 21.
Катушка зажигания для а/м ваз 2101-07 (ан. б117а) sc010.
Катушка зажигания ваз-2108-09 MASTER-SPORT арт. 0221-12.
Свеча зажигания FINWHALE PRO(ВАЗ 2110 (инжектор 16 клап.
Свеча Зажигания Finwhale, X4 Ваз 2108-010 16 Клапанный.
Свеча зажигания FINWHALE F508 (ВАЗ 2108-21099)(комплект.
Свеча зажигания FINWHALE ВАЗ 2108-010 инжектор 3 электр.
Свеча зажигания FINWHALE (ВАЗ 2110 (инжектор 16 клапан.
Свеча зажигания FINWHALE (ВАЗ 1118-19(Калина), 2108-211.
Катушка (модуль) зажигания 2112 StartVolt
Катушка зажигания для а/м ВАЗ 2108-099 (SC 0108) стартв.
Бесконтактное электронное зажигание Сонар-ИК
Свеча Зажигания Bosch, X4 Ваз 2108-010 Инжектор 16 Клап.
Свеча Зажигания Brisk Ваз 2110 Инжектор 16 Клапанный Ex.
Катушка (модуль) зажигания 2111 StartVolt
Катушка зажигания ВАЗ 2110-12, 2170, 1118 (АТ) 21.12370.
Свеча зажигания FINWHALE (ВАЗ 1118-19(Калина), 2108-211.
Катушка зажигания для а/м ВАЗ 2101-07 (ан. Б117А) (SC 0.
Свечи зажигания ВАЗ 2108 инжектор (1к-т.-4 шт.) Kraft
Катушка зажигания ваз 2110/2112 Era арт. 880419
Свеча зажигания CHAMPION (x4) ВАЗ 2108-15 инжектор OE04.
Катушка зажигания ваз 2101-2107 MAGNETI MARELLI арт. 06.
Катушка (модуль) зажигания для а/м ВАЗ 2112, 2115 (SC 0.
Свеча зажигания FINWHALE (ВАЗ 1118-19(Калина), 2108-211.
ВАЗ Свеча зажигания ВАЗ-2108-10,2113-15,1118 8 кл. инж.
Свеча Зажигания Brisk Super Ваз 2110 Инжектор 16 Клапан.
Катушка зажигания на свечу ВАЗ-2110-2112,1117-1119 Кали.
Катушка зажигания для а/м ВАЗ 2111, 1118, 2170, 8 кл. S.
Свеча Зажигания Ваз 2108-10, 1,0 Мм Блистер, Комп. 4Шт.
Катушка зажигания ВАЗ-2110-2112,Калина,Приора 8 кл. Евр.
Катушка зажигания ваз 2111/118/2170 (8 кл.) Стартвольт.
Свеча зажигания ВАЗ 2108-10 инжектор 8клап 4шт А17 ДВРМ.
Катушка зажигания ВАЗ дв 16 кл. инж(микас 7.9.7) (на св.
Катушка зажигания BRP 951DI 004-173
Свеча зажигания FINWHALE PRO(ВАЗ 2110 (инжектор 16 клап.
027.3705/632.3705-Катушка зажигания ВАЗ-2108, ЗАЗ-1102.
Свеча Зажигания Ваз 2110 Инжектор Vl13 Bpr6Es-11 5339 N.
Свеча зажигания FINWHALE ВАЗ 2108-21099 1шт
Свеча Зажигания Brisk Ваз 2110 Инжектор Extra Lr15Tc-1-.
Свеча зажигания FINWHALE ВАЗ 2108-21099 1шт
Свеча зажигания BOSCH, x4 ВАЗ 2108-010 инжектор 16 клап.
Свеча Зажигания Finwhale Ваз 2108-010 Инжектор 3 Электр.
Катушка зажигания для а/м ГАЗ 406, ОКА (SC 0306) стартв.
Катушка зажигания ВАЗ 2108-09, Таврия 027.3705
Катушка зажигания (на 1 цилиндр) 2112 (1.6л , 16 кл., и.
Свеча зажигания FINWHALE (ВАЗ 2110 (инжектор 16 клапан.
Свеча Зажигания Brisk Ваз 2112 Инжектор 16 Клапанный Su.
Провода высоковольтные на ВАЗ 1117-19, 21113-15, 2110-1.
Катушка зажигания Lifan 1 (34500/2V78F-2A C-Pro) черная.
Свеча зажигания FINWHALE (ВАЗ 2110 (инжектор 16 клапан.
Свеча зажигания FINWHALE PRO(ВАЗ 2108-2109 1шт
Свеча Зажигания Ваз 2110 Инжектор 16 Клапанный 1Шт Vl12.
Свеча зажигания FINWHALE (ВАЗ 1118-19(Калина), 2108-211.
Крышка распределителя зажигания ваз 2108-2110 2113 2115.
Модуль зажигания ВАЗ-2114 и его особенности
Модуль зажигания легкового автомобиля специально разработан для усовершенствования запуска автомобильного двигателя. Так как в качестве основных составляющих модуля работают две высоковольтные катушки, то и называют его часто «катушкой зажигания».
Рассмотрим устройство данной детали:
- катушки для вырабатывания высокого напряжения;
- двухканальный электронный коммутатор;
- прочный пластиковый корпус;
- низковольтный разъем подачи управляющих импульсов;
- выводы для подключения высоковольтных проводов к свечам зажигания.
Основными действующими элементами модуля зажигания являются высоковольтные катушки, которые раздают зажигающую искру на свечи. Это возможно благодаря следующей ее конструкции:
- Проводов для передачи высокого напряжения.
- Клемм с низким напряжением.
- Обмотки на сердечнике – вторичной (для розжига рабочей смеси) и начальной.
- Сердечника из электротехнической стали.
Механизм функционирования катушки зажигания заключается в следующем:
- электронный блок управления двигателем собирает все сигналы от расположенных на нем датчиков;
- ЭБУ формирует управляющий сигнал;
- сигнал поступает непосредственно на катушку зажигания;
- та, в свою очередь, образует высоковольтное напряжение;
- напряжение из катушки поступает на свечу цилиндра двигателя;
- топливновоздушная смесь воспламеняется;
- производится запуск двигателя.
В этом корпусе и размещается модуль зажигания.
Видео «Наглядное руководство по замене МЗ»
Канал STO TONN представил наглядное пособие по выполнению замены модуля зажигания на отечественном автомобиле ВАЗ 2114.
По причине неисправности модуля зажигания в работе инжекторного двигателя автомобилей ВАЗ 2108, 2109, 21099 могут возникнуть следующие неисправности: двигатель «троит», «двоит» (работает или пытается завестись на двух цилиндрах), неустойчивый холостой ход, «провалы», «рывки», «дерганье» и пр.
— Мультиметр, автотестер или иной прибор с режимами омметра и вольтметра
— Торцовые ключи или головки на «13» и «17»
Подготовительные работы
— Снимаем модуль зажигания с двигателя
Отсоединяем наконечники высоковольтных проводов. Ключом на «13» отворачиваем два верхних болта крепления, ключом на «17» ослабляем затяжку нижнего болта. Снимаем модуль вместе с его кронштейном.
— Очищаем от загрязнения
Протираем сухой ветошью.
Порядок проверки модуля (катушки) зажигания системы зажигания автомобилей ВАЗ 2108, 2109, 21099 с инжекторным двигателем
В гаражных условиях можно проверить вторичные обмотки модуля зажигания на «обрыв» и первичные на короткое замыкание, а так же подачу напряжения на модуль от ЭБУ. Этого вполне достаточно для диагностики неисправности.
— Проверка на короткое замыкание
Плюсовой щуп мультиметра в режиме омметра на вывод «D» соединительной колодки модуля зажигания, минусовой на кронштейн («масса»). Если короткого замыкания нет, показания прибора стремятся к бесконечности.
— Проверка на «обрыв»
Мультиметром в режиме омметра поочередно замеряем сопротивление между выводами «1» и «4», «2» и «3» модуля зажигания.
Сопротивление при каждом измерении должно быть в пределах 4 кОм. Если оно различно или не соответствует требуемому показателю модуль следует заменить.
— Проверка подачи напряжения на модуль зажигания
Если предыдущие проверки не выявили неисправности необходимо проверить подачу напряжения на модуль зажигания. Включаем зажигание. Мультиметром в режиме вольтметра замеряем напряжение между выводами «С» и «D» колодки жгута проводов идущих к модулю (выводы промаркированы на самой колодке). Напряжение должно находиться в пределах напряжения бортовой сети автомобиля (12В). Если оно меньше или отсутствует, то возможно разряжена аккумуляторная батарея, неисправны провода от ЭБУ к модулю зажигания или неисправен блок управления (ЭБУ).
Примечания и дополнения
— Зачастую одним из визуальных признаков выхода из строя модуля зажигания может служить две мокрые и две рабочие свечи зажигания, так как модуль состоит из двух попарно соединенных катушек зажигания выдающих искру поочередно в два цилиндра -1-4, 2-3. Выход из строя одной из катушек приводит к работе (или попытке завестись) двигателя на двух свечах.
— Перечисленные выше проблемы в работе двигателя автомобиля могут иметь в своей основе не только неисправность модуля зажигания, но и неисправность свечей зажигания, высоковольтных проводов, а так же системы питания и управления (ЭСУД).
Еще статьи по системе зажигания инжекторного двигателя автомобилей ВАЗ 2108, 2109, 21099
Сравнительный тест-ремонт
Модуль зажигания ВАЗ-2114 еще называют высоковольтной катушкой, что служит для передачи тока на свечи зажигания. Этот модуль имеет свои признаки неисправности, по которым необходимо определять момент замены вышедшей из строя детали. Что относят к таким признакам? Об этом пойдет речь в данной статье.
Как заменить модуль зажигания на ВАЗ 2108-ВАЗ 21099?
Снятие: 1) Снимается модуль не тяжело, но вот с его проверкой будут проблемы, потому что для этого во-первых специальное оборудование нужно, хотя и при помощи обычного мульти-метра можно проверить модуль на работоспособность (О том как модуль можно проверить мы опишем в этой же статье), но для начала его нужно снять, для этого сперва отсоедините колодку проводов от модуля (см. фото 1) которая крепиться к нему за счёт фиксатора, поэтому фиксатор на колодке ещё отогнуть не забудьте, иначе можно отломать её, как только колодка будет отсоединена берите в руки гаечный ключ и с его помощью отверните полностью верхний болт (см. фото 2) крепления модуля, затем боковую гайку выворачивайте (см. фото 3, указана красной стрелкой она) болта и чтобы болт не потерять, можете вынуть его так же, ну и в завершение переберитесь по ниже (Под автомобиль если можете) и там разыщите последний болт крепления модуля в нижней части (см фото 4, болт указан стрелкой), данный болт немножко ослабьте и после чего полностью снимите модуль зажигания с автомобиля, при этом отсоедините от него все четыре провода которые к нему подсоединены, а иначе они не дадут вам снять модуль с автомобиля.
Примечание! Вообще при работе с модулем рекомендуется обесточивать бортовую систему (Сеть обесточивается по средством скидывания клеммы минус с АКБ, о том как скинуть клемму если вы не знаете, читайте в статье: «Замена аккумулятора», в пункте первом той статьи всё написано), мало ли что может случиться, поэтому безопасность при выше всего, но прежде чем обесточивать систему проверьте колодку проводов которая подсоединяется к модулю и после этого можете её обесточить, для проверки отсоедините её и поверните ключ зажигания до такого момента когда все приборы в автомобиле загорятся, как только загорелись они берите в руки мульти-метр и включайте на нём режим вольтметра и замеряйте напряжение на колодке, для этого подсоедините два провода идущих от мульти-метра, один из проводов подсоединяйте к выводу который промаркирован (см. на колодку проводов, на ней есть эти маркировки) буквой С, а другой который промаркирован буквой D и прибор должен показать напряжение в 12 В, если показывает меньше или же вообще ничего не показывает, то либо разрядилась аккумуляторная батарея или же неисправна проводка, а вот чтобы проверить сам модуль зажигания это уже лучше делать либо с помощью специального прибора, либо поменять его на заведомо исправный модуль взяв у соседа на пример (Если у него такой же автомобиль), либо с помощью того же самого мульти-метра можно попробовать (Но даже мульти-метр может показать не верные результаты, поэтому на этот способ особо не полагайтесь), о том как это сделать читайте в статье: «Замена модуля и катушки на ВАЗ», а именно в той статье пункт «Примечание!» прочтите!
2) Теперь когда модуль снят разъедините его с кронштейном, чтобы разъединить воротком и накидной головкой подходящего размера воспользуйтесь, всего модуль к кронштейну крепиться на трёх гайках (см. фото 1), все гайки эти отверните и после чего можете разъединить модуль с кронштейном (см. фото 2).
Установка: 1. Устанавливается модуль новый на своё место в обратном порядке снятию, но только при установке сперва новый модуль совместите с кронштейном завернув для этого три гайки которые модуль к кронштейну крепят и ещё кой что, когда модуль поставите на своё место высоковольтные провода которые вы от старого отсоединяли к новому нужно подсоединять в определённом порядке, то есть на каждом проводе написана цифра от 1 до 4 (см. маленькое фото ниже), на самом модуле эти цифры тоже есть (Красными стрелками указаны, но к сожалению цифры 2 не видно, потому что её маленькая фотография закрывает), кроме этого с этими цифрами на модуле есть выводы (Указаны синими стрелками) на эти выводы и должны одеваться высоковольтные провода, так вот подсоедините все провода к этим выводам чтобы цифры совпали (То есть первый провод, к выводу один, второй провод к выводу два и т.д.), при несовпадении автомобиль будет работать не правильно и возможно даже не заведётся.
Один из самых сложных электрических приборов в автомобиле ВАЗ 2109 на системе инжектор, несомненно, модуль зажигания. Этот элемент бывает в инжекторных автомобилях, для карбюраторных машин ставиться обыкновенная катушка. Фактически модуль зажигания выполняет всего одну, но очень важную функцию – генерирует ток высокого напряжения, вплоть до 30 тысяч ватт. Далее, по высоковольтным проводам ток направляется на свечи, а уже они дают искры, от которых воспламеняется топливо в блоке цилиндров.
Давайте разберем его на примере того, как работает система зажигания ВАЗ 2109 на системе инжектор.
Свежие комментарии
- Mechanik on Пусковое устройство карбюратора 2108, 21081, 21083 Солекс Проверьте уровень топлива в поплавковой камере карбюратора. Плюс проверьте качает ли бензонасос.
- Борис on Пусковое устройство карбюратора 2108, 21081, 21083 Солекс После газа не работает на бензине. Двигатель запускается на 2-3 секунды и глохнет. Через пол минуты то же самое.
- Борис on Пусковое устройство карбюратора 2108, 21081, 21083 Солекс двигатель запускается но через 2-3 секунды глохнет. через 0,5 минуты то же самое
- Андрей on Замена порогов на автомобиле ВАЗ 2108 Спасибо полезная статья. тоже предстоит на восьмаке менять порог.
Основные неисправности модуля зажигания
Пожалуй, главный показатель неисправности – это когда нет искры на свечах зажигания. Однако бывают и другие признаки нестабильной работы модуля:
- Нет динамики при ускорении. Чувствуются явные провалы в момент резкого набора скорости.
- У автомобиля нет привычной мощности, бывает даже так, что автомобиль просто не тянет в гору.
- Плавающий холостой ход.
- Не работает одна из пар цилиндров. В этом случае, скорее всего, нет тока от катушек зажигания.
В случае если вы столкнулись с подобными проблемами, следует проверить свечи, на которых нет искры, датчик положения коленчатого вала и собственно сам модуль зажигания.
Проверяем систему на работоспособность
Итак, начинать лучше всего именно со свечей, на которых нет искры. Делается это элементарно и с подобной задачей справится даже человек весьма далекий от ремонта автомобилей. Для большей наглядности разделим весь процесс на этапы:
- Первым делом свечи нужно выкрутить. Делается это довольно просто. Снимайте высоковольтные провода и, далее просто выворачивайте свечи специальным ключом.
- Теперь, когда свечи, от которых нет искры, демонтированы, внимательно осмотрите их. На запчастях не должно быть нагара или механических повреждений.
- Испорченные свечи выбрасывайте и ставьте на их место новые, скорее всего, это решит проблемы. Если все в порядке, значит, искры, нет по другой причине.
Далее, прежде чем приступать непосредственно к диагностике самого модуля зажигания, следует проверить колодку высоковольтных проводов, которые к нему подходят. Возможно, искры нет по их вине. Делается это с помощью специального тестера. Напряжение на проводах во время проверки должно быть в районе 12 вольт.
Если все в порядке и с проводами, скорее всего, искры нет именно по причине того, что неисправен модуль зажигания. Существует множество вариантов проверки работоспособности этого прибора. Разберем подробно самые основные из них:
- Самый элементарный – можно просто заменить модуль на заведомо работоспособный. Правда. Проблема в том, что часто дополнительный модуль просто негде взять, а покупать просто для проверки новый прибор, не очень умно.
- Еще один не очень сложный способ проверки – путем шевеления модуля. Делается это следующим образом: во время работы двигателя шевелите и стучите по прибору. Если работа двигателя в этот момент будет каким-либо образом меняться, скорее всего, проблема в том, что нет необходимого контакта. Фактически неисправность не катастрофическая и в этом случае все поправимо. По крайней мере, тратиться на новый модуль нет необходимости.
- Этот вариант является самым точным и предусматривает наличие тестера. Ставим тестер в режим омметра, после чего, замеряем сопротивление на проводах, тех самых высоковольтных, которые проводят ток. Сконцентрироваться необходимо именно на выводах модуля зажигания между 2 и 3 цилиндрами и между первым и вторым. Если модуль исправен значение, должно быть идентичным, в районе 5,4 кОм.
Профилактика неисправностей модуля зажигания
Несмотря на то что модуль зажигания весьма надежный прибор случаи, когда он выходит из строя все-таки встречаются.
Однако если использовать несколько простых советов, устройство проработает намного больше:
Всегда обращайте внимание на то, чтобы высоковольтные провода соответствовали необходимым порядком. Если они имеют сопротивление выше или ниже необходимого, из строя может выйти катушки зажигания.
Очень важна и своевременная замена свечей. Большой зазор на этих запчастях очень негативно сказывается на работе модуля.
Большой зазор на этих запчастях очень негативно сказывается на работе модуля.
https://youtube.com/watch?v=DL_Vdl7HQ5A




























