Схема предохранителей ВАЗ 2107 старого образца
“Старый” блок предохранителей имеет 17 плавких предохранителя. Каждый из них защищает одну или несколько электрических цепей. Назначение предохранителей:
| Номер предохранителя (номинальный ток)* | Назначение предохранителей ВАЗ 2107 |
| F1 (8А/10А) | Задние фонари (свет заднего хода). Предохранитель заднего хода. Электродвигатель отопителя. Предохранитель печки. Лампа сигнализатора и реле обогрева заднего стекла (обмотка). Электродвигатель очистителя и омывателя заднего стекла (ВАЗ-21047) |
| F2 (8/10А) | Электродвигатели очистителей, омывателей ветрового стекла и фар. Реле очистителей, омывателей ветрового стекла и фар (контакты). Предохранитель дворников ВАЗ 2107 |
| F3/4 (8А/10А) | Резервные |
| F5 (16А/20А) | Нагревательный элемент обогрева заднего стекла и его реле (контакты) |
| F6 (8А/10А) | Предохранитель прикуривателя ВАЗ 2107. Штепсельная розетка для переносной лампы |
| F7 (16А/20А) | Звуковой сигнал. Электродвигатель вентилятора охлаждения радиатора. Предохранитель вентилятора ВАЗ 2107. |
| F8 (8А/10А) | Указатели поворота в режиме аварийной сигнализации. Выключатель и реле- прерыватель указателей поворота и аварийной сигнализации (в режиме аварийной сигнализации) |
| F9 (8А/10А) | Противотуманные фонари. Регулятор напряжения генератора Г-222 (на части автомобилей) |
| F10 (8А/10А) | Комбинация приборов. Предохранитель панели приборов. Лампа сигнализатора и реле заряда аккумуляторной батареи. Указатели поворотов и соответствующие лампы сигнализаторов. Лампы сигнализаторов резерва топлива, давления масла, стояночного тормоза и уровня тормозной жидкости. Вольтметр. Приборы системы управления электропневмоклапаном карбюратора. Реле-прерыватель лампы сигнализатора стояночного тормоза |
| F11 (8А/10А) | Лампы сигнала торможения. Плафоны внутреннего освещения кузова. Предохранитель стоп сигнала. |
| F12 (8А/10А) | Дальний свет (правая фара). Обмотка включения реле очистителей фар |
| F13 (8А/10А) | Дальний свет (левая фара) и лампа сигнализатора включения дальнего света фар |
| F14 (8А/10А) | Габаритный свет (левая фара и правый задний фонарь). Лампа сигнализатора включения габаритного света. Фонари освещения номерного знака. Подкапотная лампа |
| F15 (8А/10А) | Габаритный свет (правая фара и левый задний фонарь). Лампа освещения приборов. Лампа освещения прикуривателя. Лампа освещения вещевого ящика |
| F16 (8А/10А) | Ближний свет (правая фара). Обмотка включения реле очистителя фар |
| F17 (8А/10А) | Ближний свет (левая фара) |
| * В знаменателе для предохранителей штыревого типа |
Замена блока предохранителей и реле ваз 2107
Представляю последовательность замены блока предохранителей и реле ВАЗ 2107
- Открываем капот авто;
- Снимаем воздушный фильтр;
-
Отсоединяем колодки пучков проводов, присоединенные снизу к блоку
На корпусе блока нанесены цветные метки, соответствующие цвету монтажных колодок пучков проводов. Поэтому маркировать отсоединенные колодки не надо.
- Производим демонтаж перчаточной полки в салоне авто или коробку бардачка (В зависимости от комплектации).
-
Далее отсоединяем колодки пучков проводов, присоединенные к блоку из салона машины
-
Торцевым ключем на 10 откручиваем 4 гайки.
- После этого вынимаем монтажный блок
- Монтаж блока производится в обратном порядке.
П О П У Л Я Р Н О Е:
В практике владельца автомобиля весьма полезен прибор, при помощи которого на работающем двигателе можно проверить угол опережения зажигания, от правильной установки которого зависит безупречная и экономичная работа двигателя.
В статье, ниже предлагается простая схема данного прибора (стробоскопа) с лампой ИФК-120.
Ещё одна схема зарядного устройства очень похожа на предыдущую, но отличается способом отключения при окончании зарядки. Пуск зарядного устройства производится нажатием кнопки «пуск» на лицевой панели, при этом на схему подаётся питающее напряжение, реле К1 срабатывает и обеспечивает «самоподхват». Подробнее…
Конвертер «частота-напряжение» на LM331
В радиолюбительских схемах бывает необходимость в преобразовании частота — напряжение, например для измерения частоты вольтметром (мультиметром), датчика, реагирующего на изменение частоты и т.п.
Все водители обязаны обозначать маневры, совершаемые на дороге, включением указателя поворотов. Такой мигающий сигнал имеется в каждом автомобиле. Его рабочий режим создает реле поворотов, схема которого подает ток к лампочкам и обеспечивает их мигание. Одновременно подается звуковой сигнал в виде щелчков, напоминающий о включенном указателе поворотов. Все эти действия обеспечивает специальная схема реле поворотов.
Блок предохранителей и реле ВАЗ 2107
Расположение блока предохранителей ВАЗ 2107 под капотом. Монтажный блок предохранителей и реле цифра 5

С открытой крышкой он выглядит так:

На автомобилях более раннего выпуска устанавливался старый блок предохранителей.
Предохранители ВАЗ 2107 (старого образца)

Расшифровка:
| № предохранителя (номинальный ток)* | Назначение предохранителей |
| F1 (8А/10А) | Задние фонари (свет заднего хода). Предохранитель заднего хода. Электродвигатель отопителя. Предохранитель печки. Лампа сигнализатора и реле обогрева заднего стекла (обмотка). Электродвигатель очистителя и омывателя заднего стекла (ВАЗ-21047) |
| F2 (8/10А) | Электродвигатели очистителей, омывателей ветрового стекла и фар. Реле очистителей, омывателей ветрового стекла и фар (контакты). Предохранитель дворников ВАЗ 2107 |
| F3/4 (8А/10А) | Резервные |
| F5 (16А/20А) | Нагревательный элемент обогрева заднего стекла и его реле (контакты) |
| F6 (8А/10А) | Предохранитель прикуривателя ВАЗ 2107. Штепсельная розетка для переносной лампы |
| F7 (16А/20А) | Звуковой сигнал. Электродвигатель вентилятора охлаждения радиатора. Предохранитель вентилятора ВАЗ 2107. |
| F8 (8А/10А) | Указатели поворота в режиме аварийной сигнализации. Выключатель и реле- прерыватель указателей поворота и аварийной сигнализации (в режиме аварийной сигнализации) |
| F9 (8А/10А) | Противотуманные фонари. Регулятор напряжения генератора Г-222 (на части автомобилей) |
| F10 (8А/10А) | Комбинация приборов. Предохранитель панели приборов. Лампа сигнализатора и реле заряда аккумуляторной батареи. Указатели поворотов и соответствующие лампы сигнализаторов. Лампы сигнализаторов резерва топлива, давления масла, стояночного тормоза и уровня тормозной жидкости. Вольтметр. Приборы системы управления электропневмоклапаном карбюратора. Реле-прерыватель лампы сигнализатора стояночного тормоза |
| F11 (8А/10А) | Лампы сигнала торможения. Плафоны внутреннего освещения кузова. Предохранитель стоп сигнала. |
| F12 (8А/10А) | Дальний свет (правая фара). Обмотка включения реле очистителей фар |
| F13 (8А/10А) | Дальний свет (левая фара) и лампа сигнализатора включения дальнего света фар |
| F14 (8А/10А) | Габаритный свет (левая фара и правый задний фонарь). Лампа сигнализатора включения габаритного света. Фонари освещения номерного знака. Подкапотная лампа |
| F15 (8А/10А) | Габаритный свет (правая фара и левый задний фонарь). Лампа освещения приборов. Лампа освещения прикуривателя. Лампа освещения вещевого ящика |
| F16 (8А/10А) | Ближний свет (правая фара). Обмотка включения реле очистителя фар |
| F17 (8А/10А) | Ближний свет (левая фара) |
| * В знаменателе для предохранителей штыревого типа |
Расположение реле и плавких предохранителей штыревого типа в монтажном блоке для ВАЗ 2107:
| № реле | Назначение |
| 1 | Реле включения обогрева заднего стекла |
| 2 | Реле включения очистителей и омывателей фар |
| 3 | Реле включения звуковых сигналов (установлена перемычка) |
| 4 | Реле включения электродвигателя вентилятора системы охлаждения (с 2000 года не используется) |
| 5 | Реле включения дальнего света фар |
| 6 | Реле включения ближнего света фар |
Советы по поиску предохранителя зарядки
Предохранитель зарядки ваз 2107 инжектора находится важной составляющей, которая обеспечивает безопасность и стабильность работы системы зарядки автомобиля. Если возникают проблемы со зарядной системой автомобиля, одной из причин может быть неисправность предохранителя
Если вы ищете предохранитель зарядки ваз 2107 инжектора, следуйте нашим советам.
1. Прочтите руководство по эксплуатации
Первым шагом при поиске предохранителя следует обратиться к руководству по эксплуатации вашего автомобиля. В руководстве указаны все детали, включая и расположение предохранителей на автомобиле. Откройте раздел, посвященный электропроводке и попробуйте найти информацию о предохранителе зарядки.
2. Проверьте панель предохранителей
Ваз 2107 инжектора обычно имеет панель предохранителей, расположенную в салоне автомобиля. Проверьте эту панель и ищите предохранитель, помеченный как «зарядка» или «генератор»
Обратите внимание на размер и цвет предохранителя, так как они могут отличаться в зависимости от модели и года производства автомобиля
3. Используйте мультиметр
Если вы не можете найти предохранитель в панели, попробуйте использовать мультиметр для проверки предохранителей по всей электропроводке автомобиля. Установите мультиметр в режиме проверки предохранителей и проследите проводку от аккумулятора до генератора, чтобы найти место, где предохранитель должен быть установлен. Если предохранитель вышел из строя, мультиметр покажет нулевое сопротивление.
4. Обратитесь к автомастеру
Если вы по-прежнему не можете найти предохранитель зарядки ваз 2107 инжектора, рекомендуется обратиться к квалифицированному автомастеру. Они имеют опыт и знания для быстрого и эффективного решения проблем с зарядкой автомобиля.
Помните, что предохранитель зарядки важен для нормальной работы системы зарядки вашего автомобиля. Регулярно проверяйте и обслуживайте предохранитель, чтобы избежать проблем и аварийных ситуаций на дороге.
Схема блока предохранителей ВАЗ 2107 (полная электрическая схема)
| № реле/ предохранителя | Обозначения |
| 1 | Блок-фары |
| 2 | Боковые указатели поворота |
| 3 | Аккумуляторная батарея |
| 4 | Реле включения стартера |
| 5 | Электропневмоклапан карбюратора |
| 6 | Микровыключатель карбюратора |
| 7 | Генератор 37.3701 |
| 8 | Моторедукторы очистителей фар* |
| 9 | Датчик включения электродвигателя вентилятора |
| 10 | Электродвигатель вентилятора системы охлаждения двигателя |
| 11 | Звуковые сигналы |
| 12 | Распределитель зажигания |
| 13 | Свечи зажигания |
| 14 | Стартер |
| 15 | Датчик указателя температуры охлаждающей жидкости |
| 16 | Подкапотная лампа |
| 17 | Датчик сигнализатора недостаточного давления масла |
| 18 | Датчик сигнализатора недостаточного уровня тормозной жидкости |
| 19 | Моторедуктор очистителя ветрового стекла |
| 20 | Блок управления электропневмоклапаном карбюратора |
| 21 | Катушка зажигания |
| 22 | Электродвигатель насоса омывателя фар* |
| 23 | Электродвигатель насоса омывателя ветрового стекла |
| 24 | Монтажный блок |
| 25 | Реле очистителя ветрового стекла |
| 26 | Реле аварийной сигнализации и указателей поворота |
| 27 | Выключатель сигнала торможения |
| 28 | Выключатель света заднего хода |
| 29 | Реле зажигания |
| 30 | Выключатель зажигания |
| 31 | Трехрычажный переключатель |
| 32 | Выключатель аварийной сигнализации |
| 33 | Штепсельная розетка для переносной лампы** |
| 34 | Переключатель вентилятора отопителя |
| 35 | Дополнительный резистор электродвигателя отопителя |
| 36 | Лампа сигнализатора включения обогрева заднего стекла |
| 37 | Лампа сигнализатора недостаточного уровня тормозной жидкости |
| 38 | Блок сигнализаторов |
| 39 | Электродвигатель вентилятора отопителя |
| 40 | Лампа освещения вещевого ящика |
| 41 | Выключатели плафонов на стойках передних дверей |
| 42 | Выключатели фонарей сигнализации открытых передних дверей*** |
| 43 | Фонари сигнализации открытых передних дверей*** |
| 44 | Соединительная колодка |
| 45 | Прикуриватель |
| 46 | Часы |
| 47 | Выключатель освещения приборов |
| 48 | Диод для проверки исправности лампы сигнализатора недостаточного уровня тормозной жидкости |
| 49 | Указатель уровня топлива |
| 50 | Лампа сигнализатора резерва топлива |
| 51 | Спидометр |
| 52 | Лампа сигнализатора включения указателей поворота |
| 53 | Лампа сигнализатора прикрытия воздушной заслонки карбюратора |
| 54 | Лампа сигнализатора заряда аккумуляторной батареи |
| 55 | Выключатель сигнализатора прикрытия воздушной заслонки карбюратора |
| 56 | Комбинация приборов |
| 57 | Эконометр |
| 58 | Выключатели плафона на стойках задних дверей |
| 59 | Указатель температуры охлаждающей жидкости |
| 60 | Тахометр |
| 61 | Лампа сигнализатора включения стояночного тормоза |
| 62 | Лампа сигнализатора недостаточного давления масла |
| 63 | Лампа сигнализатора включения дальнего света фар |
| 64 | Лампа сигнализатора включения наружного освещения |
| 65 | Вольтметр |
| 66 | Выключатель сигнализатора включения стояночного тормоза |
| 67 | Выключатель наружного освещения |
| 68 | Выключатель обогрева заднего стекла с лампой подсветки |
| 69 | Выключатель заднего противотуманного света с сигнализатором включения* ** *** |
| 70 | Предохранитель цепи противотуманного света |
| 71 | Плафон**** |
| 72 | Задние фонари |
| 73 | Датчик указателя уровня и резерва топлива |
| 74 | Колодки для подключения к элементу обогрева заднего стекла* |
| 75 | Фонари освещения номерного знака |
Порядок условной нумерации штекеров в колодках:
а — блок-фар, очистителей фар и ветрового стекла, реле очистителя ветрового стекла, блока управления электропневмоклапаном карбюратора;
б — монтажного блока и трехрычажного переключателя;
в — реле аварийной сигнализации и указателей поворота;
г — задних фонарей (нумерация выводов по порядку от края платы);
д — выключателя аварийной сигнализации.
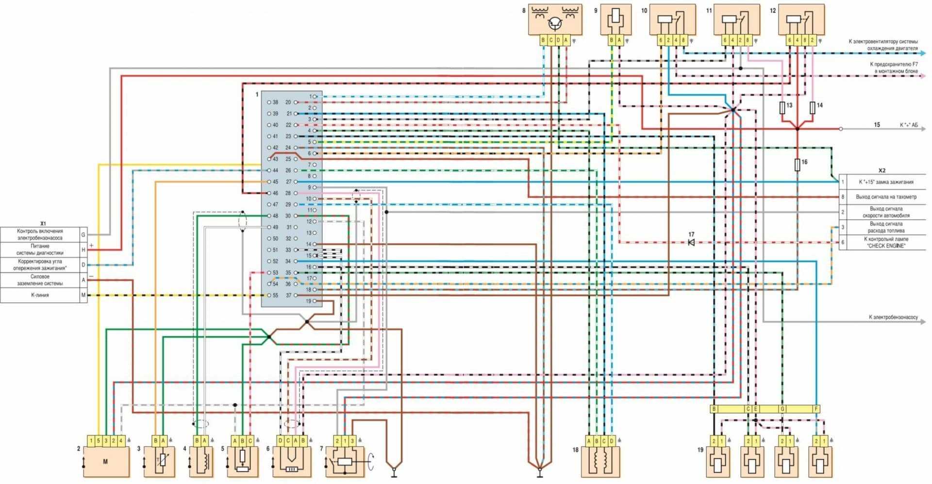
ВАЗ 2107 — схема инжектора (система управления впрыска топлива)

| № реле/ предохранителя | Обозначения |
| 1 | Разъем контроллера |
| 2 | Датчик массового расхода воздуха |
| 3 | Датчик температуры охлаждающей жидкости |
| 4 | Датчик положения коленчатого вала |
| 5 | Датчик положения дроссельной заслонки |
| 6 | Датчик концентрации кислорода |
| 7 | Датчик скорости |
| 8 | Модуль зажигания |
| 9 | Электромагнитный клапан продувки адсорбера |
| 10 | Реле электровентилятора |
| 11 | Реле электробензонасоса |
| 12 | Главное реле |
| 13 | Предохранитель, защищающий силовую цепь реле электробензонасоса |
| 14 | Предохранитель, защищающий силовые цепи главного реле |
| 15 | Плавкая вставка |
| 16 | Предохранитель, защищающий цепь постоянного питания контроллера |
| 17 | Диод |
| 18 | Регулятор холостого хода |
| 19 | Форсунки |
| Х1 | Колодка диагностики |
| Х2 | Колодка соединения с системой электрооборудования автомобиля |
Контрольная лампочка
Как видно из схемы, в системе зарядки задействуется большое количество составных элементов и каждый из них может стать причиной плохой зарядки или ее отсутствия. Для отслеживания процесса зарядки батареи приборная панель автомобиля оснащена контрольной лампочкой.

Если система в исправности, после завода сигнал контроля включается. Но когда мотор войдет в рабочий режим, лампочка зарядки аккумулятора ВАЗ 2107 не горит. Это значит, что запас энергии батареи пополняется от генератора. Параллельно стрелка на вольтметре перемещается в зеленый сектор.
Признаки отсутствия зарядки АКБ:
-
- Дергается стрелка заряда аккумулятора ВАЗ 2107.
- Контрольный сигнал не гаснет. В отдельных случаях моргает лампочка аккумулятора ВАЗ 2107.
- Стрелка вольтметра после запуска двигателя не уходит к зеленой зоне.
- При работающем моторе напряжение на батарее должно держаться в районе 13,9.
- Допустимое отклонение в любую сторону не превышает 0,3 В. Недозаряд аккумулятора ВАЗ 2107 в этих пределах еще не страшен.
Падение напряжения до 12 В говорит: с генератора заряд не идет!Тускло горит лампа зарядки аккумулятора ВАЗ 2107 – недозарядка АКБ.
ВАЗ 2107 — схема инжектора (система управления впрыска топлива)
1 — разъем контроллера; 2 — датчик массового расхода воздуха; 3 — датчик температуры охлаждающей жидкости; 4 — датчик положения коленчатого вала; 5 — датчик положения дроссельной заслонки; 6 — датчик концентрации кислорода; 7 — датчик скорости; 8 — модуль зажигания; 9 — электромагнитный клапан продувки адсорбера; 10 — реле электровентилятора; 11 — реле электробензонасоса; 12 — главное реле; 13 — предохранитель, защищающий силовую цепь реле электробензонасоса; 14 — предохранитель, защищающий силовые цепи главного реле; 15 — плавкая вставка; 16 — предохранитель, защищающий цепь постоянного питания контроллера; 17 — диод; 18 — регулятор холостого хода; 19 — форсунки; Х1 — колодка диагностики; Х2 — колодка соединения с системой электрооборудования автомобиля.
Теория «на пальцах»: как все работает
На ВАЗ 2107 приборы могут получать питание от 2-х источников. Первый – аккумулятор, второй – генератор. АКБ поставляет энергию при заглушенном двигателе. Она имеет определенный заряд, расходуемый по мере надобности. Генератор вырабатывает электричество, но только при условии, что ротор вращается. То есть – при работающем моторе.

Схема работы АКБ: 1. АКБ, 2. Диод минусовый, 3. Диод дополнительный, 4. Генератор, 5. Диод плюсовой, 6. Статорная обмотка, 7. Регулятор, 8. Роторная обмотка, 9. Конденсатор, 10. Блок монтажный, 11. Лампочка контроля, 12. Вольтметр, 13. Реле зажигания, 14. Замок.
Для запуска двигателя используется аккумуляторный заряд. Когда мотор начинает работать, энергия батареи не расходуется: ею все приборы снабжает генератор. Также заряд поставляется и на нее, для восстановления потраченной энергии. Но если не идет зарядка на аккумулятор, собственной его энергии хватит на ограниченное количество запусков. Далее батарея полностью разрядится. А владелец авто будет решать проблему, как завести ВАЗ 2107, если сел аккумулятор. Ведь не у всех в багажнике найдутся «крокодилы», и не каждый согласится поделиться электричеством со своей АКБ.
↑ Замена и ремонт
При потере работоспособности определенной системы автомобиля одной из причин отказа может оказаться перегорание предохранителя. Выход из строя защитного элемента провоцируют перегрузки или короткие замыкания в цепях.

Если функционал предохранителя распространяется на несколько систем, нужно проверить другую систему на работоспособность. Ее корректная работа означает исправность плавкой вставки, а проблему стоит поискать в другом месте.
↑ Замена плавких вставок
Мультиметром либо другим измерителем проводится прозвонка. Величина сопротивления исправного предохранителя находится возле нуля. В противном случае деталь подлежит замене. Детали меняются на аналоги такого же номинала по значению тока.
- Процедура замены плавкой вставки начинается с обесточивания системы.
- Крышка блока предохранителей снабжена фиксаторами, при обжатии которых открывается доступ к расположенным элементам.
- Визуально либо с помощью измерительного прибора выявляется деталь, вышедшая из строя.
- Пинцетом извлекается выгоревший элемент и меняется на новый. Закрывается крышка и подключаются клеммы аккумулятора.
Прежде чем устанавливать новый коммутационный элемент, необходимо обследовать защищаемые электрические цепи на вероятность появления коротких замыканий. При существовании такой проблемы перегорание защитных элементов будет повторяться с частой периодичностью. Также необходимо немного подпружинить контакты для улучшения качества передачи тока.
↑ Замена противотуманного предохранителя
Есть предохранитель, устанавливаемый обособленно от остальных, который служит для контроля противотуманной оптики. Его место – возле радиоприёмника, под заглушками. Доступ к нему открывается после демонтажа выключателей консоли, где находится приемник.
После отжатия фиксаторов вытаскивается пластиковая вставка. Извлечение с последующей заменой идет по стандартной процедуре.
Как выбрать предохранитель
Во-первых, необходимо определиться с правильным типом предохранителя. Существует несколько основных типов предохранителей, таких как стеклянные, ламповые и ножевые. Каждый тип предохранителя имеет свои особенности и область применения, поэтому необходимо выбрать тот, который соответствует требованиям и характеристикам вашего автомобиля.
Во-вторых, следует учитывать параметры предохранителя, такие как ток и напряжение. Ток предохранителя должен быть выбран таким образом, чтобы он мог выдерживать максимальный ток, который потребляет соответствующая электрическая цепь. Напряжение предохранителя должно соответствовать напряжению системы автомобиля.
Также стоит обратить внимание на класс защиты предохранителя. Класс защиты указывает на уровень защиты, предоставляемый предохранителем
Обычно он обозначается букво-цифровым обозначением, таким как АТС, МТС, Макси, АТО, и другие. Класс защиты необходимо выбирать на основе предназначения электрической цепи и ее параметров.
Кроме того, при выборе предохранителя следует обращать внимание на его надежность, качество и сертификацию. Лучше всего выбирать предохранители от проверенных производителей, которые имеют положительные отзывы и соответствуют стандартам безопасности
И наконец, не стоит забывать о правильной установке и замене предохранителя. При установке предохранителя необходимо следовать инструкции производителя и обеспечивать надежное и безопасное подключение. При замене предохранителя необходимо использовать предохранители с теми же спецификациями и не превышать их параметры.
| Тип предохранителя | Особенности |
|---|---|
| Стеклянный | Обладает прозрачным корпусом, что позволяет визуально определить, сломался ли предохранитель |
| Ламповый | Обладает ламповым стеклом, которое позволяет увидеть, сработал ли предохранитель, посредством внешнего освещения |
| Ножевой | Имеет надежные контакты и прочный металлический корпус, отлично подходит для использования в автомобилях |
Dessar194 › Блог › Схема и расположение блока предохранителей на ВАЗ-2107, 2105 и 2104
В данном кратком мануале или ликбезе мы рассмотрим типы блоков предоранителей на семерках, пятерках и четверках, их устройство, расположение, схему, узнаем какой предохранитель за что отвечает и какую именно цепь предохраняет от замыкания, в общем любому владельцу ВАЗ-2107, 04 и 05 рекомендуем добавить в избранное или распечатать и положить в бардачке, пригодится при неполадхах в электросети автомобиля. Ну чтож, поехали — вот так выглядит блок предохранителей нового образца, с флажковыми предохранителями, установленный на ВАЗ-2107:

Ранее автомобили ВАЗ-2107 комплектовались блоками предохранителей старого образца, с трубчатыми предохранителями. Вот фото:

Схема у этих двух типов блоков абсолютно идентична, приводим ниже схематическое изображение соединений внутри блока:

Нумерация предохранителей на блоках старого образца по порядку, с лева на право, на блоках нового образца хорошо видна вот на этом фото:
Вот схематичное изображение блока:

Теперь распишем какой предохранитель за что отвечает в ВАЗ-2107, 2105 и 2104, напоминаем, для блоков старого и нового образца нумерация предохранителей и цепи не изменны:
Реле:R1. — Реле включения обогрева заднего стекла.R2. — Реле включения дальнего света фар.R3. — Реле включения ближнего света фар.F1 — F17. — Предохранители автомобиля ВАЗ 2107.1. — Место установки реле включения очистителей и омывателей фар.2. — Перемычка (ранее устанавливалось реле включения звукового сигнала).3. — Перемычка (ранее устанавливалось реле включения электродвигателя вентилятора системы охлаждения). 4. — Пинцет для замены предохранителей.5. — Запасные предохранители.6. — Пинцет для замены релеЭлектрические цепи автомобиля ВАЗ 2107Предохранители:F1 (10А)электродвигатель отопителялампы света заднего ходасигнализатор и реле включения (обмотка реле) обогрева заднего стеклаF2 (10А)электродвигатель стеклоочистителяэлектродвигатель очистителей фарэлектродвигатели насосов омывателей ветрового стекла и фарF3(10А) резервныйF4(10А) резервныйF5(20А) элемент обогрева заднего стекла и реле его включения (контакты)F6 (10А)прикуривательчасыF7 (20А)звуковые сигналыреле сигналовреле (контакты) и электродвигатель вентилятора охлаждения радиатораF8 (10А)выключатель аварийной сигнализации с контрольной лампойреле-прерыватель указателей поворота и аварийной сигнализациилампа контроля указателей поворота (в режиме аварийной сигнализации)указатели поворота (в режиме аварийной сигнализации)F9 (7,5А)лампы задних противотуманных фонарей и их сигнализаторF10 (10А)указатели поворота (в режиме указания поворота)тахометр, вольтметрреле-прерыватель и сигнализатор указателей поворотасистема управления электропневмоклапаномуказатель и сигнализатор резерва топливауказатель температуры охлаждающей жидкостилампа контроля включения стояночного тормозалампа контроля аварийного состояния рабочей тормозной системылампа контроля заряда аккумуляторной батареилампа контроля закрытия воздушной заслонки карбюраторареле электровентилятора (обмотка)термовыключатель электровентилятораобмотка возбуждения генератораF11 (10А)плафон освещения салоналампы сигналов торможениялампа контроля непристегнутого ремня безопасности водителя (если имеется)F12 (7,5А)лампа дальнего света (правая фара)реле стеклоочистителей и омывателей фар (обмотка реле)F13 (10А)лампа дальнего света (левая фара)лампа контроля включения дальнего светаF14 (10А)лампа габаритного освещения (левая блок-фара)лампа габаритного освещения (правый фонарь)лампа фонарей освещения номерного знакаподкапотная лампалампа контроля включения наружного освещенияF15 (20А)лампа габаритного освещения (правая блок-фара)лампа габаритного освещения (левый фонарь)лампы освещения прикуривателя, приборов, бардачка, часовF16 (10А)ближний свет фар (правая блок-фара)реле стеклоочистителей и омывателей фар (обмотка реле)F17 (7,5А)ближний свет фар (левая блок-фара)
Проверка и замена реле Ваз 2107
Как и предохранители, лучше всего менять реле, когда земля отключена от аккумулятора. Стоит проверить работоспособность реле после проверки соответствующих предохранителей.
Реле легко вынимаются из корпусов. Начните проверку работоспособности реле с осмотра «ножек» (контактов). Если они окислились, их нужно очистить наждачной бумагой или ножом.
Есть два способа проверить, работает ли реле. Самый простой – заменить на новый, заведомо рабочий. Если впоследствии работа электроприбора восстанавливалась, старое реле было неисправным. Нет, мы должны искать причину.
также можно подать питание на катушку реле и с помощью омметра или омметра проверить, замыкаются ли (размыкаются) ли необходимые контакты. Неработающее реле необходимо заменить. Ремонт реле конструктивно не предусмотрен.
Блок предохранителей – важный компонент любого автомобиля, благодаря которому электрические цепи защищены от перегрузки по току и коротких замыканий. Автомобиль ВАЗ 2107 также комплектуется блоком предохранителей, с двумя образцами – старым и новым. Что это за устройство и каковы основные факторы, за которые оно отвечает, мы узнаем подробнее.

Неисправности генератора
1. Выход из строя предохранителя
Одной из возможных причин проблем с генератором ВАЗ 2107 инжектор является выход из строя предохранителя, отвечающего за его работу. Если предохранитель перегорает, генератор перестает работать, что может приводить к разрядке аккумулятора и остановке двигателя. В этом случае необходимо проверить предохранитель и при необходимости заменить его на новый.
2. Плохой контакт
Другой распространенной причиной проблем с генератором является плохой контакт, возникающий между разъемами и проводами, связанными с ним. Неплотное соединение может привести к недостаточному питанию генератора, что снижает его эффективность. Чтобы устранить эту проблему, необходимо проверить контакты и при необходимости прочистить их, а также устранить коррозию и перетянуть провода для обеспечения надежного контакта.
3. Повреждение ротора или статора
Еще одной возможной причиной проблем с генератором является повреждение его ротора или статора. При повреждении ротора или статора генератор может работать неправильно или вообще перестать функционировать. В этом случае требуется замена поврежденного элемента генератора.
4. Ослабление ремня привода
Если ремень привода генератора ослаблен, это может привести к недостаточному вращению ротора, что, в свою очередь, снижает эффективность генератора и может привести к его поломке. Проверьте натяжение ремня привода генератора и при необходимости подтяните его до рекомендуемой величины.
В случае обнаружения любых из описанных неисправностей генератора ВАЗ 2107 инжектор необходимо принять меры по их устранению. В случае сложностей или отсутствия опыта рекомендуется обратиться к специалистам для проведения диагностики и ремонта генератора.
Где находится реле ваз 2107 под капотом ?
Расшифровка обозначений на рисунке: 1 — 00001-0038318-01 — гайка М5 с зубчатым буртиком; 2 — 21100-3747210-20 (21100-3747210-23) — реле стартера; 3 — 21010-3726410-00 — втулка дистанционная; 4 — 21070-3747120-00 — кронштейн; 5 — 00001-0076711-01 — винт 4,9х12,7 самонарезающий; 6 — 00001-0026052-70 — стопорная шайба 5мм; 7 — 21140-3747610-00 (21140-3747610-01, 21140-3747610-02, 21140-3747610-03) — реле задних противотуманных огней; 8 — 21100-3747210-30 (21100-3747210-33) — релюшка системы впрыска; 9 — 21100-3747210-20 (21100-3747210-23) — релюха системы впрыска; 10 — 00001-0038321-01 — гайка М6 с зубчатым буртиком; 11 — 21050-3747210-21 (21050-3747210-22, 21050-3747210-23, 21050-3747210-28, 21050-3747210-58) — реле; 12 — 21050-3747010-01 (21050-3747010-02, 21050-3747010-03) — реле-прерыватель; 13 — 21010-5205150-00 (21010-5205150-01) — реле стеклоочистителя.




























