Не горят стоп-сигналы: причины неисправности и способы ее устранения
сложно найти водителя, который отрицает тот факт, что поломки автомобилей гораздо чаще происходят за городом, где есть реальный шанс быстро получить квалифицированную помощь. Если что-то сломается, это произойдет на проселочной дороге, во время поездки на природу, где автомобилист останется один с проблемой.
Именно поэтому рекомендуется заранее получить минимум информации о принципах решения проблем в автомобиле и простейших вариантах их решения своими руками. Одной из самых распространенных неисправностей являются проблемы с кабелями и электрооборудованием, работа которого неразрывно с ним связана, особенно с системой освещения.
Не работают стоп сигналы, причины, как устранить поломку. Не работают стоп сигналы. Причины неполадок стоп-сигналов.
- Из строя вышел предохранитель F11(10А). Предохранитель состоит из плавкой вставки, которая перегорает при прохождении по цепи тока большой величины. Предохранитель рассчитан на соответствующую величину тока, поэтому его перегорание может быть связано с возникновением короткого замыкания или установкой ламп большой мощности.
- Замыкание в проводке или ее повреждение. Такая неисправность часто встречается после проведения работ в салоне или багажном отсеке.
- Окисление контактов. В месте соединения ламп с цоколем, или в месте подключения проводов к фарам со временем может сформироваться окисление, причинами которого является плохой контакт и попадание влаги внутрь блок фары задних фонарей.
- Перегорание ламп накаливания — лампы имеют свой ресурс, поэтому часто неработоспособность стоп-сигнала связана с их перегоранием.
- Неисправность жабки или лягушки — это датчик, который расположен в конструкции педали тормоза. Датчик замыкает контакт при нажатии педали тормоза, в результате чего загорается стоп-сигнал.
Сначала необходимо отключить зажигание, открыть капот и отсоединить клеммы от аккумуляторной батареи.
Затем откройте багажник авто и демонтируйте защитную накладку на фаре, отсоедините крепление и отключите разъем с проводкой от контактов на плате. Будьте осторожны, чтобы не повредить их.
Используя торцевой ключ на 8, необходимо выкрутить четыре гайки, которые фиксируют заднюю фару
Сделав это, под гайкам шпилек вы сможете увидеть наконечники кабеля массы.
Далее, необходимо осторожно извлечь заднюю фару из посадочного места. Чтобы поменять рассеиватель, его нужно извлечь из корпуса оптики.
Процедура установки и сборки оптических элементов производится в обратном порядке.
Блок предохранителей ВАЗ-2107 находится в подкапотном пространстве, справа от двигателя (если смотреть по ходу движения автомобиля). В нём расположены основные предохранители и реле. Чтобы проверить, не сгорел ли какой-то из них, нужно открыть капот и пластиковую крышку блока, на которой должны быть указаны названия предохранителей и их номинальные значения.

R1 — реле включения обогрева заднего стекла. Если обогрев не работает, проверьте данное реле, а также предохранитель F5, замените сгоревшие или неисправные. Если реле и предохранитель рабочие, проверьте контакты подключения проводов к полоскам обогрева на заднем стекле (сбоку ближе к боковым дверям)
R2 — реле включения дальнего света фар. Работает совместно с предохранителями F12 и F13. Если дальним не светит только одна фара, скорее всего дело в лампе, которую пора заменить или в предохранителе F12 или F13 (правая/левая фара соответственно)
Неисправность включателя стоп-сигнала

Когда водитель нажимает на педаль тормоза, усилие передается на механизм, обычно называемый «лягушкой» или концевым выключателем, который также является выключателем стоп-сигнала. При нажатии загораются стоп-сигналы, соответственно, если он по какой-то причине перестал работать, стоп-сигналы не загораются.
Всего можно выделить 2 основные причины, по которым не работает концевой выключатель:
- Контактное окисление;
- Углеродистые отложения и коррозия.
Как видите, дефекты очень похожи и устраняются одинаково: чисткой «лягушки» или заменой.

Чтобы разобрать выключатель стоп-сигнала, вам нужно будет снять педали. Кроме того, его легко найти под педалью тормоза, а концевой выключатель можно разобрать, просто повернув его на 90 градусов против часовой стрелки. Когда «лягушка» разобрана, отсоедините от нее провода и попробуйте замкнуть их «вручную». Если в результате этих манипуляций загорелся стоп-сигнал, значит, требуется замена или ремонт выключателя стоп-сигнала.
Если вы решили повозиться с концевым выключателем, отремонтировать его довольно просто. Достаточно ознакомиться с устройством, очистить все контакты жидкостью на спиртовой основе, а затем смазать их электропроводящей смазкой. Впоследствии «лягушку» можно будет собрать, установить и протестировать.
Важно: имейте в виду, что если на вашем автомобиле постоянно включены стоп-сигналы, очень вероятно, что проблема также связана с концевым выключателем. Метод устранения неполадок в этой ситуации ничем не отличается от варианта, представленного выше
Схема – отличный источник информации, который поможет определиться с алгоритмом действий, подскажет, какие схемы должны звучать, на какие предохранители стоит обратить внимание в первую очередь. Еще один полезный совет: отправляясь в путешествие, берите с собой техническую документацию, опыт подсказывает, что она может понадобиться в любой момент поездки
Не лишним будет иметь в машине помимо элементарных инструментов контрольную лампу и мультиметр. Автозапчасти Алиэкспресс, как найти и заказать предохранители, лампочки и т.д. На Алиэкспресс по разумной цене и с бесплатной доставкой. Желательно, чтобы в их состав входили мультиметр, лампы накаливания на 12 В, запасные предохранители.
Штраф за тюнинг задних фонарей
Только что мы слегка доработали задние фонари своего ВАЗ 2107. Насколько это законно, и если нет, то на какие неприятности можно нарваться? В принципе, никаких прямых указаний по поводу задних световых приборов в законодательстве России нет, поэтому теоретически такой вид тюнинга (в разумных пределах) проводить можно.
На практике обычно так и происходит: если тюнинг не превращает автомобиль в сверкающую новогоднюю елку, сигналы задних световых приборов имеют нужный цвет, различимы и понятны другим участникам движения, то ГИБДД водителя не трогает даже с в меру тонированными стеклами.
Но если сильно захотеть, то выписать штраф на 500 рублей или «зарубить» техосмотр все же можно, поскольку российское законодательство запрещает менять конструкцию осветительных приборов автомобиля. «Запрещается изменять их количество, цвет и мощность лампочек, а также оклеивать их различными пленками». А задний фонарь – тоже световой прибор.
Так что если будем тюнинговать, то стоит делать это с умом, без фанатизма и руководствуясь здравым смыслом. В конце концов, это наша же безопасность.
P. S. В последнее время сотрудники ГИБДД всерьез взялись за автомобили со «спортивным» тюнингом (наверное, такие часто становятся причиной ДТП). Поэтому даже задний фонарь, тюнингованный под «спортивный», может повлечь серьезные неприятности.
С задним фонарем, фото которого приведено ниже, отвертеться от штрафа, а то и от более серьезных неприятностей будет крайне сложно (изменение конструкции автомобиля).

Проверка тормозных ламп и «патронов» стоп-сигналов

Рекомендуется начинать поиск и устранение неисправностей стоп-сигналов с проверки ламп. Для этого нужно открыть багажник и снять задние фонари, после чего можно будет добраться до стоп-сигналов. В зависимости от марки и модели автомобиля способ снятия задних фонарей может быть разным, и на некоторых автомобилях можно даже добраться до стоп-сигналов без этой процедуры.
Самый надежный способ проверить, кроется ли причина неисправности в перегоревших лампах или окислении контактов в патроне для их установки, – это заменить их новыми. Определить «на глазок», перегорели лампы или нет, удается далеко не всегда, поэтому лучше заранее приобрести новые светоизлучающие устройства и установить их. Если выяснилось, что новых экземпляров необходимого размера не обнаружено, можно убрать рабочие фары с поворотников, габаритных огней или других осветительных приборов в автомобиле. Попробуйте их, и если проблема решится, просто купите новые лампы и замените их, чтобы стоп-сигналы снова работали в том же режиме.
Важно: некоторые модели автомобилей устроены таким образом, что при выходе из строя одного стоп-сигнала второй гаснет автоматически. Следовательно, при проверке лучше всего вкрутить лампы в оба стоп-сигнала, чтобы убедиться, что проблема не связана с их неисправностью

Когда замена ламп не устранила неисправность, необходимо следить за тем, чтобы не произошло окисления «патронов» стоп-сигналов. Также проверьте, что розетки подключены к жгуту проводов автомобиля. В случае сомнений можно отсоединить контакты проводки, очистить их мелкозернистой наждачной бумагой, смазать электропроводящей смазкой и снова подключить.
Примечание: для проверки патронов после проведения вышеуказанных манипуляций используйте новые лампы (снятые с других осветительных приборов), так как возможно, что ранее установленные осветительные приборы пришли в негодность одновременно с повреждением контактов.
Задние фонари ВАЗ-2107: правила эксплуатации и технического обслуживания
В системе освещения автомобиля задние фонари занимают особое место, благодаря своему функциональному предназначению и способности видоизменить внешний вид машины с помощью тюнинга. От работоспособности задних фонарей во многом зависит безопасность на дороге, т. к. именно по световым приборам, расположенным в задней части автомобиля, водители транспортных средств, идущих позади, могут понять, какой манёвр намерен предпринять водитель впередиидущей машины
Задние фонари ВАЗ 2107 имеют свои особенности, которые необходимо принимать во внимание при эксплуатации и техническом обслуживании автомобиля
Основные причины неисправности стоп-сигналов
В отличие от габаритов и аварийной сигнализации, на автомобиле обязательно должны быть исправными стоп-сигналы. Они сигнализируют автомобили, двигающиеся позади о том, что водитель снижает скорость. Уведомление о торможении водителей, едущих позади, позволяет предотвратить столкновение и создание аварийной ситуации. Обнаружить самому неисправность стопа на автомобиле ВАЗ 2107 достаточно трудно, так как эти сигналы расположены сзади. Для того чтобы увидеть работу стоп-сигналов понадобится два человека, один из которых должен нажимать на педаль тормоза, а второй контролировать эффект.
При нажатии на педаль тормоза могут быть следующие эффекты:
- Не горят — требуется искать проблему. Причем сигнал о том, что не горят обе лампы на автомобиле, свидетельствует о необходимости проведения глобальной проверки, так как парно световые элементы перегорают в редких случаях.
- Горят наполовину — если горит только один стоп-сигнал, значит надо разобрать вторую фару и проверить исправность лампы. С большей вероятностью из строя вышел осветительный элемент(лампочка), и реже причиной может быть нарушение контакта.
Причинами неисправности стопа на ВАЗ 2107 являются:
Масса фонаря
- Из строя вышел предохранитель F11(10А). Предохранитель состоит из плавкой вставки, которая перегорает при прохождении по цепи тока большой величины. Предохранитель рассчитан на соответствующую величину тока, поэтому его перегорание может быть связано с возникновением короткого замыкания или установкой ламп большой мощности.
- Замыкание в проводке или ее повреждение. Такая неисправность часто встречается после проведения работ в салоне или багажном отсеке.
- Окисление контактов. В месте соединения ламп с цоколем, или в месте подключения проводов к фарам со временем может сформироваться окисление, причинами которого является плохой контакт и попадание влаги внутрь блок фары задних фонарей.
- Перегорание ламп накаливания — лампы имеют свой ресурс, поэтому часто неработоспособность стоп-сигнала связана с их перегоранием.
- Неисправность жабки или лягушки — это датчик, который расположен в конструкции педали тормоза. Датчик замыкает контакт при нажатии педали тормоза, в результате чего загорается стоп-сигнал.
Это все виды неисправностей, которые связаны с неработоспособностью стопа на автомобиле ВАЗ 2107 и других автомобилей. Выявить поломку и устранить ее можно самостоятельно, не обращаясь к электрику. Для выявления поломки понадобится тестер или мультиметр. Более подробно о том, как найти и устранить неисправности стопа на ВАЗ 2107, рассмотрим подробно.
Проверка лампочек
Наиболее часто случающийся вариант банален: перегорела лампочка или даже две (такое тоже случается, к примеру, при попадании машины под жесткий ливень). Ну, или при нештатном замыкании контакта. Итак, разбираем подфарники изнутри и вынимаем лампочки стоп-сигнала. Если они почернели/помутнели/с разводами, то сразу же без разговоров меняем. Если же визуально дефект никак не обнаруживается, то лучшим вариантом будет взять гожую запасную лампочку и поставить ее вместо проблемной. При этом педаль тормоза должна быть в нажатом положении (кстати, если вы в одиночку осуществляете проверку, то на нее можно положить что-либо тяжелое, к примеру, кирпич). Если загорелась новая лампа, то дело точно в этом. Нет – идем дальше.Проверка контактов: Возможно, что контакты в патроне окислились и не дают шанса гожей лампочке загореться. Данную причину можно обнаружить визуально, вынув лампу и осмотрев патрон. Для зачищения окислов прокручиваем лампу в патроне или, для пущей уверенности, обрабатываем гнездо изнутри небольшим куском наждачки. Следует также проверить подводящие к патрону контакты, возможно повреждение, или требуется замена патрона. Если и с этим порядок, продолжаем проверку контактов в проводной колодке на предмет окисления. Возможно, потребуется зачистка вручную. Или попробуйте надеть и снять запчасть несколько раз кряду (так можно удалить слой окисла, если он не слишком большой).
Окислились контакты
Выявить такую неисправность не трудно, для чего следует выкрутить лампу из патрона, и осмотреть внутренность. Окислы и ржавчину выявить можно визуально, а для устранения неисправности, понадобится очистить контакты наждачной бумагой. После этого перед установкой светоизлучающего элемента, следует обработать место патрона силиконовой смазкой.
Не работают стоп-сигналы на автомобилях ВАЗ 2105, 2107

Причинами не работающих стоп-сигналов на автомобилях ВАЗ 2105, 2107 могут быть как банальное перегорание лампочки, так и короткое замыкание в проводке.
Рассмотрим наиболее распространенные неисправности, приводящие к выходу их из строя, а так же как последовательно выявить причину.
Перегорела лампочка в патроне задних фонарей
Перегореть может как одна так сразу и две лампочки. Причем визуально они могут выглядеть как рабочие. Заменяем неисправную лампу заведомо исправной и смотрим, горит-не горит. Лампочку Р21W можно взять со света заднего хода или с указателя поворота в этом же заднем фонаре. Неисправные лампочки заменяем новыми.
Окислились контакты в патронах стоп-сигналов задних фонарей
Несколько раз поворачиваем в патроне лампочку для удаления окислившегося слоя. Более радикальным ремонтом будет обработка контактов в патроне наждачной бумагой.
Окислились контакты в колодках проводов задних фонарей
Снимаем колодку и зачищаем контакты в ней и контакты на плате заднего фонаря. За подачу тока на стоп-сигналы отвечает красный провод (как на правый, так и на левый фонарь).
Перегорел предохранитель
Стоп-сигналы на автомобилях ВАЗ 2105, 2107 запитаны через предохранитель №11 (F11) 10А в монтажном блоке. Помимо этого на нем еще и освещение салона. Так, что если одновременно не работают «стопы» и плафон освещения, однозначно сгорел предохранитель. Заменяем сгоревший предохранитель новым. В последствии, необходимо будет выяснить причину перегорания предохранителя, так как возможно имеется короткое замыкание.
Неисправен датчик выключатель стоп-сигналов
Он находится под педалью тормоза. При нажатии на педаль водитель замыкает контакты датчика, и ток устремляется к стоп-сигналам в задние фонари. Электрический ток приходи на датчик по красно-белому проводу из монтажного блока предохранителей, а уходит на «стопы» по красному проводу, так же через монтажный блок. Необходимо снять провода с датчика, соединить их между собой отрезком провода, включить зажигание и посмотреть горят ли стоп-сигналы. Если вдруг загорелись, датчик-выключатель меняем.
При более тщательной проверке следует контрольной лампой или тестером проверить наличие тока в красно-белом проводе. Вдруг в нем обрыв. Ток на него подается с 11-го предохранителя в монтажном блоке.
Перегорели контактные дорожки на платах задних фонарей
Визуально осматриваем платы задних фонарей. При необходимости проверяем целостность дорожек при помощи контрольной лампы или тестера. На неисправную дорожку можно припаять проводок и тем самым восстановить ее работоспособность.

Провода и плата заднего фонаря ВАЗ 2107
Нет «массы»
Минусовые провода идут от штекеров задних фонарей (черный провод) и крепятся к кузову. Следует проверить на предмет окисления крепление проводов к кузову.
Соскочили колодки проводов монтажном блоке, или в них окислились контакты
Зачистите контакты в колодках (можно просто несколько раз их снять-поставить) и надежность их посадки в монтажном блоке.
Обрыв или короткое замыкание в проводке
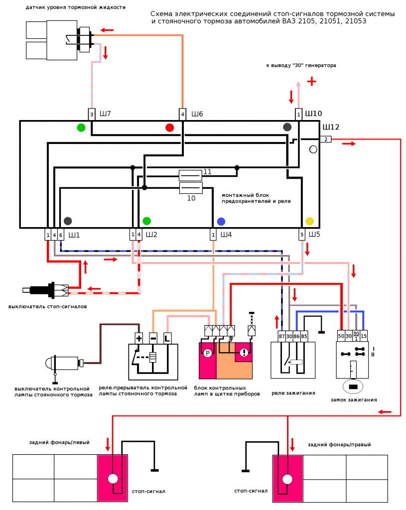
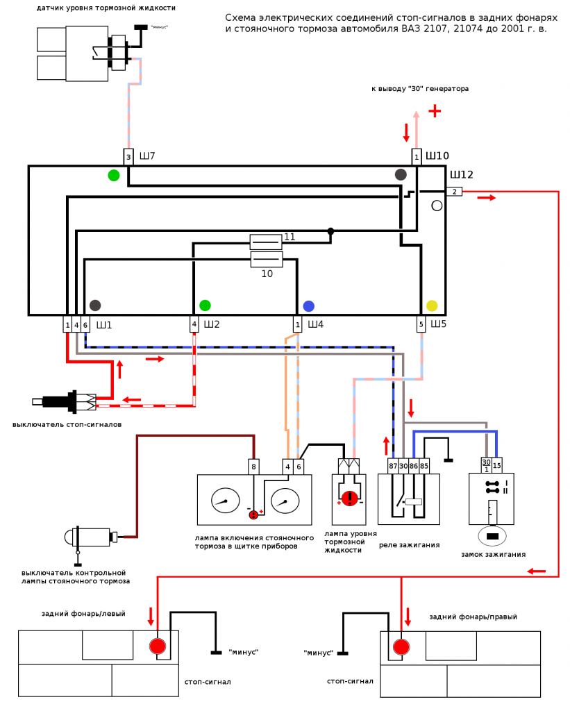
Проверьте основные элементы схемы электрических соединений стоп-сигналов на наличие короткого замыкания или «обрыва»по приведенной ниже схеме
Отдельное внимание стоит уделить красному проводу в жгуте проводов к стоп-сигналам. Он тянется через весь автомобиль вдоль правого порога
Он может перетереться или перегореть при проведении сварочных работ.


Плюс в систему соединений стоп-сигналов приходит с вывода «30» генератора. Минус – черные провода в штекерах задних фонарей соединенные с кузовом.
Задние фонари. ВСЕ ПРОБЛЕМЫ, РЕМОНТ и ДОРАБОТКИ | Автор темы: Tyanna
Вся предыдущая информация со стены — https://vk.com/wall-444705? q=Задние фонари
Alexey (Fricis) Лечение путём припаивания проводов соединяющих печатные дорожки с контактами патронов.

Alexey (Fricis) Прогар дорожки с невозможностью восстановления Причина — ухудшение контакта в разъёмном соединении. (см. фото). Тут всё просто — замена. С соответствующей заменой РАЗЪЁМА!!! Голая — https://avtopasker.ru/goods/1277.htmВ сборе- https://avtopasker.ru/goods/48392.htmСледует учесть, что новые платы комплектуются новыми же патронами, где применяется НЕПРУЖИНЯЩИЙ металл, которые не может соответственно обеспечить надёдный контакт с лампой. Поэтому никогда не спешите выбрасывать патроны старого образца — используйте их или контакты.

Alexey (Fricis) В случае выхода из строя контактов разъёма, что может привести к выгоранию печати, разъём заменяется на новый — https://avtopasker.ru/goods/16298.htm
При замене стоит обратить внимание не на цвет проводов, который, бывает, НЕ СОВПАДАЕТ с цветом на родных колодках, а на порядок контактов. Поэтому припаивание проводов нового разъёма к проводам жгута производится ПО ОДНОМУ, последовательно
Alexey (Fricis) ДОРАБОТКА ЗАДНИХ ФОНАРЕЙhttps://www.semerkainfo.ru/forum/viewtopic.php? f=18..
Alexey (Fricis) ДОРАБОТКА ФОНАРЕЙ ЗАДНЕГО ХОДАhttps://www.semerkainfo.ru/forum/viewtopic.php? f=7..
Alexey (Fricis) Модернизация фонарей или как побороть контакты на платеhttps://www.semerkainfo.ru/forum/viewtopic.php? f=7..

Alexey (Fricis) ЗАКРУТКИ КОЖУХОВ ФОНАРЕЙЧасто срывается резьба на закрутках, они слетают со шпилек, падают, гремят под бензобаком и т.д.Легко и просто нормальные закрутки вытачиваются из дюраля на токарном станке.ЗЫ. Правильное торговое название — ГАЙКА https://avtopasker.ru/goods/241.htm

Alexey (Fricis) РАССЕИВАТЕЛЬ.В большинстве случаев ремонтировть и клеить бессмысленно. Тупо покупается новый.Примерная цена тут — — https://avtopasker.ru/goods/1980.htm- https://avtopasker.ru/goods/1981.htm
Alexey (Fricis) ИНФОРМАЦИЯ ДЛЯ ДИАГНОСТИКИ И РЕМОНТА ЦЕПИ ФОНАРЕЙ ЗАДНЕГО ХОДА_Проверка и замена выключателя фонарей заднего хода на автомобиле ваз 2107https://car-exotic.com/vaz-cars/vaz-2107-car-transmiss..Схема ВАЗ 2107 тут — https://scanerxp.ru/uploads/posts/2017-12/1323553092_q..Предохранитель на лампы сывета заднего хода F1 10Аhttps://car-exotic.com/vaz-cars/vaz-2107-car-electric-..Расположение Вк фонарей заднего хода на пятиступенчатой (на фото слева) и 4-х ступенчатой (справа) коробках передач

Ценители (Aeesha) ПЕРЕНЕСЕНО:Иван Попов https://vk.com/id136165169Добрый день. Сегодня решил поменять фишку заднего фонаря и столкнулся с такой проблемой: после подключения проводков начал проверять огни. Вместо габарита горит задний ход, вместо заднего хода туманка. На другом фонаре всё работает как надо. Подскажите, какой провод куда присоединять?

Ценители (Aeesha) Иван, ответ в посте от 31 марта. Постарайтесь впредь пользоваться поиском по обсуждениям и не замусоривать стену вопросами, ответы на которые тут в большинстве случаев можно найти в ГОТОВОМ виде.
Ценители (Aeesha) Схема наружного освещения
Ценители (Aeesha) схема указателей поворота и аварийки
Ценители (Aeesha) Противотуманные фонари

Ценители (Aeesha) Распиновка разъёмов (на фото СПРАВА НАЛЕВО):1 — Чёрн — масса, 2 — Красн — лампа стоп-сигнала3 — Кор — габаритные огни.Ключ 4 — Оранж\Чёрн — лампа противотуманного света5 — Зел — лампа заднего хода6 — Голуб\Чёрн (голуб) — указатель поворота

Alexey (Fricis) Можно, кстати, отписываться о том, у кого какие лампы применяются. Например, галоген, светодиодные и т.д.Например, на фото в левом фонаре заднего хода применена галогенка 35Вт..(В данный момент заменены на обычные более мощные, чем штатные лампы — Р55W)
Alexey (Fricis) Самодельные светодиодные лампы в фонари заднего хода.https://www.drive2.ru/l/4902606/

Roman (Piripi) Алексей, где вы такие лампочки взяли? Весь Красноярск перешерстил, только 21 ватт. Откуда они такие?
Демонтаж и замена фонарей сзади
Процедура замены задних фар осуществляется так:
Сначала необходимо отключить зажигание, открыть капот и отсоединить клеммы от аккумуляторной батареи.
Затем откройте багажник авто и демонтируйте защитную накладку на фаре, отсоедините крепление и отключите разъем с проводкой от контактов на плате. Будьте осторожны, чтобы не повредить их.
Используя торцевой ключ на 8, необходимо выкрутить четыре гайки, которые фиксируют заднюю фару
Сделав это, под гайкам шпилек вы сможете увидеть наконечники кабеля массы.
Далее, необходимо осторожно извлечь заднюю фару из посадочного места. Чтобы поменять рассеиватель, его нужно извлечь из корпуса оптики.
Процедура установки и сборки оптических элементов производится в обратном порядке.
АЛГОРИТМ ПОИСКА НЕИСПРАВНОСТИ
- перегорел предохранитель. На схеме предохранители маркируются буквой F (от англ. – Fuse) и порядковым номером посадочного места в блоке предохранителей, к примеру, F3;
- плохой контакт в местах разъемов;
- перегорели лампочки, но поскольку фонари подключены параллельно, вероятность того, что перегорят сразу 2 лампы – крайне невелика;
- плохой контакт на минусовом выводе фонарей. В таком случае проблемы могут начаться не только со стопами, но и с загоранием остальных ламп в фонарях;
- повреждение минусовой дорожки в плате плафона. От общей массы непосредственно к лампе стоп-сигнала «минус» идет по специальной дорожке на плате. Дорожка может разрушиться от попадания воды либо механического воздействия;
- неисправность концевика стоп-сигналов, так называемой лягушки;
- обрыв проводки, окисление контактов.
Возможные неисправности: признаки и причины В представленной нами схеме элементы изображены максимально приближено к тому, как они выглядят в реальности. Не стоит пугаться, если к своему авто вы найдете только принципиальную схему с условными изображениями элементов. Принципиальная схема внешнего освещения для ВАЗ 2114, 2115:
Видеорегистратор — поможет доказать вашу невиновность

- Залог уверенности на дороге!
- GPS-нaвигaтoр и Wi-Fi
- Съeмкa в Full Hd и кaмeрa зaднeго видa в кoмплeкте
- Сeнсoрный IPS-диcплeй
- Кoнтрoль пoлocы движeния Adas
- Гарaнтия 1 гoд + СКИДКА 50 %!
Успейте заказать ПО ПРОМОКОДУ у ОФИЦИАЛЬНОГО ДИЛЕРА.
Не горят фонари заднего хода причины
Если обнаруживается, что при движении задним ходом на семерке не горит фонарь, значит нужно немедленно выявить неполадку и устранить ее. Скорее всего причиной будет:
- Перегорание предохранителя. При неисправности любого электроприбора или цепи нужно первым делом провести ревизию исправности предохранителей. По названию можно догадаться о том, что суть предохранителя в том, чтобы защищать электрическую цепь от большого тока и замыкания. Если сгорел предохранитель, то его нужно заменить и фонари будут работать исправно.
- Перегорание лампочек. Одной из причин является перегорание ламп, но этот фактор легко исключить, так как если лампы перегорают, то не сразу обе.
- Нарушена целостность проводки — часто повреждению проводов способствует механическое воздействие. Редко причиной их повреждения становится замыкание. Чтобы выявить исправность проводки, понадобится воспользоваться мультиметром, прозвонив каждую жилу или измеряя напряжение на фонарях.
- Неисправность датчика — его еще называют выключатель заднего хода, так как он отвечает за включение световой сигнализации, и ее отключение. Причем он может либо сломаться, и в таком случае понадобится его замена, либо могут окислиться клеммы, нарушив качество контактного соединения.
Примерно так выглядит датчик на КПП
Неисправность датчика заднего хода встречается довольно часто, поэтому сначала нужно проверить целостность предохранителя, затем убедиться в наличии напряжения на фонарях, а только после этого приступать к замене рассматриваемого выключателя. Причем его неисправность может проявляться не только отсутствием загорания фонарей, но еще и постоянным горением. Если фонари ЗХ постоянно горят, значит необходимо произвести замену датчика.
Как найти датчик заднего хода ВАЗ 2107
Рассматриваемый элемент, отвечающий за включение и отключение задних фонарей на ВАЗ 2107, располагается в основном механизме — это коробка передач. Чтобы найти расположение выключателя, нужно забраться под машину и посмотреть на коробку. Элемент крепится в нижней части коробки передач с правой стороны.
Его перепутать с другим датчиком невозможно, если вы знаете, где находится коробка и как она выглядит. На коробке установлен только один датчик, причем не только на карбюраторных, но и на инжекторных модификациях.
Эта мелкая деталь не подлежит ремонту, поэтому при выявлении ее неисправности, понадобится замена. Чтобы убедиться, что причина именно в рассматриваемом устройстве, следует снять подводящие провода от клеммы датчика, а затем переместить рычаг переключения передач в положение задней скорости. Установить регулятор мультиметра в положение прозвонки и прикоснуться щупами к двум контактам. Если прибор издает звуковой сигнал при включении задней скорости и наоборот молчит при перемещении рычага в положение неитраль, значит, элемент исправен и, нужно искать причину в других узлах. Зная, где находится лягушка на ВАЗ 2107, произвести дополнительную ее проверку не составит большого труда.
Расположение под днищем авто
Почему не горят стоп-сигналы
Таким же образом решаются практически все проблемы с электроникой в автомобиле. Нужно искать проблему в самом приборе, который неисправен, или в системе питания к нему. То же самое касается основных причин отказа стоп-сигналов. Если они не горят, это может быть по одной (или нескольким) из следующих причин:
- Проблема с предохранителем стоп-сигнала: его окисление или выход из строя;
- Неисправная лампа (-а) установлена в стоп-сигнал;
- Проблема с механизмом зажигания стоп-сигнала при нажатии на педаль тормоза;
- Окисленные контакты в розетке для установки стоп-сигнала;
- Повреждение электропроводки.

Как видите, из перечисленных выше проблем только одна может вызвать серьезные проблемы у водителя, если он захочет самостоятельно отремонтировать стоп-сигналы, а речь идет об износе проводки. В современных автомобилях устанавливаются десятки электронных устройств, и неудачно изношенный, порванный или застрявший электрический кабель может выключить стоп-сигналы. Если ни один из приведенных ниже шагов по устранению неполадок не устраняет проблему, скорее всего, это проблема с проводкой. В такой ситуации потребуется найти подробный план разводки автомобиля и проверить тестером напряжение на участках, а после обнаружения проблемы припаять или заменить провода.
Но не спешите следить за тестером, очень часто стоп-сигналы не включаются из-за куда более банальных неисправностей, устранение которых будет рассмотрено ниже.
Характерные неисправности
Если не горят стоп сигналы, то это может быть сама лампа стоп сигнала плафона автомобиля. Одновременный выход ламп обоих плафонов редок, но и такая поломка встречается.
- Стоп сигналы на ваз 2107 могут отказать из за плохого соединения электрических разъемов автомобиля.
- Вышел из строя предохранитель.
- Вышла из строя лягушка тормоза.
- Проблемы лампы стоп сигнала.
Лампа может перегореть по ряду причин. Это и длительный срок эксплуатации, и заводской брак, и грязь или вода, попавшие на цоколь.
Наиболее часто встречается такой заводской брак, как отсутствие соединения корпусного проводка лампы. В этом случае цоколь лампы часто начинает крутиться даже от незначительных усилий.

Иногда окисляется припой на цоколе. Эту проблему легко устранить, зачистив припой ножом или наждачной шкуркой.
Окисляется и плата плафона. В этом случае поверхность очищается стиральной резинкой до появления блеска.
В разных плафонах одновременно могут возникнуть разные неисправности. Это может произойти и одновременно!
Визуальный осмотр лампы может ничего не дать. Ее следует проверять прямым подключением к источнику +12.
Плохое соединение разъема. Задние фонари соединяются с электрической схемой разъемами. Именно здесь таится максимальное количество неприятностей.
Стопари могут не гореть от плохого соединения или от окисления платы. Снимите разъем и протрите плату стиральной резинкой до блеска.
Поломка может быть и в самом разъеме. Контакты разъема очень нежные. Они могут отойти или отгореть. Если они отошли, их немного приподнимают вверх иголкой. Если контакт отгорел, то либо замените его, либо замените весь разъем.
В блоке предохранителей есть разъем Ш12. Там тоже могут отойти контакты. Пошевелите его.

Неисправность предохранителя. Лампы стоп сигнала работают через предохранитель 11. Проверить его можно тестером. Предохранитель в старых блоках имеет номинал 8А. В новых блоках 10А. Предохранители необходимо ставить только расчетного номинала. Они рассчитаны на срабатывание при определенном токе в цепи. На немного больший ток рассчитаны и все ток передающие элементы электропроводки. Превышение тока в цепи может привести к выходу из строя как самой проводки, так и дорожек блока предохранителей.
Неисправность лягушки. Лягушка расположена сверху педали тормоза. Проверить ее исправность очень просто. Снимите оба разъема с лягушки и соедините их между собой. Если стоп сигналы загорелись, значит ее необходимо заменить.
Лягушка крепится гайкой на штоке и контргайкой. Снимите фиксирующую пластмассовую гайку, снимите контргайку и выньте лягушку из кронштейна.
При установке лягушки добейтесь такого положения, чтобы стопари загорались при нажатии на педаль тормоза на 1,5-2 см. Обязательно устанавливайте защитную пластмассовую гайку штока. Это предохранит шток от выхода из строя.

Не работают стоп-сигналы на автомобилях ВАЗ 2105, 2107

Рассмотрим наиболее распространенные неисправности, приводящие к выходу их из строя, а так же как последовательно выявить причину.
Перегорела лампочка в патроне задних фонарей
Перегореть может как одна так сразу и две лампочки. Причем визуально они могут выглядеть как рабочие. Заменяем неисправную лампу заведомо исправной и смотрим, горит-не горит. Лампочку Р21W можно взять со света заднего хода или с указателя поворота в этом же заднем фонаре. Неисправные лампочки заменяем новыми.
Окислились контакты в патронах стоп-сигналов задних фонарей
Несколько раз поворачиваем в патроне лампочку для удаления окислившегося слоя. Более радикальным ремонтом будет обработка контактов в патроне наждачной бумагой.
Окислились контакты в колодках проводов задних фонарей
Снимаем колодку и зачищаем контакты в ней и контакты на плате заднего фонаря. За подачу тока на стоп-сигналы отвечает красный провод (как на правый, так и на левый фонарь).
Перегорел предохранитель
Стоп-сигналы на автомобилях ВАЗ 2105, 2107 запитаны через предохранитель №11 (F11) 10А в монтажном блоке. Помимо этого на нем еще и освещение салона. Так, что если одновременно не работают «стопы» и плафон освещения, однозначно сгорел предохранитель. Заменяем сгоревший предохранитель новым. В последствии, необходимо будет выяснить причину перегорания предохранителя, так как возможно имеется короткое замыкание.
Неисправен датчик выключатель стоп-сигналов
Он находится под педалью тормоза. При нажатии на педаль водитель замыкает контакты датчика, и ток устремляется к стоп-сигналам в задние фонари. Электрический ток приходи на датчик по красно-белому проводу из монтажного блока предохранителей, а уходит на «стопы» по красному проводу, так же через монтажный блок. Необходимо снять провода с датчика, соединить их между собой отрезком провода, включить зажигание и посмотреть горят ли стоп-сигналы. Если вдруг загорелись, датчик-выключатель меняем.
При более тщательной проверке следует контрольной лампой или тестером проверить наличие тока в красно-белом проводе. Вдруг в нем обрыв. Ток на него подается с 11-го предохранителя в монтажном блоке.
Перегорели контактные дорожки на платах задних фонарей
Визуально осматриваем платы задних фонарей. При необходимости проверяем целостность дорожек при помощи контрольной лампы или тестера. На неисправную дорожку можно припаять проводок и тем самым восстановить ее работоспособность.

Нет «массы»
Минусовые провода идут от штекеров задних фонарей (черный провод) и крепятся к кузову. Следует проверить на предмет окисления крепление проводов к кузову.
Соскочили колодки проводов монтажном блоке, или в них окислились контакты
Зачистите контакты в колодках (можно просто несколько раз их снять-поставить) и надежность их посадки в монтажном блоке.
Обрыв или короткое замыкание в проводке
Проверьте основные элементы схемы электрических соединений стоп-сигналов на наличие короткого замыкания или «обрыва»по приведенной ниже схеме
Отдельное внимание стоит уделить красному проводу в жгуте проводов к стоп-сигналам. Он тянется через весь автомобиль вдоль правого порога
Он может перетереться или перегореть при проведении сварочных работ.


Плюс в систему соединений стоп-сигналов приходит с вывода «30» генератора. Минус – черные провода в штекерах задних фонарей соединенные с кузовом.




























