Нормы соответствия поршней и цилиндров
Прежде всего, занявшись ремонтом поршневой группы, вы должны знать, что существуют группы диаметров поршней, и таблицы номинальных размеров цилиндров и поршней. Именно на эту информацию и нужно ориентироваться в дальнейшем.
Диаметр поршней классифицируется по наружному диаметру на 5-ть классов: A, B, C, D, E через каждые 0,01 мм размера. Плюс категории по диаметру отверстия под поршневой палец через каждые 0,004 мм. Эти данные в виде цифры (категория отверстия) и буквы (класс поршня) маркируются на днище поршня.

Существуют расчетные нормы, которым должен соответствовать зазор между поршнем и цилиндром. Для новых деталей он должен быть 0,05 – 0,07 мм. Для бывших в эксплуатации деталей зазор между поршнем и цилиндром не должен превышать 0,15 мм.
Собственно для того и осуществляется промер зазора между поршнем и цилиндром. Чтобы либо приобрести поршни именно того класса, что и цилиндры. В случае если у эксплуатируемого двигателя зазор между поршнем и цилиндром превысил 0, 15 мм, то вам необходимо приступать к подбору поршней к цилиндрам, с максимальным приближением к расчетному размеру.
Предварительно должна производиться расточка цилиндров максимально приближенная к ближайшему по значению ремонтному размеру. Плюс нужно не забыть оставить припуск примерно в 0,03 мм для хонингования поверхности цилиндра после расточки. А вот теперь можно и за поршнями.

При хонинговке необходимо выдерживать диаметр, чтобы при установке поршня зазор соответствовал допустимой максимальной цифре зазора новых деталей – 0,045 мм.
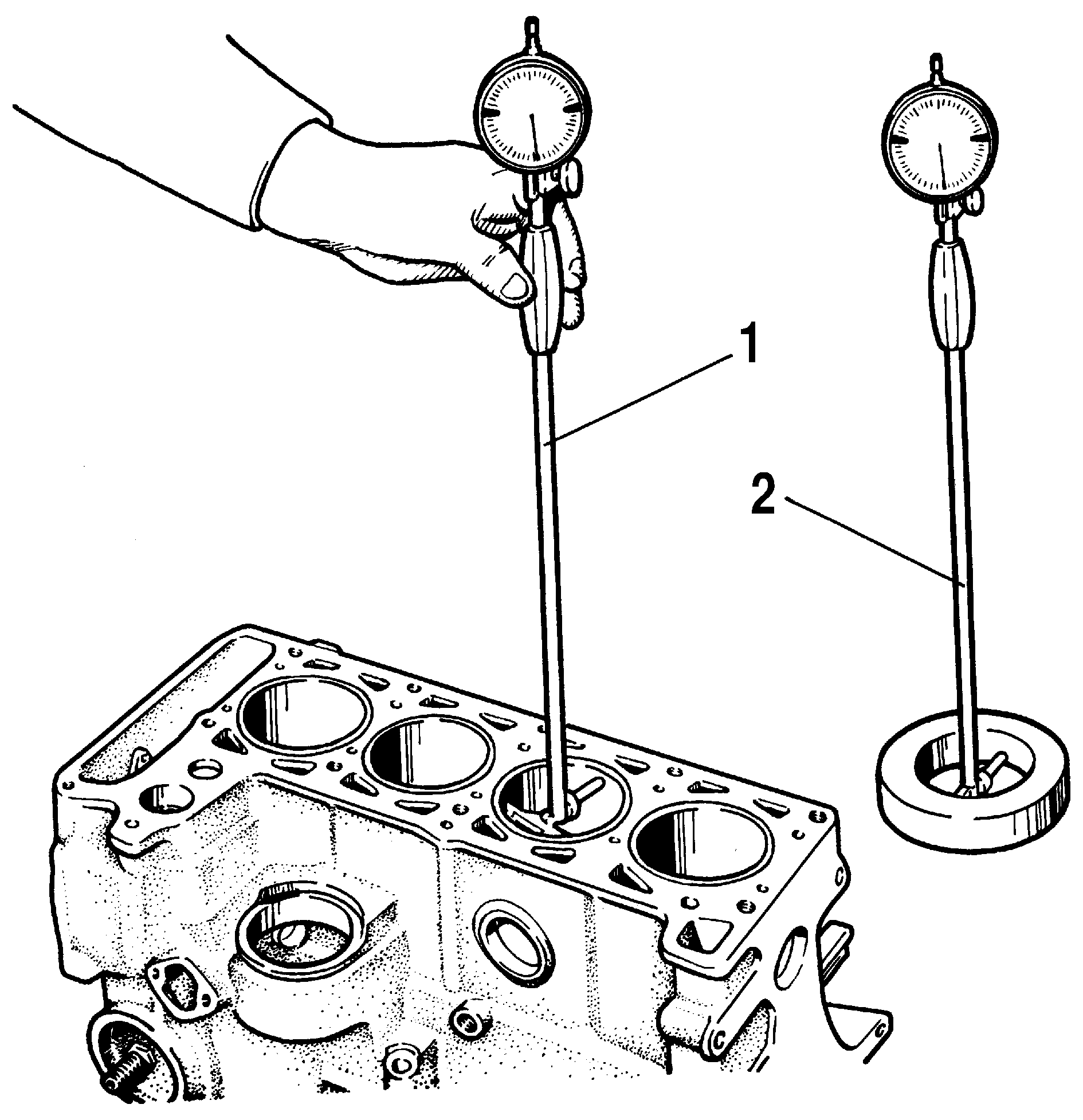
Поршни измеряются микрометром, а цилиндры нутромером. Диаметр цилиндра измеряют в четырёх поясах и двух перпендикулярных плоскостях.

Подбирая поршни к цилиндрам, помимо номинального либо ремонтного размера, нужно обязательно учитывать массу поршней. Она бывает нормальная, увеличенная или уменьшенная на 5 грамм. К поршням ремонтной группы, кроме всего, подбираются ремонтные кольца, тоже ремонтных размеров.
Определившись с зазором между поршнем и цилиндром, вы легко подберете нудные размеры, и после проведенной расточки цилиндра (по необходимости) установите поршень.
Удачи вам при определении зазора между поршнем и цилиндром.
Процесс перекладки поршней
Перекладка поршней – это процесс замены поршней и колец на новые. Этот процесс является одним из важных этапов, необходимых для того, чтобы двигатель работал без сбоев и неисправностей. Поврежденные поршни и колечки могут привести к снижению мощности двигателя или даже его поломке.
Перед началом перекладки поршней необходимо снять старые поршни и определить причину их выхода из строя. Затем необходимо произвести полную диагностику двигателя, чтобы найти другие неисправности, которые могут привести к поломке.
При перекладке поршней необходимо выбрать подходящую запчасть в зависимости от модели двигателя. Однако, не стоит экономить на качестве запчастей, чтобы они служили как можно дольше.
После выбора запчастей, необходимо их установить на место, уделяя внимание креплению каждого элемента. Для минимизации ошибок следует следовать инструкциям производителя
После установки новых поршней необходимо провести тестирование двигателя для проверки его работоспособности. При установке новых поршней не стоит забывать о регулярном техническом обслуживании двигателя, чтобы он работал как можно дольше и надежнее.
- Для успешной перекладки поршней необходимо:
- Снять старые поршни и определить причину их выхода из строя;
- Произвести диагностику двигателя на наличие других неисправностей;
- Выбрать качественную запчасть подходящую для модели двигателя;
- Установить новые поршни согласно инструкциям производителя;
- Провести тестирование двигателя и обеспечить регулярное техническое обслуживание для продления срока его службы.
2.4.2. Измерение диаметров цилиндров
Для измерения диаметров цилиндров необходим индикаторный нутромер, с помощью которого можно получить замеры с середины и основания цилиндров. При его отсутствии проведение указанных работ невозможно. Использование индикаторного нутромера, предназначенного для измерения диаметров цилиндров, дело довольно непростое, поэтому рекомендуется доставить разобранный блок цилиндров для измерений в ремонтную мастерскую. Там быстро установят степень износа блока цилиндров. Прошедший расточку блок цилиндров поставляют вместе с поршнями, которые в этом случае маркируются в соответствии с нумерацией цилиндров.
Измерения диаметров цилиндров проводятся в продольном и поперечном направлениях (рис. 65). Кроме этого измерять диаметры также надо на расстоянии 10 мм от верхней кромки, 10 мм от нижней кромки и один раз в середине. В общей сложности на диаметр каждого цилиндра приходится по шесть измерений. Все полученные значения записываются и сравниваются с техническими данными (см. прил.).
|
Рис. 65. Измерение диаметра цилиндра с помощью стрелочного индикатора |
|
Рис. 67. Измерение диаметра поршня (на расстоянии 10 мм от нижней кромки юбки поршня) |
Следует помнить, что расточка и хонингование должны проводиться на всех цилиндрах. Допускается отклонение от номинальных размеров, равное 0,04 мм. Поршни ремонтных размеров можно получить в соответствии с размерами, указанными в «Технических данных». В общей сложности это три размера. Окончательно диаметр цилиндра определяется по результатам измерения поршня (рис. 67): на расстоянии 10 мм от нижней кромки юбки поршня и под прямым углом к отверстию под поршневой палец. Если у одного поршня отклонение от основного размера превышает 0,04 мм, то блок цилиндров надо расточить и хонинговать.
Для проверки зазора измерить поршень и диаметр цилиндра, как описано, и определить разность размеров на цилиндр. Если результат превышает 0,07 мм, то цилиндры надо расточить и хонинговать, так как он достиг предельного износа.
Определение показаний прибора
Указателем при отсчете по шкале 2 стебля служит торец барабана, а продольный штрих 1 является указателем для круговой шкалы 3. Пронумерованная шкала стебля показывает количество миллиметров, а его дополнительная шкала служит для подсчета половин миллиметров.

Отметим последний полностью открытый барабаном штрих миллиметровой шкалы стебля. Его значение составляет целое число миллиметров, и на рисунке он обозначен зеленым цветом. Если правее этого штриха имеется открытый штрих дополнительной шкалы (выделен голубым), нужно прибавить 0,5 мм к полученному значению.
При отсчете показаний круговой шкалы 3 в расчет берут то её значение, которое совпадает с продольным штрихом 1. Таким образом, на верхнем изображении показания прибора составляют:
- 16 + 0,22 = 16,22 мм.
- 17 + 0,5 + 0,25 = 17,75 мм.
Распространенной ошибкой является случай, когда неверно учитывают (или не учитывают) величину 0,5 мм. Это связано с тем, что ближайший к барабану штрих дополнительной шкалы может быть открыт частично. При необходимости проверьте себя с помощью штангенциркуля.
После замены поршней
После замены поршней рекомендуется провести обкатку двигателя. Это необходимо для того, чтобы новые поршни и другие детали в сборке нашли своё взаимодействие и стали работать более эффективно.
Обкатку следует производить на средних оборотах. При этом необходимо избегать резких ускорений и торможений, а также длительной работы на максимальных оборотах.
После обкатки необходимо произвести повторный осмотр деталей двигателя и проверить уровень масла.
Рекомендуется также заменить фильтр масла и воздушный фильтр, чтобы обеспечить оптимальную работу двигателя.
Если при замене поршней был демонтирован головка блока цилиндров, то необходимо произвести замену прокладок головки и проверить герметичность системы охлаждения.
Для продления срока эксплуатации двигателя рекомендуется следить за уровнем масла, не допускать перегрева двигателя и производить своевременную замену расходных материалов.
Количество колец: нужно ли ограничиваться двумя?
Два кольца позволяют достичь эффективности и надежности работы двигателя. Верхнее кольцо отвечает за прогон масла и улучшение смазки цилиндра, а нижнее кольцо предотвращает просачивание сжатого воздуха и газов в картер двигателя.
Однако, некоторые производители предлагают поршни с дополнительными кольцами. Например, наличие третьего кольца может улучшить герметичность цилиндра и предотвратить просачивание смеси в картер. Также увеличение количества колец может улучшить сжатие и повысить мощность двигателя.
Но стоит отметить, что использование большего количества колец может повысить трение, что в свою очередь может негативно сказаться на ресурсе поршневой системы и снизить производительность двигателя. Также увеличение количества колец может увеличить вес поршня, что влияет на баланс двигателя и может вызвать вибрацию.
Итак, при выборе количества колец на поршне необходимо учитывать требования двигателя, его параметры и применение. В большинстве случаев, два кольца являются оптимальным выбором, обеспечивая надежность, эффективность и долговечность работы двигателя.
Важно помнить, что при выборе поршня рекомендуется обращаться к производителю двигателя или использовать консультацию специалиста, чтобы получить более точную информацию о подходящем количестве колец для данного двигателя
Принцип действия микрометрического штихмаса
Инструмент помещают внутрь измеряемого отверстия. Начинают вращать барабан. Он соединён с измерительным наконечником, который под воздействием барабана выдвигается, пока не упрётся в стенку измеряемого отверстия. Если же сразу размер штихмаса был больше измеряемого расстояния, то наконечник ввинчивается внутрь, пока прибор не поместится в нём.
Но размеры стебля прибора ограничены. Чтобы измерить отверстие, длина которого превышает длину нутромера, используют удлинители. Они имеют постоянный размер. Он обозначен на внешней поверхности прибора. В каждом комплекте для измерения штихмасом есть несколько удлинителей разной длины.

Виды штихмасов
Общепринятой классификации штихмасов нет. Поэтому их разделяют на группы по способу измерений. Микрометрические и индикаторные имеют разные методы замеров.
Микрометрический измеряет реальную длину.
Индикаторные сравнивают шаблон и реальный размер. Штихмас настраивают на конкретный размер. Потом определяют насколько реальное значение отличается от этого показателя.
Штихмасы имеют разные отсчётные устройства и способы передачи. Разными могут быть формы поверхностей, которые помогают измерять.
Измерительные поверхности трёхточечного штихмаса расположены под углом 120° друг к другу. Это позволяет проводить минимальное количество замеров для определения линейных характеристик детали. Информацию о размере берут на цифровой шкале нутромера.
Сферический штихмас – это инструмент, измерительные поверхности которого находятся на одной сфере. Максимальная длина 1000 мм. Он относится к двухточечным. Для измерений нужно сделать больше замеров, чем трехточечным.
Штихмасом цанговым (шариковым) измеряют небольшие отверстия, которые не под силу измерить микрометрическим (диаметр от 0,95 до 18 мм). Снабжён комплектом головок разных типов. Для измерения головку нужного размера и формы вводят в отверстие, внутренняя игла смещается вдоль оси, цанги прижимаются к его стенкам.
Самым точным, удобным и дорогим является электронный штихмас.

Расточка цилиндров и замена поршней
О том, что расточка цилиндров и замена поршней необходима, свидетельствует снижение компрессии, увеличенный расход масла и уменьшение мощностных и динамических показателей автомобиля. И если капитального ремонта не избежать, то его лучше совместить с мероприятиями по увеличению объема двигателя. Причем, дополнительных затрат на такой тюнинг не потребуется.
На заметку! Если сборку и разборку силового агрегата вы сможете произвести самостоятельно (естественно, имея соответствующие навыки в проведении таких работ), то саму расточку вы вряд ли сделаете, так как ее проводят с использованием специальных станков на станциях техобслуживания или в ремонтных организациях.
Очень часто завод-изготовитель транспортного средства выпускает и специальные поршни ремонтных размеров, которые можно приобрести в магазинах автозапчастей. Например, для проведения первого ремонта двигателя классического ВАЗ-2103 (стандартный диаметр поршня составляет 76 мм) понадобится изделие Ø=76,4 мм, а для второго уже 76,8 мм. Подобная замена, естественно, не приведет к увеличению объема двигателя. Об этом свидетельствуют следующие расчеты:
V=4×(S×H), где S=π×R² – площадь поршня, R – его радиус, H – ход.
Тогда рабочий объем заводского мотора будет равен: V=4×(3,14×3,8²×8)=1451 см³, а после первого капитального ремонта: V=4×(3,14×3,82²×8)=1466см³. То есть, практически, ничего не поменялось.
Но, если расточить цилиндры под установку поршней от ВАЗ-21011, которые имеют больший диаметр (79 мм), то получаем двигатель с рабочим объемом: V=4×(3,14×3,95²×8)=1568 см³. То есть, увеличение составляет более чем 100 см³ (а это уже дает существенный прирост мощности – дополнительные 4÷5 лс).
Важно! Растачивать же блок двигателя от ВАЗ-2103 до размеров поршней с Ø=82 мм нельзя, так как это приведет к критическому снижению толщины стенок цилиндров

Разнообразие продукции СТК
На самом деле все не ограничивается только лишь Приорами, Калинами и ГАЗами. Компания СТК изготовила множество групп поршней для самых различных машин.
На сегодняшний день Самара Трейдинг предлагает поршни для:
- Поршни ВАЗ;
- Поршни ОКА;
- Поршни ГАЗ;
- Поршни ЗИЛ, УРАЛ;
- Поршни Lada, в том числе Lada Largus;
- Поршни Снегоход Буран;
- Поршни Volkswagen;
- Поршни Opel;
- Поршни Ford;
- Специальные спортивные поршневые комплекты.
Если подходить к вопросу более практично и классифицировать поршни не по моделям и маркам, а по их размерам (диаметрам и ходам), то СТК готово предложить поршни фактически для всех автомобилей.
Поршни СТК для автомобилей ВАЗ подходят для таких машин как:
- ВАЗ-2101, 2103
- ВАЗ-21011, 2106
- ВАЗ-2105
- ВАЗ-2108, 21081 (об. 1100 кб. см.)
- ВАЗ-21083
- ВАЗ-21213
- ВАЗ-2110 и его модификации. 21083 (при замене шатуна на шатун от ВАЗ-2110)
- ВАЗ-2112
- ВАЗ-21124
- ВАЗ-21126 «Приора-ЭКСПОРТ»
- ВАЗ-11194 «Калина-ЭКСПОРТ»
- ВАЗ-21116 «Гранта-ЭКСПОРТ»
- ВАЗ-21179 «ЭКСПОРТ»
- ВАЗ-21126 «Приора»
- ВАЗ-11194 «Калина»
- ВАЗ-21116 «Гранта»
- Лада Ларгус
Поршни СТК для автомобилей ОКА, ГАЗ, Буран, ПАЗ и УАЗ:
- ОКА-1111
- ГАЗ-406
- ГАЗ-405 Евро 2
- ГАЗ-405
- ГАЗ-405 Евро 3
- ГАЗ-409 Евро 2
- ГАЗ-409 Евро 3
- ПАЗ-523
- ГАЗ-402
- ГАЗ-410
- УАЗ-274
- Поршень Снегоход Буран, диаметр D=76,0 мм.
Поршни СТК для автомобилей ЗИЛ и УРАЛ:
- ЗИЛ-130 и его модификации (диаметр изделия: 100 мм.)
- ЗИЛ-375,»УРАЛ» (диаметр изделия: 108 мм.)
Поршни СТК для автомобилей Volkswagen:
- Volkswagen 1,8 S и его модификации (диаметры: 81,0; 81,5; 82,0 мм.)
- Volkswagen 1,8 N и его модификации (диаметры 81,0; 81,5; 82,0 мм.)
- Volkswagen 1,6л и его модификации (диаметры 81,0; 81,5; 82,0 мм.)
Поршни СТК для автомобилей Opel и Ford:
- Opel 1,3 л. и его модификации (диаметры: 75,0; 75,5; 76,0 мм.)
- Opel 1,6 л. и его модификации (диаметры: 79,0; 79,5; 80,0 мм.)
- Поршень Ford (диаметры: 90,8; 91,3; 91,8 мм.)
Поршни для спортивных целей авто ВАЗ:
- спортивного тюнинга таких моторов как ВАЗ-2112.
- улучшения динамических характеристик двигателя ВАЗ-21083 (устанавливаются в двигатели: ВАЗ-2108).
Определение диаметра цилиндра
Для определения диаметра цилиндра двигателя без использования нутромера можно воспользоваться несколькими способами:
1. Использование калибра
Один из самых простых способов – использование калибра или мерного инструмента с миллиметровой шкалой. Для этого необходимо вполне аккуратно замерить диаметр цилиндра по его наибольшему внутреннему диаметру. Калибр обжимается на определенной глубине в цилиндре и зафиксируется. Затем просто считываем показания со шкалы.
2. Использование микрометра
Другой способ – использование микрометра, который позволяет провести более точные измерения. При этом необходимо учесть, что микрометр может использоваться только для измерения наружного диаметра цилиндра.
Определите, какой диапазон работы у вашего микрометра. Подберите по размеру шпиндель микрометра к диаметру, который вы собираетесь измерить. Для измерения наружного диаметра цилиндра поместите штангенциркуль в отверстие, вставьте диаметр шпинделя микрометра внутрь цилиндра
Осторожно двигайтесь по краю цилиндра, закрепляя штангенциркуль в месте снятия диаметра. Затяните зажим и зафиксируйте измерения
Считайте значение диаметра на шкале.
3. Использование посадочного треугольника
Еще один метод – использование посадочного треугольника. Он позволяет определить диаметр по измерению расстояния внутренних сторон до центра и угла. Для этого необходимо положить треугольник на днище цилиндра, подобрать такой размер треугольника, чтобы стороны треугольника были уложены рядом и легли на стенку цилиндра. Затем можно измерить диаметр на шкале по длине сторон и углу.
Эти способы позволят с большой точностью определить диаметр цилиндра без использования нутромера. Конечно, для более точных измерений всегда лучше обратиться к профессионалам или использовать специальные инструменты.
Как читать показания штихмаса?
Когда вращение барабана прекращается и микрометрический винт перестает двигаться, стопором закрепляют его и начинают смотреть на показания прибора. Он состоит из двух шкал, расположенных перпендикулярно друг к другу. Одна, основная, находится на стебле прибора. Цена одного деления на ней 1 мм. Когда пятка прикасается к микрометрическому винту, ноль на шкале барабана совпадает с нолём шкалы на стебле. Шкала барабана разделена 50 делениями. Цифры стоят через каждые 5 делений. Цена каждого 0,01 мм. Поэтому при полном повороте барабана винт сдвигается на 0,5 мм.
Но на стебле есть своя шкала. Ее длина 13 мм. Цена деления на ней 0,5 мм и 1 мм. Поэтому сначала оценивают показания на стебле. Затем смотрят на показания на фаске барабана. Складывают эти цифры. Но это еще не все. В большинстве случаев при измерении используется удлинитель. Его длину тоже нужно прибавить к полученному значению.

Максимальная длина без удлинителя 63 мм. Чтобы прикрепить удлинитель к прибору, снимают гайку со стебля. Устанавливают нужное количество удлинителей и закручивают гайку на конец последнего.
Самый короткий удлинитель 13 мм, самый длинный – 600 мм. Кроме них есть размером 25, 50, 100, 150 и 200 мм.
Как правильно ставить кольца на поршень
Перед установкой новых деталей необходимо тщательно очистить посадочные канавки на поршне от грязи и нагара. Первым необходимо ставить маслосъемное кольцо с волнообразной структурой. Тот, кто знает, как правильно ставить наборные маслосъемные кольца, понимает, что у этой детали самая высокая эластичность, и поставить ее проще остальных. Следующим шагом будет установка оставшихся маслосъемных колец. Они более упругие, но и с их установкой никогда не возникает проблем. Самыми тугими считаются компрессионные изделия, так как они толще маслосъемных. Если вы помните, сколько колец на поршне, значит догадаетесь, что сначала ставится нижнее, а затем верхнее.
После установки необходимо правильно выставить положение колец так, чтобы их замки не совпадали друг с другом. В противном случае образуется естественный канал, через который отработанные газы будут уходить в картер. Аналогично следует выставить и замки маслосъемных изделий. Трудно сказать, какие маслосъемные кольца лучше, но даже самые дорогие, выставленные неправильно, могут ухудшить показатели двигателя. Только маслосъемное, волнообразное кольцо можно устанавливать в любом положении, так как оно не играет большой роли в удержании отработанных газов.
Почему важно найти нужный поршень?
Вот несколько причин, почему важно найти нужный поршень:
|
1. Оптимальное соотношение размеров Подходящий поршень должен иметь оптимальное соотношение диаметра и хода, которые соответствуют конкретному двигателю. Несоответствие размеров может вызвать проблемы с герметичностью, низкой компрессией, износом и повышенным расходом масла. |
2. Высокое качество и надежность Выбор поршня от известного производителя с хорошей репутацией гарантирует высокое качество и надежность. Производители-лидеры в этой области обеспечивают соответствие стандартам и требованиям, что позволяет увеличить срок службы двигателя. |
|
3. Улучшенная производительность Правильный поршень может повысить производительность двигателя, обеспечивая лучшую силовую характеристику, увеличенную мощность и крутящий момент. Он также может способствовать эффективному сгоранию топлива, что ведет к повышенной экономичности. |
4. Совместимость с другими деталями Поршень должен совместим с другими деталями двигателя, такими как поршневая втулка, поршневые кольца и шатун. Он должен надежно взаимодействовать с ними, чтобы обеспечить правильную работу всей системы. |
В итоге, правильный выбор и установка поршня позволяет достичь оптимальной работоспособности двигателя, а также обеспечить его долгий срок службы.
Затяжка и завершение установки
После установки поршней необходимо правильно затянуть болты головки блока цилиндров согласно рекомендациям производителя. Для этого используйте динамометрический ключ и следуйте указанным значениям крутящего момента. Неправильная затяжка может привести к повреждению поршней и блока цилиндров.
После затяжки болтов необходимо установить все остальные детали, такие как трубки подачи масла, шкив коленчатого вала и ремень привода ГРМ. Проверьте правильность установки всех деталей и их соединений.
После этого проведите визуальный осмотр установленных поршней и их соединений, убедитесь в отсутствии повреждений и необходимости дополнительной коррекции.
Теперь ваша установка поршней без использования оправки завершена! Вы можете приступать к следующим этапам сборки и осуществлению запуска двигателя
Помните о важности правильной установки и соблюдении всех рекомендаций производителя для обеспечения надежности работы двигателя
Как проверить правильность установки новых поршней
После того как были заменены поршни в двигателе, необходимо провести тестирование для того, чтобы убедиться в правильности установки новых запчастей. Ошибки при установке поршней могут привести к неисправностям двигателя и дальнейшей поломке.
Во-первых, необходимо проверить плотность установки поршней в цилиндрах. Если они установлены слишком свободно, то двигатель будет работать не стабильно и масло будет вытекать через зазоры между поршнем и цилиндром. Если они установлены слишком плотно, то двигатель будет работать очень тяжело и с большим сопротивлением.
Во-вторых, можно использовать средство для контроля натяжения цепи ГРМ (газораспределительного механизма) для проверки правильной установки поршней. Если натяжение цепи ГРМ не соответствует норме, это говорит о том, что поршни были установлены неправильно.
Также рекомендуется проверить компрессию двигателя после замены поршней. Если значения компрессии выше или ниже нормы, то есть повод задуматься об установке поршней.
Важно убедиться в том, что все элементы ГРМ установлены правильно и работают в штатном режиме, что позволит избежать дополнительных поломок и обеспечить долгую и стабильную работу двигателя
Несколько способов повысить производительность ДВС
Форсирование двигателя имеет основные принципы, и такие работы могут быть проведены по-разному. Самым популярным и распространённым способом повышения производительности мотора является, как и было сказано выше, увеличение рабочего объёма камеры сгорания. Если у гоночного автомобиля такой параметр изменить бывает сложно, так как он жёстко прописан в техрегламенте, то для обычного легкового транспортного средства это возможно. По стандарту всех выпускаемых на сегодня легковых моделей авто ограничивается только геометрический размер ГБЦ.
Первый способ механического форсирования подразумевает замену коленвала на другой — с более увеличенным ходом и диаметром цилиндров.
Для форсирования двигателя можно заменить коленвал
Кроме этого, усилить двигатель внутреннего сгорания можно и другим методом. Это можно сделать путём установки приводного компрессора. Этот метод очень популярен в западных странах, в частности в США. На автомобиль устанавливается приводной компрессор или тот же механический нагнетатель, который проводится от коленвала. Что происходит? Благодаря этому методу (впрочем, то же происходит и при использовании первого способа) крутящий момент увеличивается во всём диапазоне эксплуатации ДВС.
Следующий способ поднять показатели ДВС — это сдвиг пика крутящего момента. Такой способ применяется в основном в спорте. Пик крутящего момента сдвигается в направлении высоких оборотов, и главной целью в таком случае является уменьшить сопротивление при впуске воздуха в цилиндры. Как этого добиться? Очень просто. Нужно устранить определённые ступеньки, которые образуются в области соединения впускного коллектора с ГБЦ и карбюратором. Для этого обычно полируют впускной коллектор, поле чего вставляют клапаны большего размера, используя специальные головки.
Что касается карбюратора, то его часто заменяют, используя для этого сдвоенный вариант с горизонтальным протоком. В итоге такой метод форсирования ДВС даёт увеличение суммарного сечения диффузоров, а смесь распределяется по всем цилиндрам равномерно, ведь потоку топливной смеси не приходится менять направление на выходе из карбюратора.
Установка и настройка распредвала для увеличения мощности двигателя
Следующий способ повышения мощности ДВС — это совершенно иная установка распределительного вала. Другими словами, его нужно поставить с широкими фазами, что значительно улучшает наполнение камеры сгорания на высоких оборотах и происходит это за счёт снижения момента «на низах». Из-за этого автомобиль, наделённый таким распредвалом, при движении вынуждает водителя постоянно задействовать рычаг КПП, чтобы обороты ДВС не падали, а сам силовой агрегат, если можно так выразиться — не тупел.
Настройка впуска и выпуска — это очередной способ повысить мощность двигателя. Что даёт этот способ? Благодаря ему удаётся повысить подачу крутящего момента в узком диапазоне за счёт резонанса. Форсирование ДВС этим методом позволяет увеличить мощность двигателя, и приходится уже ставить не обычные, а лёгкие кованые поршни, чтобы сохранить приемлемость инерционных нагрузок.
Наконец, увеличение степени сжатия даёт возможность увеличить показатели ДВС. Это объясняется тем, что детонация на высоких оборотах возникает довольно редко. Правда, владелец такого двигателя должен суметь обеспечивать свой автомобиль высокооктановым бензином, но, если знать, как уменьшать расход топлива, метод станет лучшим.
Говоря другими словами, этот способ форсирования двигателя подразумевает изменение фаз газораспределения.
Как измерить диаметр цилиндра двигателя?
Следующее действие — завинчиваем до как промерить цилиндры нутромером стопорный винт и извлекаем прибор из отверстия для снятия показаний. Для получения искомого значения складываются три составляющие: значение на шкале; размер удлинителя, если таковой применяется.
Условия эксплуатации, хранения и методика поверки нутромеров Межповерочный интервал для измерителей данного типа составляет 1 год. Поверка прибора производится в соответствии с методикой МИ При пользовании как промерить цилиндры нутромером нутромером рекомендуется его удерживать за деревянную втулку.

В противном случае, стальная штанга будет нагреваться от тепла как промерить цилиндры нутромером. Это повлечет ее удлинение на сотые доли миллиметра, что спровоцирует искажение показаний индикатора. Как разобрать индикаторный нутромер Разборка прибора производится в порядке, обратном сборке.
Сначала вывинчивается удлинительный стержень, а затем индикатор отделяется от измерительной штанги. Перед длительным хранением все элементы конструкции, за исключением циферблата индикатора, протираются авиационным бензином и смазываются.
Своими силами проверяем зазор между поршнем и цилиндром В момент пуска холодного двигателя вы вдруг, перейти на страницу как промерить цилиндры нутромером, напоминающий стук, а при прогреве двигателя он исчез или уменьшился, то пришло время проверять зазор между поршнями и цилиндрами.
То есть пора как промерить цилиндры нутромером за динамометрический ключ, и начинать откручивать головку блока цилиндров.
ИТОГ
Форсирование двигателя это очень сложная, требующая тонких расчетов работа, которая позволяет достичь высоких результатов производительности и оборотов. Здесь задействованы практически все узлы и агрегаты, даже прошивку вам нужно будет менять! Так что такие работы нужно проводить осознанно, с пониманием зачем вы это делаете! Тогда и производительность двигателя, можно поднять на совершенно новый уровень. Лично видел когда из простых «ВАЗОВ» по 200 с лишнем лошадей выжимали.
Статья получилась большая, может быть сложная для понимания, однако постарался как можно проще объяснить.
НА этом все, искренне ваш АВТОБЛОГГЕР.




























