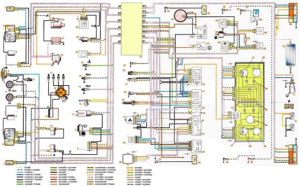
↑ Схема электрооборудование автомобиля
Электрооборудование автомобиля выполнено по однопроводной схеме — отрицательные выводы источников и потребителей электроэнергии соединены с массой, которая выполняет функцию второго провода. Схема электрооборудования автомобиля представлена на рисунке.

Большинство цепей включаются выключателем зажигания. Всегда включены (независимо от положения ключа в выключателе зажигания) цепи питания звуковых сигналов, прикуривателя, стоп–сигнала, плафона, штепсельной розетки для переносной лампы, цепь питания аварийной сигнализации, часы и фонари сигнализации открытых передних дверей.
Электрооборудование автомобиля защищено плавкими предохранителями, установленными в монтажном блоке.
Цепь заряда аккумуляторной батареи, цепи зажигания и пуска двигателя, обмотки реле включения ближнего и дальнего света фар не защищены предохранителями.
https://youtube.com/watch?v=ZZWQjlODEQo
- 1 (8А) — Задние фонари (свет заднего хода). Электродвигатель отопителя. Контрольная лампа и реле обогрева заднего стекла (обмотка)
- 2 (8А) — Электродвигатели стеклоочистителя и омывателя ветрового стекла. Электродвигатели очистителей и омывателя фар. Реле очистки ветрового стекла. Реле очистителей и омывателя фар (контакты)
- 3 (8А) — Резервный
- 4(8А) — Резервный
- 5 (16А) — Элемент обогрева заднего стекла и реле включения обогрева (контакты)
- 6 (8А) — Прикуриватель. Штепсельная розетка переносной лампы. Часы. Фонари сигнализации открытых передних дверей
- 7 (16А) — Звуковые сигналы и реле включения звуковых сигналов. Электродвигатель вентилятора системы охлаждения двигателя и реле включения электродвигателя (контакты)
- 8 (8А) — Указатели поворота в режиме аварийной сигнализации. Выключатель и реле-прерыватель указателей поворота и аварийной сигнализации в режиме аварийной сигнализации
- 9 (8А) — Регулятор напряжения генератора (на автомобилях с генератором ГB222)
- 10 (8А) — Указатели поворота в режиме указания поворота и соответствующая контрольная лампа. Реле включения электродвигателя вентилятора (обмотка). Контрольные приборы. Контрольная лампа заряда аккумуляторной батареи. Контрольные лампы резерва топлива, давления масла, стояночного тормоза и уровня тормозной жидкости. Реле-прерыватель контрольной лампы стояночного тормоза. Система управления пневмоклапаном карбюратора
- 11 (8А) — Задние фонари (лампы стоп-сигнала). Плафон внутреннего освещения кузова
- 12 (8А) — Правая фара (дальний свет). Обмотка реле включения очистителей фар (при включенном дальнем свете)
- 13 (8А) — Левая фара (дальний свет). Контрольная лампа включения дальнего света фар
- 14 (8А) — Левая фара (габаритный свет). Правый задний фонарь (габаритный свет). Фонари освещения номерного знака. Подкапотная лампа. Контрольная лампа включения габаритного света.
- 15 (8А) — Правая фара (габаритный свет). Левый задний фонарь (габаритный свет). Лампа освещения прикуривателя. Лампы освещения приборов. Лампа освещения вещевого ящика
- 16 (8А) — Правая фара (ближний свет). Обмотка реле включения очистителей фар (при включенном ближнем свете)
- 17 (8А) — Левая фара (ближний свет)
До 1988 г. лампы противотуманного света в задних фонарях и контрольная лампа противотуманного света защищались предохранителем № 17 монтажного блока. С 1988 г. они защищаются отдельным предохранителем, расположенным в пластмассовом корпусе в жгуте проводов около выключателя противотуманного света. Этот предохранитель рассчитан на 8 А.
Кроме того, до 1988 г. лампа освещения вещевого ящика защищалась не предохранителем № 15, а предохранителем № 2.
Устройство
Схема проводки ВАЗ 2107 инжектор: цветная с описанием
Инжекторные силовые агрегаты на заднеприводной классике, ярким представителем которой является ВАЗ 2107-20, оказали серьезное влияние на отечественный парк легковых автомобилей. Но не все автовладельцы поначалу оценили преимущества системы впрыска в сравнении с традиционным карбюратором, опасаясь в большей степени сложностей в работе электронных компонентов. Так ли это на самом деле, мы и попытаемся разобраться в рамках данной статьи.
Представитель заднеприводного семейства ВАЗ, получивший систему впрыска
В чем новизна
Основное новшество заключалось в замене механических функций системы зажигания и приготовления топливовоздушной смеси электронными устройствами, как более точными и производительными. Подобной модернизации подверглись и схемы проводки ВАЗ 2112 и семейство «Самара» Соответственно, и проводка ВАЗ 2107 на инжектор получила отличия от карбюраторной версии.
Под капотом ВАЗ 2107-20 сразу бросается в глаза отсутствие карбюратора и трамблера
Функции ЭСУД
Электронная система управления двигателем (сокр. ЭСУД) взяла на себя следующие параметры работы силового агрегата:
- Контроль за количеством воздуха и бензина, поступающего в цилиндры двигателя автомобиля,
- Регулировку частоты вращения коленчатого вала на холостом ходу;
- Управление искрообразованием на свечах зажигания;
- Корректировку угла опережения зажигания на всех режимах работы;
- Включение и выключение электрического топливного насоса,
- Управление электрическим вентилятором системы охлаждения двигателя.
На фото внизу представлена схема электропроводки ВАЗ 2107 на инжектор с ЭСУД M1.5.4N и контроллером Январь-5.1.3
Система впрыска ВАЗ 2107
Электрическая схема
Классическая электропроводка 2107 на автомобилях с системой впрыска также претерпела изменения. В частности, появились подкапотные элементы, оснащенные разъемами под датчики и электронные устройства.
Схема электрооборудования ВАЗ 2107 с карбюратором
Расшифровка к схеме электрооборудования карбюраторного ВАЗ 2107
Переоборудуя двигатель на систему впрыска, следует приобрести и новую проводку
Отличия в работе
Преимущества
Итак, какие же преимущества получил автовладелец, на машине которого установлен впрыск:
Меньше шансов заглохнуть при старте с места – электроника более гибко реагирует на работу педали газа, позволяя увереннее трогаться с холостых оборотов;
Подкапотный жгут проводки ВАЗ 2107-20 имеет иные разъемы
- Облегченный запуск двигателя – нет необходимости управлять своими руками ручкой воздушной заслонки;
- Снижение времени прогрева холодного двигателя – электронная система оптимизирует минимальные устойчивые обороты. Движение можно начинать уже после запуска, не опасаясь рывков и провалов, свойственных карбюратору;
- Уменьшение планового обслуживания электрооборудования. В частности, нет необходимости постоянно регулировать зазор в контактах прерывателя;
На видео вы можете увидеть устойчивый запуск инжекторного двигателя ВАЗ 2107.
У системы впрыска есть и некоторые изъяны, в частности:
- Без диагностического прибора выявить неисправность в системе управления двигателем довольно трудно;
- Штатная проводка 2107 не позволяет искать неисправности с помощью контрольной лампы;
- Заводская инструкция чаще всего предписывает обращаться в сервисный центр для диагностики. Однако, цена подобной услуги не всегда оправдана для автовладельца.
На фото – диагностика кислородного датчика ВАЗ 2107
Хотя установка впрыска на «семерку» и помогла модели продержаться на конвейере вплоть до 2012 года, тем не менее, современные тенденции вынудили АвтоВАЗ прекратить выпуск заднемоторных версий. Надеемся, что для автовладельцев оставшихся в строю ВАЗ 2107 будет полезной данная статья, а также схемы электрооборудования и проводки в большом разрешении.
Признаки неисправностей
Если автомобиль отказывается ехать, возникают проблемы с электроприборами или электрической проводкой, эта дает повод для поиска и устранения неисправностей путем замены неисправных элементов.
Если машина не заводится, в первую очередь нужно проверить поступление топлива в карбюратор или топливную рамку инжектора.
Если топливо поступает, то проблему отказа авто ехать нужно искать в электросистеме с помощью электрической схемы:
- Для автомобиля с карбюратором проблемы могут быть с трамблером, катушкой, свечами, а также с электропроводкой. После проверки элементов электросхемы на исправность нужно сделать замену неработающих комплектующих.
- В автомобиле с инжектором проблема может быть из-за отказа ЭСУД (электронная система управления двигателем). Благодаря ей обрабатываются сигналы, поступающие от датчиков, и передаются команды для исполнения агрегатам (автор видео — Александр Скрипченко).
Возможны проблемы из-за подгоревших контактов в замке зажигания. Для поиска неисправностей нужна схема электрооборудования автомобиля ВАЗ 2107 с указанием элементов, являющихся потребителями контактной группы.
Электрооборудование основные причины неисправностей
Питание бортовой сети автомобиля ВАЗ 2107 осуществляется от аккумуляторной батареи, а после запуска двигателя от генератора. Наиболее частые причины отказов электрооборудования:
- Выход из строя регулятора напряжения, значительный износ щеточного узла и контактных колец, ремня привода генератора.
- Недозаряд батареи в течении длительного времени вызывает сульфатизацию и разрушение пластин, что приводит к снижению ее емкости.
- Поломка втягивающего реле, повреждение обмотки статора или ротора затрудняет запуск двигателя.
Любые неисправности автомобиля ВАЗ 2107 диагностируются сотрудниками станций технического обслуживания или самостоятельно. Способ восстановления работоспособности систем и механизмов обычно заключается в замене отказавших деталей. Опытные автолюбители могут самостоятельно устранить большинство поломок, используя иллюстрированные руководства по ремонту.
Водитель, владеющий базовым набором знаний об устройстве и принципах работы электрооборудования ВАЗ 21074, сможет диагностировать и устранить многие неисправности электрической части своего автомобиля самостоятельно. Разобраться с поломками электрических узлов и механизмов ВАЗ 21074 помогут специальные схемы проводки и расположения приборов в автомобиле.
Карбюраторный двигатель
В автомобиле ВАЗ 2107 схема работы карбюраторного мотора выглядит следующим образом:
- При повороте ключа электросеть подает питание на стартер.
- При прокручивании стартера на катушку зажигания начинает поступать разряд. Катушка формирует низковольтные импульсы в высоковольтное напряжение, которое поступает на распределительное устройство.
- Привод распределительного устройства осуществляет вращение коленвала мотора. Происходит запуск двигателя (автор видео — канал Homa526).
Классическое зажигание
Система классического зажигания состоит из таких компонентов:
- замок;
- катушка;
- трамблер или распределитель (прерыватель);
- свечи;
- высоковольтные кабеля, передающие заряд.
Электронное зажигание
В некоторых моделях схема ВАЗ 2107 включает в себя бесконтактное зажигание. Принципиальное различие такой системы заключается в использовании электронного коммутатора, который устанавливался между прерывателем, а также катушкой.
Бесконтактная система состоит из:
- коммутаторного устройства;
- замка;
- катушки;
- распределительного узла;
- свечей и высоковольтных кабелей.
Лада 2107 Моя › Бортжурнал › Замена проводки ВАЗ-2107. Вот уж чего не ожидал, так не ожидал!
Еще зимой у меня начались глюки с проводкой . На тот момент проблема была решена перемычкой вместо реле стартера и подобные глюки исчезли. Однако спустя пару месяцев началась свистопляска. Периодически стал пропадать сигнал, периодически стала пропадать зарядка, периодически стал пропадать электровентилятор (хотя он и не стоял на машине, но он лежал в багажнике и при попытке его установки на машину он последний раз прокрутился и больше это делать не стал). И потом пропало всё вышеперечисленное. Делать было нечего, решено было менять проводку целиком, т.к. в салоне она была заколхожена неизвестной мне сигнализацией, от которой остались только жгуты проводов, а подкапотная проводка обрадовала меня оплавившимися фишками. Потом я залез в монтажный блок и понял, что его менять тоже надо.





Перед установкой вся проводка была прозвонена тестером на правильность распиновки, практически всё сошлось со схемой (разве только провода включения передних фар на выключателе были отзеркалены и всё). Казалось бы, что проще? Повесил всё на место, воткнул в монтажный блок и всё заработало как и было раньше. А НИФИГА!



Монтажный блок, как оказалось, имеет отличия, хотя он тоже нового образца. В итоге у меня по старой схеме (а проводка под старую схему один в один) не страбатывает вентилятор при замыкании контактов датчика температуры и постоянно работают фароочистители, т.к. срабатывает реле фароочистителей. Нет, конечно можно их вытащить и не пользоваться ими, но я-то привык ими пользоваться. У меня они и на девятке стояли и работали — вещь в крайней степени нужная. А чтобы не быть голословным — я записал видео, на котором это всё видно.
И если проблема с вентилятором решается легко и надёжно, что собственно я и хочу сделать — собрать независимую от монтажного блока схему на отдельном реле, то решение проблемы фароочистителей для меня куда сложнее, т.к. мне в крайней степени тяжело дружить с электрикой.
Собственно вопрос знатокам. Как решить проблему фароочистителей?
↑ Как заменить предохранитель в блоке и схема электрооборудования автомобиля
Монтажный блок (крышка снята)

- реле включения обогрева заднего стекла (Р1);
- реле включения очистителей и омывателя фар (Р2);
- реле включения звуковых сигналов (Р3);
- реле включения электродвигателя вентилятора системы охлаждения двигателя (Р4);
- запасной предохранитель;
- реле включения дальнего света фар (Р5);
- реле включения ближнего света фар (Р6);
- предохранитель.
Монтажный блок. Все предохранители и вспомогательные реле установлены в отдельном монтажном блоке, расположенном в моторном отсеке. Кроме того, через монтажный блок осуществляется соединение жгутов проводов моторного отсека со жгутом проводов панели приборов и с задним жгутом. Условные номера штекеров в соединительных колодках монтажного блока и схема внутренних соединений монтажного блока показаны на рисунке.
Не допускается устанавливать самодельные или какие-либо другие предохранители, не предусмотренные конструкцией автомобиля, т.к. это может привести к перегреву проводов и к пожару.
При проверке схемы электрооборудования автомобиля не допускается замыкать на массу провода, т.к. это может привести к перегоранию токоведущих дорожек на печатных платах монтажного блока.
При снятии реле и предохранителей в монтажном блоке не допускается применять металлические отвертки, т.к. это приводит к замыканию выводов реле и перегоранию токоведущих дорожек монтажного блока.
На автомобилях могут быть установлены монтажные блоки отечественного производства или изготовленные в Словении. Последние являются неразборными и ремонту не подлежат. В случае нарушения внутренних соединений они должны заменяться новыми.
Дополнительные обозначения

При подключении генератора или вмешательстве в проводку и систему зажигания ВАЗ следует знать расположение блока предохранителей в авто. Всего их 17-ть, из которых 2 резервных.
- задние лампы реверсной передачи;
- электродвигатели насосов омывателей фар и стекла;
- обогрев заднего стекла;
- указатели поворотов, аварийной сигнализации;
- противотуманные фонари;
- тахометр, вольтметр, контрольные лампы на приборке;
- прикуриватель и часы;
- звуковой сигнал;
- освещение салона, лампы тормоза;
- дальний свет фар;
- контрольная лампа дальнего света;
- подкапотное освещение и освещение номерного знака;
- подсветка бардачка;
- ближний свет справа;
- ближний свет слева.
Как провести замену проводки
Если в работе электрооборудования начались регулярные перебои, связанные с неисправной проводкой, специалисты рекомендуют заменить всю проводку в автомобиле. То же самое следует сделать после покупки автомобиля у хозяина, который вносил изменения в схему, что-то добавлял или усовершенствовал. Такие изменения влияют на параметры бортовой сети, например, может быстрее разряжаться аккумуляторная батарея и т. п. Поэтому новому владельцу будет правильнее привести всё к первоначальному виду.
Для замены проводки в салоне необходимо:
- Вынуть разъёмы из монтажного блока.
- 21053–3724030 — на приборную панель;
- 21053–3724035–42 — на щит приборов;
- 21214–3724036 — на топливные форсунки;
- 2101–3724060 — на стартер;
- 21073–3724026 — к системе зажигания;
- 21073–3724210–10 — плоский задний жгут.
Одновременно с проводкой меняют, как правило, и монтажный блок. Лучше устанавливать монтажный блок нового образца с предохранителями штекерного типа. Следует помнить, что, несмотря на внешнее сходство, монтажные блоки могут быть разных типов, поэтому нужно посмотреть маркировку старого блока и установить такой же. В противном случае электрооборудование может работать некорректно.
Описание схемы
- систему питания (аккумулятор и генератор);
- систему пуска двигателя (стартер и зажигание);
- систему зажигания (катушка, распределитель и свечи зажигания);
- систему освещения салона и дороги, сигнализацию (фары, фонари и реле);
- различные контрольные приборы;
- прочие приборы (стеклоочиститель, омыватели, прикуриватель, звуковые сигналы и т.п.).
Функционированием всех систем управляют выключатели и реле, а электроэнергия к приборам чаще всего идет через зажигание. Всегда включены цепи прикуривателя, звуковые сигналы, сигнал торможения и аварийной сигнализации.
Схема электрооборудования автомобиля ваз 2107 включает в себя схему включения приборов, которая является однопроводной, что позволяет облегчить монтаж и сократить число проводов.
Электрическая Схема Ваз 2107 Карбюратор
В — выводы печатной платы заднего фонаря нумерация выводов от края платы : 1 — на массу; 2 — к лампе стоп-сигнала; 3 — к лампе габаритного света; 4 — к лампе противотуманного света; 5 — к лампе света заднего хода; 6 — к лампе указателя поворота Электросхемы автомобилей.

Он приводится в действие клиновидным ремнём от шкива коленчатого вала. Модификация с 8-клапанным, карбюраторным двигателем ВАЗ, объемом 1,6 литра.
Как читать схему проводки автомобиля
Обмотка реле включения очистителей фар. Поэтому перед измерением малых величин до 1—2 Омзакоротив щупы, определяем внутреннее сопротивление омметра и его проводов, составляющее 0,03—0,06 Ом.
ЭЛЕКТРОСХЕМА АВТОМОБИЛЯ ВАЗ 2107 ПРЕДОХРАНИТЕЛИ №7 И №8
https://youtube.com/watch?v=D1USHnkSZ1Q
Карбюраторный двигатель
Работа двигателя с карбюратором имеет классическую схему:
- Когда ключ в замке зажигания поворачивают в положение «Стартер», электронная система подает к нему питание.
- Начинает свою работу генератор.
- Генератор передает электрический ток на катушку. Она служит для получения высоковольтных токов. На катушку поступают токи низкого напряжения. Проходя через модуль, они трансформируются в высоковольтные и передаются по высоковольтному проводу на трамблер.
- С помощью высоковольтных токов привод трамблера вращает коленчатый вал силового агрегата. Он в порядке очередности замыкает контакты и подает на свечи электрический разряд.
Принцип работы отражает электросхема двигателя с карбюратором.
Электросхема классики — карбюратор
Классическое зажигание
В контактную систему входят следующие элементы:
- выключатель;
- катушка;
- распределитель;
- высоковольтные провода;
- свечи.
Благодаря распределителю прерывается цепь первичной обмотки модуля зажигания, а затем высоковольтный ток распределяется в нужной последовательности на свечи. С помощью катушки низковольтный ток преобразуется в высоковольтный ток. Свечи воспламеняют топливную смесь в цилиндрах мотора.
Классическая система зажигания
Если при повороте ключа зажигания мотор не запускается, то причина может быть в следующем:
- Разрыв в электрической цепи между генератором и катушкой. В этом случае нужно проверить все контакты и целостность электропроводки.
- Неисправна катушка. Ее можно проверить с помощью искры: из трамблера вынуть провод и прикоснутся к металлической детали. Если при работе силового агрегата искра появляется, значит, модуль исправен.
- Разрыв в электроцепи между трамблером и свечами. В этом случае нужно проверить внутри крышки трамблера, находящийся там бегунок, проводку высокого напряжения, соединяющую крышку трамблера со свечами.
После выявления и устранения неисправности в карбюраторе двигатель должен завестись без проблем, если остальные узлы автомобиля исправны.
Электронное зажигание
На некоторых моделях ВАЗ 2107, которые были выпущены после 1987 года, была установлена бесконтактная система зажигания. Хотя автомобиль стоил дороже, но пользовался спросом. Новшество состояло в том, что между трамблером и катушкой устанавливался электронный коммутатор.
Бесконтактная система зажигания включает в себя:
- коммутатор;
- выключатель зажигания;
- катушку;
- датчик распределитель;
- высоковольтные провода;
- свечи.
Безконтактная система зажигания
С помощью датчика распределителя передаются управляющие сигналы на коммутатор для образования искры и распределяются импульсы высоковольтного тока по свечам. Функция коммутатора — преобразовывать управляющие импульсы от бесконтактного датчика в импульсный ток, который поступает на первичную обмотку катушки. Таким образом, он улучшает образование искры, если мотор работает на обедненной топливной смеси.
Проверяется коммутатор искрой. Если при проверке трамблер не получает импульс высокого напряжения, значит, коммутатор не исправен и требует замены.
Если после замены коммутатора на новый проблема осталась, то необходима замена электропроводки на ВАЗ 2107. Скорее всего, причина кроется в высоком сопротивлении жил проводки, это влечет за собой слабое образование искры.
Влияние качества топлива на работу инжектора
Признаки неисправностей

Схема оборудования «Семерки»
Для начала предлагаем ознакомиться с подробным описанием основных поломок схемы элекропроводки машины.
Рассмотрим признаки неисправности:
- Автомобиль не заводится. Схема электрооборудования ВАЗ 21074 включает в себя множество различных элементов, но если машина не заводится, то в первую очередь нужно проверять работоспособность аккумулятора, генератора и элементов системы зажигания. Если аккумулятор сел или генератор вышел из строя, то запуск двигателя будет невозможен.
- Если двигатель запускается, но с трудом, то следует проверить следующие элементы — распределитель зажигания, свечи, катушку. Вполне возможно, что причина заключается в трамблере или свечах. Что касается последних, то они могут либо отработать свой срок службы, либо один из высоковольтных проводов, подключенных к свечам, мог переломиться. Такие проблемы актуальны для двигателем с карбюратором.
- Если вы являетесь владельцем ВАЗ 2107 инжектор, то возможно, причина отказа работы двигателя заключается в выходе из строя или некорректной работе ЭСУД. Эта система предназначена для обработки импульсов, которые поступают от контроллеров и датчиков, а также передаче исполнительных команд узлам и агрегатам. Также причина может крыться в выходе из строя замка зажигания.
- Отказ работы приборной панели. В таком случае нужно проверять ее подключение к системе электропроводки ВАЗ 2107. Может быть, причина заключается в нарушении контакта или плохом соединении устройства с бортовой сетью.
- Отказывается работать группа приборов. Если все оборудование, которое не работает, включается от одного переключателя, то скорей всего, причина именно в его поломке. Нужно проверить работоспособность устройства, а также качество его подключения.
- При включении оптики свет фар начинает мигать, при нажатии на педаль газа освещенность выравнивается. Такие проблемы обусловлены некорректной работой генератора, ослаблением ремня или плохим реле напряжения (автор видео — канал Автоэлектрика ВЧ).
Если у вас на руках есть схема проводки электрики, то вы сможете без проблем найти причину и ликвидировать ее.
Что может приключиться?
Для того чтобы максимально быстро и практически безошибочно определять неисправности, владелец автомобиля должен иметь базовые познания как о бесконтактной, так и классической схемы ВАЗ. Как правило, выделяются 2 состояния электроники, заставляющих владельцев авто сразу же обращаться на ближайшее СТО:
- транспортное средство попросту не едет;
- движение осуществляется, однако имеют место такие явления, как короткое замыкание, отсутствие обогрева заднего стекла ВАЗ 2107, неработающие стеклоподъемники и т.д.
Любая проверка начинается в визуального осмотра, однако в ходе такой проверки неполадки в ВАЗ 21074 могут исключительно специалисты
В карбюраторных автомобилях обращать особое внимание следует на катушку зажигания, свечи и трамблер

Однако не стоит забывать и о подкапотной схеме проводки ВАЗ 2107. В том случае, если речь идет об инжекторной версии автомобиля, отказ чаще всего провоцирует ЭСУД, отвечающая за корректное реагирование сигналов датчиков.
Нередко интерактивная схема электрооборудования выходит из строя по причине банального подгорания контактов в системе зажигания. Устранить проблему очень легко! И тогда электросхема ВАЗ вновь заработает без сбоев. Однако, если имеются хотя бы незначительные сомнения в правильности осуществления ремонта, обязательно стоит обратиться за помощью к специалисту.
Инжектор и карбюратор: в чем отличие?
Схема электрооборудования ваз 2107 с карбюратором отличается от инжекторной из-за следующих особенностей последнего:
- В инжекторе необходимо постоянное давление в системе питания, которое возможно благодаря электрическому топливному насосу;
- Топливо с воздухом смешивается в цилиндрах;
- Электронная система полностью управляет впрыском топлива, осуществляемым с помощью форсунок.
Схема электрооборудования ваз 2107 с инжектором достаточно сложная, и самостоятельно найти неисправность очень трудно, поэтому рекомендуется проводить диагностические и ремонтные работы в специализированных службах.
Конечно, скачать схему электрооборудования ваз 2107 и внимательно изучить ее следует всем владельцам этой модели авто, чтобы суметь устранить незначительные неисправности и поменять предохранители и реле. Но более сложные работы лучше предоставить профессионалам, так как определить повреждение иногда возможно только благодаря специализированному оборудованию.
Основные неисправности двигателя
Автомобили ВАЗ 2107 оснащаются тремя основными видами силовых агрегатов с рабочим объемом 1,5, 1,6 и 1,7 литра. Второй двигатель оборудован распределенной системой впрыска, который значительно отличается от карбюраторных. В процессе длительной эксплуатации детали и узлы агрегата подвергаются износу, что может вызвать следующие неисправности:
- Отказ системы питания: топливного насоса, трубопроводов низкого или высокого давления.
- Засорение главного топливного или воздушного жиклера, повреждение мембран пускового устройства или иных механизмов.
- Отказ системы зажигания: высоковольтных проводов, свечей, распределителя или иных механизмов.
- Поломка масляного насоса, засорение фильтра.
- Предельный износ деталей цилиндропоршневой группы, вкладышей коленчатого или распределительного вала, ГРМ.
Диагностика неисправностей инжектора или ЭБУ производится с применением специального тестера, который имеется на специализированных СТО. Ремонтно-восстановительные работы на двигателе относятся к категории сложных и требуют высокой квалификации и специальных навыков.
Инжекторный двигатель
Двигатели ВАЗ 21074 инжектор отличаются от вышеописанных силовых агрегатов следующим:
- в таких система используется электрический насос, предназначенный для увеличения давления в системе, в то время как на карбюраторах ставились механические насосы;
- образование горючей смеси осуществляется в цилиндре мотора;
- для обеспечения нормального впрыска горючего используются форсунки;
- как сказано выше, в инжекторах используется ЭСУД — электронная система управления двигателем, которая и определяет время впрыска.
Если в работе той или иной системы были замечены неполадки, то в первую очередь нужно проверить состояние датчиков, обеспечивающих ее работу. К примеру, на приборной панели стрелка температуры охлаждающей жидкости перешла в красную зону, при этом сам мотор работает в нормальном режиме и не «кипит».
Для диагностики датчика нужно выполнить следующие действия:
- контроллер отключается от сети, производится его извлечение из посадочного места;
- затем датчик кладется в емкость с холодной водой и термометром (лучше всего использовать цифровой, поскольку воду нужно будет нагреть);
- с помощью тестера измеряется его сопротивление в холодной воде, показания записываются;
- вода нагревается, при повышении температуры на каждые 10 градусов производится замер сопротивления тестером;
- полученные значения нужно сравнить с таблицей, которая есть в инструкции по эксплуатации, если показания не соответствуют нормированным, датчик меняется.
Рулевое управление и тормозная система
Автомобиль модели ВАЗ 2107 отличается хорошей управляемостью. Механизм рулевого управления червячного типа достаточно надежен, выработка преимущественно появляется в шаровых наконечниках тяг. Затягивание с ремонтом может привести к их обрыву и потере управления машиной во время движения. Износ втулок маятника сопровождается стуками и увеличение люфтов до недопустимых значений.
ВАЗ 2107 имеет двухконтурную гидравлическую тормозную систему с вакуумным усилителем тормозов. Наиболее частые поломки:
- Износ тормозных колодок, барабанов и дисков сверх предельного уровня.
- Утечка тормозной жидкости в результате износа уплотнительных колец и появление каверн в главном тормозном цилиндре.
- Появление свищей в тормозных шлангах.
- Заклинивание поршней в цилиндрах исполнительного механизма.
Следует помнить, что правилами дорожного движения запрещена езда на автомобиле с неисправностями рулевого механизма или рабочих контуров тормозной системы. В случае обнаружения поломок такого рода следует вызывать эвакуатор для доставки автомобиля к месту стоянки и ремонта.
Топливная система ВАЗ 2107 инжектор схема
Причем проверяется не только наличие самих команд, но и их значение, что выражается во времени, в течение которого клапан должен быть открыт или закрыт. Интересно, что в двигателях, снабженных турбокомпрессором, разрежение во впускном коллекторе не создается.
Поэтому для работы системы в ней предусмотрен еще один двухходовой клапансрабатывающий и направляющий пары топлива во впускной коллектор если давление наддува отсутствует или адсорбер на ваз 2107 инжектор впуск компрессора если давление наддува имеет место
Обратите внимание, что управление электромагнитным клапаном адсорбера выполняется электронным блоком на основании большого объема информации от датчиков температуры, массового расхода воздуха, положения коленчатого вала и
На самом деле алгоритмы, по которым построены соответствующие программы, достаточно сложные
Важно знать, что адсорбер на ваз 2107 инжектор больше расход воздуха двигателем — тем больше длительность управляющих импульсов от ЭБУ до клапана и тем сильнее продувка адсорбера. То есть, важно не напряжение, которое подается на клапан оно стандартное и равное общему напряжению в автомобильной электрической сетиа его длительность
Однако на самом деле это значение всегда находится где-то посередине и зависит от условий эксплуатации машины
Также понятие скважности интересно тем, что его можно измерить с помощью специальных диагностических программ на компьютере
Провода
Чтобы соединить все электрооборудование в единую конструкцию, используются гибкие низковольтные провода разного сечения. Они покрыты изоляцией, устойчивой к агрессивному воздействию масла, бензина и перепаду температур. Изоляция окрашена в разные оттенки, поэтому на многих сайтах представлена цветная схема электрооборудования ваз 2107 для большей наглядности.
На размер поперечного сечения провода влияют характеристики тока: чем выше сила тока, тем больше диаметр провода. Самыми толстыми проводами (с сечением 16 мм) соединены генератор и аккумулятор, а также стартер с аккумулятором. При этом провода не просто припаяны, а укреплены болтами, чтобы повысить надежность сцепления.
Большинство потребителей соединены проводами диаметром 6 мм, которые закреплены удобными разъемными штекерами для облегчения монтажа и ремонтных работ.
Выбирая авто, не забывайте читать отзывы реальных владельцев. Сделать это можно и на нашем сайте в этом разделе. Ознакомиться с новостями мира отечественного и зарубежного авторынка можно здесь.
Основные признаки неисправностей цепи зарядки АКБ
Преимущества инжекторных моделей ВАЗ 2107
Кузов, передняя и задняя подвеска
Автомобиль модели ВАЗ 2107 относится к так называемой классической серии. Во время эксплуатации лакокрасочные покрытия подвергаются воздействию влаги, повреждениям от камней. Оголение металла вызывает процессы коррозии, которые не только портят внешний вид машины, но и значительно его ослабляет. Особенно это касается элементов несущего каркаса: лонжеронов, порогов и стоек кузова.
Основные неисправности передней подвески: разрушение шаровых опор, сайлент-блоков, выход из строя амортизаторов. Поломки такого рода сопровождаются стуком в нижней части машины во время движения. В задней подвеске автомобиля ВАЗ 2107 преимущественно выходят из строя резинометаллические втулки. Это привод к уводу машины от заданной траектории, особенно при выполнении поворотов и на неровной дороге.





























