Инжектор и карбюратор
Как правило, принципиальная электрическая схема авто подобной модификации строится по следующему принципу:
- проворачиваемый в замке зажигания ВАЗ 2107 ключ запускает стартер и провоцирует подачу электропитания на клеммы;
- начинает активно функционировать коленвал и поршневая система;
- запускается генератор;
- поступление питания на катушку;
- передача электрического импульса к трамблеру;
- проход заряда к свечам зажигания.

Если после длительных стараний запустить двигатель не представляется возможным, в первую очередь необходимо проверить схему электрооборудования ВАЗ 2107
Должное внимание следует уделить состоянию контактов, которые в результате подгорания вполне могут провоцировать неполадку
Система, содержащая в себе карбюратор, должна быть проверена на предмет работоспособности бегунка и, как обычно, свечей. Примерно в 90% случаев после таких манипуляций удается найти проблему.
Некоторые модели УАЗ и ВАЗ имеют бесконтактную систему зажигания. Внутри нее установлен электронный коммутатор, установленный между катушкой и трамблером. Благодаря тому, что в автомобиле установлена подобная схема подключения, стоит транспортное средство на порядок дороже.
Модификация, получившая название инжекторной, отличается наличием огромного множества электронных компонентов. Их замена обычно осуществляется в условиях СТО, однако попробовать справиться с трудностями можно и самостоятельно.
Для этих целей рекомендуется выполнить следующие действия:
- отсоединить провод, идущий непосредственно от датчика зажигания ВАЗ 2107;
- замерить сопротивление омметром;
- сравнить полученные данные с табличными;
- произвести регулировку.
Любая схема электропроводки ВАЗ может быть диагностирована и починена в один день
Важно лишь четко соблюдать инструкцию и постоянно сверяться с тем, как реализована схема подключения на бумаге и реальной жизни. Несоответствия, пусть даже редко, имеют место быть
Именно поэтому мастеру следует быть начеку.
Карбюраторный двигатель
В автомобиле ВАЗ 2107 схема работы карбюраторного мотора выглядит следующим образом:
- При повороте ключа электросеть подает питание на стартер.
- При прокручивании стартера на катушку зажигания начинает поступать разряд. Катушка формирует низковольтные импульсы в высоковольтное напряжение, которое поступает на распределительное устройство.
- Привод распределительного устройства осуществляет вращение коленвала мотора. Происходит запуск двигателя (автор видео — канал Homa526).
Классическое зажигание
Система классического зажигания состоит из таких компонентов:
- замок;
- катушка;
- трамблер или распределитель (прерыватель);
- свечи;
- высоковольтные кабеля, передающие заряд.
Электронное зажигание
В некоторых моделях схема ВАЗ 2107 включает в себя бесконтактное зажигание. Принципиальное различие такой системы заключается в использовании электронного коммутатора, который устанавливался между прерывателем, а также катушкой.
Бесконтактная система состоит из:
- коммутаторного устройства;
- замка;
- катушки;
- распределительного узла;
- свечей и высоковольтных кабелей.
Подготовительный этап
Для настройки зажигания на автомобиле ВАЗ 2107 особых условий не требуется, операцию можно проводить как в гараже, так и на улице даже зимой. Для работы подготовьте следующий набор инструментов:
- ключ с длинной ручкой для поворота коленвала;
- гаечный ключ на 13 мм;
- отвертка плоская;
- металлический зонд толщиной 0,35 мм;
- ключ для откручивания свечей.
- автомобильная лампочка 12В с пропаянными проводами;
Инструмент регулировки зажигания
Примечание. Вместо специального ключа для поворота коленчатого вала можно использовать обычный рожковый ключ на 36 мм. Если у вас даже такого ключа нет, вам придется ставить метки старым проверенным способом: включить 4-ю передачу и приподнять заднее колесо, повернуть его вручную, проворачивая тем самым коленвал.
В идеале лучше всего иметь в своем арсенале устройство для настройки зажигания на работающем двигателе – стробоскоп. Он оснащен сигнальной лампой, которая одновременно мигает в момент искры в цилиндре, что позволяет увидеть положение насечки на шкиве коленчатого вала на холостом ходу и четко скорректировать угол атаки.
Важный момент. Зажигание настраивается на своевременное появление искры и запуск двигателя, после чего потребуются дальнейшие регулировки. Но последнее не принесет желаемого результата, когда в цилиндрах нет компрессии или ощущаются проблемы с карбюратором. Если не устранить эти неисправности, двигатель останется нестабильным вне зависимости от того, как настроена система зажигания.
Отсюда вывод: правильно выставить зажигание можно в любой момент, но хорошо отрегулировать, только на исправном двигателе и карбюраторе.
Описание блока предохранителей
Предохранители в автомобиле марки ВАЗ 2107 располагается в специальном монтажном блоке, который располагается в коробке воздухо-притока с левой стороны транспортного средства. Монтажный блок автомобиля ВАЗ 2107 включает в себя все важнейшие участки электронных цепей, при этом снабжая их нужными предохранителями и реле.
К тому же, данный прибор значительно упрощает установление и ремонтные работы над цепями, потому как вся проводка и реле располагаются в одном месте, следственно их замена проводится достаточно легко.
В случае какой-либо поломки электронного оборудования произойдет увеличение силы тока в узле, который отвечает за данный прибор, вследствие чего возникает короткое замыкание. Проволока, через которую проходит ток к предохранителю, перегорает и плавится, вследствие чего обрываются цепи, и отключается прибор, но при этом сохраняется его целостность. То есть благодаря предохранителям обеспечивается защита основных деталей от перегрева, в случае возникновения короткого замыкания.

К основным элементам электронной схемы инжекторного двигателя ВАЗ 2107 относятся:
- Тахометр;
- Датчик заслонки воздуха;
- Управляющее реле электронного двигателя вентилятора;
- Разъем диагностики;
- Индикатор, контролирующий работоспособность двигателя;
- Моторчик вентилятора, охлаждающего радиатор;
- Электронная катушка зажигания;
- Свечки зажигания;
- Электронный насос топлива;
- Датчик коленвала;
- Блок руководства двигателем;
- Аккумуляторная батарея;
- Форсунки;
- Фильтр очищения топливной смеси;
- Датчик холостого хода.
Какие основные отличия электросхемы двигателя типа инжектор от карбюраторного?
- В системе питания постоянно существует давление;
- Смесь топлива и воздуха образовывается при смешивании компонентов смеси в цилиндре;
- Впрыскивание топливо-воздушной смеси происходит с помощью форсунок;
- Процесс впрыскивания происходит с помощью электронной системы.
Как правильно проводится снятие и установление монтажного блока?
Если электросхема выполнена качественно, то это значительно облегчит процесс установления и снятия электронного оборудования. Итак, алгоритм снятия:
- Отсоединяем проводок от минусовой клеммы аккумулятора;
- Открываем капот и снимаем крышку с блока предохранителей и реле. Для этого необходимо отжать 4 пластиковые защелки;
- Сдвигаем резиновый чехол;
- Отсоединяем верхнюю колодку жгута проводки от блока;
- Отворачиваем 2 гаечки, которые закрепляют блок;
- Вынимаем блок из отсека, который расположен перед ветровым стеклом;
- Отсоединяем от блока нижние колодки жгутов проводки;
- Устанавливаем предохранители и реле в обратном порядке.
Самостоятельное проведение ремонта монтажного блока
Ремонтирование монтажного блока заключается в проведение замены печатных плат. Итак, алгоритм проведения ремонта монтажного блока:
- Снимаем монтажный блок;
- Выворачиваем 8 винтиков, которые закрепляют нижнюю крышку;
- При помощи отвертки открываем нижнюю крышечку;
- Проверяем состояние дорожек, по которым проходит ток и качество запаивания. В случае обнаружения дефектов их необходимо ликвидировать, но если это невозможно, то проведите полную замену блока;
- Устанавливайте монтажный блок в обратном порядке.
Схема электропроводки Ваз 2107 инжекторная проводка
В середине 90-х годов начался массовый переход российских моделей с карбюраторной на инжекторную систему питания. Эта переквалификация коснулась и автомобилей ваз 2107, 21074. В результате модель получила новые элементы, конструктивно отличающие ее от предшественника:
- электрический бензонасос. Осуществляет забор топлива из бака, поддерживая постоянное давление в топливной магистрали. Вариация с карбюратором имела механический бензонасос;
- топливные форсунки, которые осуществляют впрыск непосредственно в камеру сгорания. Поэтому бензовоздушная смесь образуется непосредственно в камере сгорания. На предыдущей модификации смесь образовывалась вследствие открытия воздушной заслонки карбюратора;
- новые блок управления двигателем, который определяет момент впрыска и принудительно совершает его. Топливная смесь попадает в цилиндры принудительно с инжекторной системой, в то время как в карбюраторе подача топлива осуществляется за счет разреженного давления после открытия клапана.

Соответственно, электрическая схема Лады несколько изменилась:
- добавилась колодка жгута проводов к топливной рамке;
- были подведены свои провода от контроллера к жгуту системы зажигания;
- появились датчики радиатора и вентилятор;
- электробензонасос тоже был подключен в схему;
- сам ваз 21074 инжектор получил датчики массового расхода воздуха, кислородный показатель, положения коленвала, а также специальный клапан в самой магистрали.
У ВАЗа с двигателем типа инжектор возникает меньше проблем. Множество электронных реле управления оборудованием вполне надежны. Однако система все же не лишена недостатков. С аккумулятором некоторые зарядные устройства не дружат, блок управления электропневмоклапаном иногда сбоит, не срабатывает включатель света при открытии передней двери.
Помочь разобраться с описанием и ремонтом поможет электросхема ваз 2107 с инжектором. Далее указана цепь для моделей, оснащенных генератором 37.3701.
Схема электропроводки Ваз 2107 инжекторная проводка
В середине 90-х годов начался массовый переход российских моделей с карбюраторной на инжекторную систему питания. Эта переквалификация коснулась и автомобилей ваз 2107, 21074. В результате модель получила новые элементы, конструктивно отличающие ее от предшественника:
- электрический бензонасос. Осуществляет забор топлива из бака, поддерживая постоянное давление в топливной магистрали. Вариация с карбюратором имела механический бензонасос;
- топливные форсунки, которые осуществляют впрыск непосредственно в камеру сгорания. Поэтому бензовоздушная смесь образуется непосредственно в камере сгорания. На предыдущей модификации смесь образовывалась вследствие открытия воздушной заслонки карбюратора;
- новые блок управления двигателем, который определяет момент впрыска и принудительно совершает его. Топливная смесь попадает в цилиндры принудительно с инжекторной системой, в то время как в карбюраторе подача топлива осуществляется за счет разреженного давления после открытия клапана.

Соответственно, электрическая схема Лады несколько изменилась:
- добавилась колодка жгута проводов к топливной рамке;
- были подведены свои провода от контроллера к жгуту системы зажигания;
- появились датчики радиатора и вентилятор;
- электробензонасос тоже был подключен в схему;
- сам ваз 21074 инжектор получил датчики массового расхода воздуха, кислородный показатель, положения коленвала, а также специальный клапан в самой магистрали.
У ВАЗа с двигателем типа инжектор возникает меньше проблем. Множество электронных реле управления оборудованием вполне надежны. Однако система все же не лишена недостатков. С аккумулятором некоторые зарядные устройства не дружат, блок управления электропневмоклапаном иногда сбоит, не срабатывает включатель света при открытии передней двери.
Помочь разобраться с описанием и ремонтом поможет электросхема ваз 2107 с инжектором. Далее указана цепь для моделей, оснащенных генератором 37.3701.
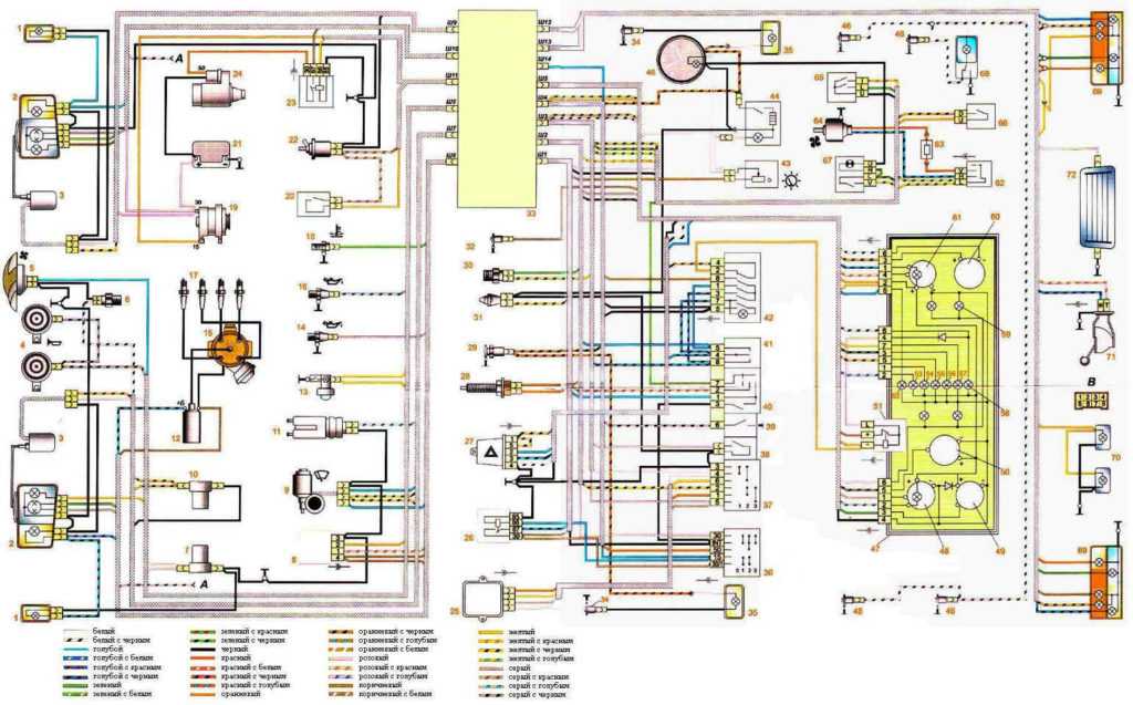
Схема электропроводки автомобиля
1 – мотор привода вентилятора радиатора; 2 – блок реле и предохранителей (монтажный блок); датчик холостого хода; 4 – блок управления двигателем; 5 – потенциометр; 6 – комплект свечей зажигания; 7 – блок управления зажиганием; 8 – электронный датчик коленвала; 9 – электрический топливный насос; 10 – тахометр 2107; 11 – лампа контроля исправности электронных систем; 12 – реле управления системы зажигания; 13 – датчик значения скорости; 14 – диагностический разъем; 15 – комплект форсунок; 16 – электроклапан адсорбера; 17, 18, 19 – блок предохранителей, защищающих цепи системы впрыска; 21 – электронное реле управления топливным насосом; 22 – электронное реле управления системой подогрева впускной трубы; 23 – система подогрева впускной трубы; 24 – плавкий предохранитель, защищающий цепь подогревателя; 25 – электронный датчик уровня кислорода; 26 – датчик контроля температуры системы охлаждения; 27 – электронный датчик воздушной заслонки; 28 – температурный датчик воздуха; 29 – датчик контроля давления.
Инжектор и карбюратор
Как правило, принципиальная электрическая схема авто подобной модификации строится по следующему принципу:
- проворачиваемый в замке зажигания ВАЗ 2107 ключ запускает стартер и провоцирует подачу электропитания на клеммы;
- начинает активно функционировать коленвал и поршневая система;
- запускается генератор;
- поступление питания на катушку;
- передача электрического импульса к трамблеру;
- проход заряда к свечам зажигания.

Если после длительных стараний запустить двигатель не представляется возможным, в первую очередь необходимо проверить схему электрооборудования ВАЗ 2107
Должное внимание следует уделить состоянию контактов, которые в результате подгорания вполне могут провоцировать неполадку
Система, содержащая в себе карбюратор, должна быть проверена на предмет работоспособности бегунка и, как обычно, свечей. Примерно в 90% случаев после таких манипуляций удается найти проблему.
Некоторые модели УАЗ и ВАЗ имеют бесконтактную систему зажигания. Внутри нее установлен электронный коммутатор, установленный между катушкой и трамблером. Благодаря тому, что в автомобиле установлена подобная схема подключения, стоит транспортное средство на порядок дороже.
Модификация, получившая название инжекторной, отличается наличием огромного множества электронных компонентов. Их замена обычно осуществляется в условиях СТО, однако попробовать справиться с трудностями можно и самостоятельно.

Для этих целей рекомендуется выполнить следующие действия:
- отсоединить провод, идущий непосредственно от датчика зажигания ВАЗ 2107;
- замерить сопротивление омметром;
- сравнить полученные данные с табличными;
- произвести регулировку.
Любая схема электропроводки ВАЗ может быть диагностирована и починена в один день
Важно лишь четко соблюдать инструкцию и постоянно сверяться с тем, как реализована схема подключения на бумаге и реальной жизни. Несоответствия, пусть даже редко, имеют место быть
Именно поэтому мастеру следует быть начеку.
Обозначение контактов на электросхеме
На электросхеме присутствуют различные символы и обозначения, которые помогают понять расположение и функцию каждого контакта.
Одним из основных символов на электросхеме является номер контакта. Номера проставляются рядом с каждым контактом и позволяют быстро найти нужный пин или проводник.
Для удобства различных групп контактов на электросхеме могут применяться дополнительные символы. Например, круглые, треугольные или прямоугольные контуры могут использоваться для выделения определенной группы контактов.
Также на электросхеме могут быть указаны и другие полезные данные. Например, величина напряжения на каждом контакте может быть указана в вольтах.
Важно помнить, что обозначения контактов на электросхеме специфичны для каждой модели автомобиля и могут отличаться в зависимости от производителя. Для полного понимания электросхемы рекомендуется обращаться к инструкции или руководству по ремонту для конкретной модели автомобиля
Для полного понимания электросхемы рекомендуется обращаться к инструкции или руководству по ремонту для конкретной модели автомобиля.
Новизна автомобильных электросистем ВАЗ с инжекторным двигателем
Основное новшество – замена механических элементов системы зажигания и компонентов подготовки воздушно-топливной смеси более точными и эффективными электронными устройствами. Первое, что бросается в глаза – отсутствие трамблера и карбюратора. Электронные устройства включены в общую электросхему автомобиля. Соответственно на ВАЗ 2107 (инжектор) схема электрооборудования отличается от версии с карбюраторным двигателем наличием электронной системы управления двигателем.

ЭСУД выполняет следующие функции:
- Контроль за соотношением воздуха и бензина в смеси, поступающей в цилиндры.
- Регулировка оборотов двигателя на холостом ходу.
- Изменение угла опережения зажигания в зависимости от режима работы и оборотов двигателя.
- Управление топливным насосом и электровентилятором системы охлаждения.
Схема электрооборудования ВАЗ 2107 (инжектор) представлена на рисунке ниже:

Изменилась и схема электропроводки обновленной версии ВАЗ 2107. Появились дополнительные подкапотные разъемы для подключения датчиков и электронных устройств ЭСУД. Поэтому электропроводка инжекторной «классики» имеет дополнительные подкапотные жгуты, отсутствующие в комплектации для карбюраторных моделей.
Серьезное отличие инжекторной версии Ваз 2107 – наличие топливного электронасоса, обеспечивающего высокой давление в бензопроводе, необходимое для работы системы впрыска.
Схемы генератора ВАЗ-2107
Схема генератора модели 37.3701
Визуальный контроль работы зарядки аккумулятора выполняется лампой 5. При загорании данной лампочки во время работы двигателя свидетельствует о неисправности зарядки. Размер напряжения, вырабатываемого генератором, демонстрируется вольтметром 6. Защита цепей контрольной лампы заряда аккумулятора осуществляется предохранителем F10 с номиналом 8А.
1 — источник питания; 2 — генератор; 3 — блок реле и предохранителей ВАЗ 2107; 4 — переключатель зажжения; 5 — контролька заряда аккумулятора; 6 — вольтметр.
Схема генератора марки Г-222
Подача напряжения на обмотку возбуждения ротора осуществляется от замка зажигания. Защиту электроцепей генератора осуществляется предохранителями F10 и F9. Контроль зарядки аккумулятора выполняется с помощью лампочки 6. При вспыхивании данной лампочки свидетельствует о неисправности зарядки аккумулятора. Параметры напряжения в сети, вырабатываемого генератором Г-222, определяет вольтметр 7.
1 — аккумулятор; 2 — внутренняя схема генератора ВАЗ 2107 карбюратор; 3 — релюшка контрольки заряда аккумулятора; 4 — блок релюшей и предохранителей; 5 — переключатель зажжения ВАЗ 2107; 6 — контролька заряда аккумулятора; 7 — вольтметр.
Отличия в работе
Преимущества
Итак, какие же преимущества получил автовладелец, на машине которого установлен впрыск:
Меньше шансов заглохнуть при старте с места – электроника более гибко реагирует на работу педали газа, позволяя увереннее трогаться с холостых оборотов;
Подкапотный жгут проводки ВАЗ 2107-20 имеет иные разъемы
- Облегченный запуск двигателя – нет необходимости управлять своими руками ручкой воздушной заслонки;
- Снижение времени прогрева холодного двигателя – электронная система оптимизирует минимальные устойчивые обороты. Движение можно начинать уже после запуска, не опасаясь рывков и провалов, свойственных карбюратору;
- Уменьшение планового обслуживания электрооборудования. В частности, нет необходимости постоянно регулировать зазор в контактах прерывателя;
На видео вы можете увидеть устойчивый запуск инжекторного двигателя ВАЗ 2107.
Недостатки
У системы впрыска есть и некоторые изъяны, в частности:
- Без диагностического прибора выявить неисправность в системе управления двигателем довольно трудно;
- Штатная проводка 2107 не позволяет искать неисправности с помощью контрольной лампы;
- Заводская инструкция чаще всего предписывает обращаться в сервисный центр для диагностики. Однако, цена подобной услуги не всегда оправдана для автовладельца.
На фото – диагностика кислородного датчика ВАЗ 2107
Схема подключения датчиков и исполнительных механизмов
ВАЗ 2107 с инжектором оборудован различными датчиками и исполнительными механизмами, которые необходимы для правильной работы двигателя. Рассмотрим основные компоненты и их подключение в электросхеме.
Датчик положения коленчатого вала (ДПКВ)
Датчик положения коленчатого вала отвечает за определение момента зажигания и системы впрыска топлива. Он подключен к блоку управления двигателя, обычно через три провода: питание, землю и сигнальный выход.
Датчик детонации
Датчик детонации служит для определения наличия детонации и контроля за работой двигателя. Он подключается к блоку управления двигателя и обычно имеет два провода — питание и сигнальный выход.
Датчик кислорода
Датчик кислорода предназначен для контроля содержания кислорода в отработанных газах. Он подключается к блоку управления двигателя и имеет от одного до четырех проводов, в зависимости от типа датчика.
Датчик температуры охлаждающей жидкости
Датчик температуры охлаждающей жидкости информирует блок управления двигателя о текущей температуре охлаждающей жидкости. Он подключается обычно через два провода — питание и сигнальный выход.
Исполнительные механизмы
Исполнительные механизмы включают в себя инжектор, реле насоса топлива, клапан рециркуляции отработанных газов и другие элементы. Каждый из них имеет свое собственное подключение, включая питание и управляющие сигналы.
Правильное подключение датчиков и исполнительных механизмов является важным шагом при установке электросхемы для ВАЗ 2107 с инжектором. Рекомендуется следовать инструкциям производителя и использовать правильные соединительные элементы для обеспечения надежного и безопасного функционирования системы.
Признаки неисправностей

Для начала предлагаем ознакомиться с подробным описанием основных поломок схемы элекропроводки машины.
Рассмотрим признаки неисправности:
- Автомобиль не заводится. Схема электрооборудования ВАЗ 21074 включает в себя множество различных элементов, но если машина не заводится, то в первую очередь нужно проверять работоспособность аккумулятора, генератора и элементов системы зажигания. Если аккумулятор сел или генератор вышел из строя, то запуск двигателя будет невозможен.
- Если двигатель запускается, но с трудом, то следует проверить следующие элементы — распределитель зажигания, свечи, катушку. Вполне возможно, что причина заключается в трамблере или свечах. Что касается последних, то они могут либо отработать свой срок службы, либо один из , подключенных к свечам, мог переломиться. Такие проблемы актуальны для двигателем с карбюратором.
- Если вы являетесь владельцем ВАЗ 2107 инжектор, то возможно, причина отказа работы двигателя заключается в выходе из строя или некорректной работе ЭСУД. Эта система предназначена для обработки импульсов, которые поступают от контроллеров и датчиков, а также передаче исполнительных команд узлам и агрегатам. Также причина может крыться в выходе из строя замка зажигания.
- Отказ работы приборной панели. В таком случае нужно проверять ее подключение к системе электропроводки ВАЗ 2107. Может быть, причина заключается в нарушении контакта или плохом соединении устройства с бортовой сетью.
- Отказывается работать группа приборов. Если все оборудование, которое не работает, включается от одного переключателя, то скорей всего, причина именно в его поломке. Нужно проверить работоспособность устройства, а также качество его подключения.
- При включении оптики свет фар начинает мигать, при нажатии на педаль газа освещенность выравнивается. Такие проблемы обусловлены некорректной работой генератора, ослаблением ремня или плохим реле напряжения (автор видео — канал Автоэлектрика ВЧ).
Если у вас на руках есть схема проводки электрики, то вы сможете без проблем найти причину и ликвидировать ее.
Устройство и особенности инжектора ВАЗ 2107
Общий вид подкапотного пространства ВАЗ 2107. Сразу видно, что нет трамблера и карбюратора.
ВАЗ 2107 не всегда была «инжекторной». Многие годы двигатель был карбюраторным. Только с 2006 года, для выпуска ВАЗ для внутрироссийского рынка двигатель обзавелся системой принудительного впрыска топлива. Смысл тех инноваций был простой – соответствие уже принятым нормам «Евро – 2», которым многие годы соответствовали европейские автомобили. Суммарная мощность агрегата с новой системой питания составила 50 киловатт. Характеристики двигателя с новым впрыском топлива были следующие:
- Режим употребления в городе – 8,5 литров\100 км;
- Расход топлива при скорости 90 км\ч – 6,9 – 7,0 литров\100 км;
- Расход при скорости 120 км\ч – порядка 9, 1 л.
Эти характеристики для ВАЗ 2107 инжектор завод гарантировал при использовании бензина типа А – 95. Какого – либо другого вида бензина для расчетов не предусматривалось. Смысл перевода с карбюраторного впрыска на электронный был в том, что не требуется постоянная регулировка и тонкая настройка впрыска, как при инжекторном двигателе. Устройство таково, что не «плавают» показатели холостых оборотов.
Изображено устройство — блок управления, «микропроцессорные мозги».
Блок принимает во внимание показатели тех датчиков, которые необходимы для нормальной работы инжекторного впрыска, а именно:
- Датчик расположения дроссельной заслонки – устройство представляет собой резистор переменной емкости, которая зависит от степени нажатия на педаль «газа». Какого – нибудь аналогичного оборудования в «Жигулях» нет, а вот в радиоприемниках предостаточно.
- Датчик положения коленвала (то есть работы цилиндров). По показаниям этого датчика производится полная синхронизация работы электронного процессора с частотой вращения коленвала. Это «эталонная тактовая частота».
- Показатель насыщения смеси кислородом. Это устройство расположено на трубе выпуска отработанных газов, и занимается тем, что с помощью обратной связи контролирует количество поступающего топлива в смеси, так как топливо, сгорая, потребляет кислород. Показатели тех процессов полностью взаимосвязаны. На рисунке труба выпуска и датчик соединены сварным швом, то есть скорее всего, был произведен ремонт системы выпуска.
- ДМРВ (датчик массового расхода воздуха). Он крепится на корпусе «воздухана». Его задача – точно определить то количество воздуха, которое попадает во впускной коллектор, а значит, характеристики сгораемой смеси.
Вышеописанные датчики относятся исключительно к системе инжекторного впрыска, и на карбюраторных вариантах «семёрки» их не бывает.
Естественно, «дыма без огня не бывает». Поэтому наряду со многими достоинствами, у ВАЗ 2107, оборудованными инжекторным впрыском топлива, есть и определенные «минусы».
Недостатки двигателя с инжекторным впрыском;
- Высокие требования к качеству топлива, его октановому числу;
- Установленный «под днищем» автомобиля катализатор существенно уменьшает дорожный просвет, лишая «семерку» некоторых преимуществ на бездорожье перед «пузотерками»;
- Более сложный ремонт двигателя и затрудненный доступ к деталям моторного отсека.
- Для того чтобы найти неисправность в системе впрыска, нужны специальные приборы;
- В целом, «инжектор» более капризен. Так, например, возможность «прикурить» товарищу может обернуться тем, что двигатель заглохнет. Причина – в неисправности «электронных мозгов».
Но достоинства вполне окупают эти недостатки, так как инжекторный впрыск позволяет экономить топливо, облегчает холодный запуск двигателя, и не требуется «возиться» с карбюратором. Автомобиль с таким впрыском будет служить вам многие годы при правильном уходе.
Источник



























